定義
變壓器電子變壓器(Power Electronic Transformer, PET)又稱電子電力變壓器(Electronic Power Transformer, EPT),固態變壓器(Solid State Transformer, SST)和柔性變壓器(Flexible Transformer, FT),是一種通過電力電子技術實現能量傳遞和電力變換的新型變壓器。對現有的電力電子變壓器拓撲結構進行分析和總結,可 以對電力電子變壓器作出如下定義:所謂電力電子變壓器,是一種將電力電子變換技術與基於電磁感應原理的高頻電能變換技術進行結合,實現將一種電力特徵的電能變換為另一種電力特徵的電能的靜止電力設備。這裡所說的電能的電力特徵主要是指電壓(或電流)的幅值、頻率、相位、相數、相序和波形等方面。
特點
電子變壓器是一種新型的電能轉換設備,它不僅具備傳統電力變壓器所具有的電壓變換、電氣隔離和能量傳遞等基本功能,還能夠實現電能質量的調節、系統潮流的控制以及無功功率補償等其它附加功能。電力電子變壓器之所以能夠實現這些附加功能,主要是因為它通過引入電力電子變換技術及控制技術之後,能夠對變壓器的原方和副方的電壓或者電流的幅值、相位進行靈活的處理和控制,並且可以根據實際需要對系統的潮流進行控制。因而電力電子變壓器可以實現更為穩定和靈活的輸電,可以解決當今電力系統中所存在的許多問題,其套用的前景也將十分廣闊。
與傳統的電力變壓器相比,PET 具有如下特點:
①體積小,重量輕;
②用空氣可冷卻,不需絕緣油進行隔離,減少污染,且維護方便,安全性好;
③能夠使變壓器的副方輸出恆定幅值的電壓;
④能夠改善電能質量,可以得到正弦波形的輸入電流、輸出電壓且能夠實現單位功率因數,且變壓器兩側的電壓、電流均可控,因而能任意調節功率因數;
⑤具有斷路器的功能,大功率電力電子器件可瞬時(在微妙級時間內)關斷故障大電流,省去了繼電保護裝置。
另外,電力電子變壓器還具有一些特殊的用途如:與蓄電池連線之後,可以提高供電的可靠性;能夠實現三相變兩相或三相變四相等特殊變換功能;能夠同時輸出交流電和直流電等。在文獻中,作者對常規電力變壓器和自平衡電力電子變壓器進行了仿真對比和分析,文獻主要針對五種工況進行了仿真研究,從仿真的結果來看,PET 無論是在滿載額定運行、低壓側一相斷線、三相短路,以及高壓側電壓三相不平衡和有諧波污染等工況下都有較好的輸入輸出特性,能夠避免一側系統的不平衡對另一側系統的影響,因而較常規電力變壓器具有更加優良的性能。
發展概況
電力電子變壓器(最初叫做固態變壓器)的概念早在 20 世紀 70 年代初就被提出。1970 年,美國 GE 的 W.Mc Murray 在他申請的一項專利中首先提出了一種包含高頻變壓器的電力電子拓撲電路。1980 年,美國海軍在一個項目中提出了一種由 AC/AC 的降壓變壓器構成的固態變壓器。1995 年,美國電力科學研究院(EPRI)提出了另一種 AC/AC 結構的降壓變換器型電力電子變壓器拓撲結構。這種拓撲由於是直接交交型變換結構,中間沒有使用高頻變壓器,因而成本較低,且開關器件數也較少。但由於該結構中不存在變壓器,因而其原方和副方之間並不能實現電氣隔離。
1996 年,日本人 Koosuke Harada 提出了一種智慧型變壓器的概念,這種變壓器主要是通過高頻技術來提升變壓器鐵芯材料的利用率,並以此減小系統的體積。另外,該變壓器還通過電力電子變換技術及控制技術實了功率因數校正、恆壓和恆流等功能。其研究成果在一個200V/3k VA 的實驗裝置上得到了實現,開關頻率達到了 15k Hz,但仍存在效率稍低的缺點,大概在 80%~90%左右。
20 世紀 90 年代末,電力電子技術的快速發展加快了電力電子變壓器領域研究的前進步伐,國外在電力電子變壓器的研究上也取得了一定的進展。特別是在工業配電系統中,一些新的電力電子變壓器的研究方案也在這時得以提出,並進行了實驗驗證。美國德州 A&M 大學的 Moonshik Kang 和 Enjeti 首先提出了一種基於直接 AC/AC 變換的電力電子變壓器的結構,此後 1999 年 Ronan 和Sudnoff 提出了一種三級結構組成的電力電子變壓器拓撲結構,它主要由輸入級、隔離級和輸出級這三部分組成,這種方案的特點在於輸入級可以採用多級的功率模組進行串聯,因而輸入電壓可以被均分到每個模組上,從而降低了單個功率模組上所承受的電壓應力。
簡單的變壓器是由閉合的導磁體和二個繞組組成,其中一個繞組與交流電源相連線,稱為初級繞組Np,另一個繞組可以與負載相連線,稱為次級繞組Ns。
如果初級繞組與交流電壓Ui的電源相連線,變壓器處於空載,在初級繞組中產生交變電源Io, Io稱為空載電流。這個電流建立了沿磁芯磁路而閉合的交變磁通,磁通同時穿過初級繞組和次級繞組,在初級繞組中產生自感電動勢E1,次極產生互感電動勢E2,則E1:E2=Np:Ns。Np為初級繞組匝數,Ns為次級繞組匝數。
變壓器在電子線路中起著升壓、降壓、隔離、整流、變頻、倒相、阻抗匹配、逆變、儲能、濾波等作用。
分類
A 按工作頻率分類:
工頻變壓器:工作頻率為50Hz或60Hz
中頻變壓器:工作頻率為400Hz或1KHz
音頻變壓器:工作頻率為20Hz或20KHz
超音頻變壓器:20KHz以上,不超過100KHz
高頻變壓器:工作頻率通常為上KHz至上百KHz以上。
B 按用途分類:
電源變壓器:用於提供電子設備所需電源的變壓器
音頻變壓器:用於音頻放大電路和音響設備的變壓器
脈衝變壓器:工作在脈衝電路中的的變壓器,其波形一般為單極性矩形脈衝波
特種變壓器:具有一種特殊功能的變壓器,如參量變壓器,穩壓變壓器,超隔離變壓器,傳輸線變壓器,漏磁變壓器
開關電源變壓器:用於開關電源電路中的變壓器
通訊變壓器:用於通訊網路中起隔直、濾波的變壓器
材料
電子變壓器材料主要有
骨架(Bobbin,Base,Case)
線材(Copper Wire)
磁芯(Ferrite Core,SI-Steel Lamination)
銅箔(Copper Foil)
絕緣膠帶(Tape)
安全膠帶,也稱檔牆(Margin Tape)
套管(Tube)
化學材料:焊錫(Solder Bar),絕緣油(Varnish),膠類(Epoxy,Glue),稀釋劑(Thinner),助焊劑(Scaling Powder),油墨(Ink)
工藝流程
1)預加工,如銅箔、骨架等預加工;(beforehand process)
2)繞線;(winding coil)
3)理線(配線)(termianl lead wire);
4)焊錫一;(dip solder 1)
5)組合磁芯,包含點膠、包膠帶;(assembly)
6)測試一;(test 1)
7)烤膠;(bake glue)
8)含浸;(dip varnished or vacuumed varnish)
9)烤凡立水;(bake varnish)
10)焊錫二;(dip solder 2)
11)測試二;(test 2)
12)外觀檢查及清理;(inspection&cleaning)
13)成品包裝;(packing)
注意:此流程為通用流程,對於具體產品部分流程可刪除。
性能指標
A.電感(Inductance)
B.漏電感(Leakage Inductance)
C.直流電阻(DC Resistance)
D.圈數比(Turn Ratio)
E.耐壓(Hi-POT)
F.絕緣阻抗(Insulation Resistance)
G.機械尺寸(Mechanical Dimension)
H.層間絕緣(Layer Insulation)
I.線上測試(In Circuit Test)
概述
電子變壓器電子變壓器和半導體開關器件、半導體整流器件、電容器一起、稱為電源裝置中的4大主要元器件。根據在電源裝置中的作用,電子變壓器可以分為:
1)起電壓和功率變換作用的電源變壓器,功率變壓器,整流變壓器,逆變變壓器,開關變壓器,脈衝功率變壓器;
2)起傳遞寬頻、聲頻、中周功率和信號作用的寬頻變壓器,聲頻變壓器,中周變壓器;
3)起傳遞脈衝、驅動和觸發信號作用的脈衝變壓器,驅動變壓器,觸發變壓器;
4)起原邊和副邊絕緣隔離作用的隔離變壓器,起禁止作用的禁止變壓器;
5)起單相變三相或三相變單相作用的相數變換變壓器,起改變輸出相位作用的相位變換變壓器(移相器);
6)起改變輸出頻率作用的倍頻或分頻變壓器;
7)起改變輸出阻抗與負載阻抗相匹配作用的匹配變壓器;
8)起穩定輸出電壓或電流作用的穩壓變壓器(包括恆壓變壓器)或穩流變壓器,起調節輸出電壓作用的調壓變壓器;
9)起交流和直流濾波作用的濾波電感器;
10)起抑制電磁干擾作用的電磁干擾濾波電感器,起抑制噪聲作用的噪聲濾波電感器;
11)起吸收浪涌電流作用的吸收電感器,起減緩電流變化速率的緩衝電感器;
12)起儲能作用的儲能電感器,起幫助半導體開關換向作用的換向電感器;
13)起開關作用的磁性開關電感器和變壓器;
14)起調節電感作用的可控電感器和飽和電感器;
15)起變換電壓、電流或脈衝檢測信號的電壓互感器、電流互感器、脈衝互感器、直流互感器、零磁通互感器、弱電互感器、零序電流互感器、霍爾電流電壓檢測器。
從以上的列舉可以看出,不論是直流電源,交流電源,還是特種電源,都離不開電子變壓器。有人把電源界定為經過高頻開關變換的直流電源和交流電源。在介紹軟磁電磁元件在電源技術中的作用時,往往舉高頻開關電源中的各種電磁元件為例證。同時,在電子電源中使用的軟磁電磁元件中,各種變壓器占主要地位,因此用變壓器作為電子電源中軟磁元件的代表,稱它們為“ 電子變壓器”。
原理
電力電子變壓器是一種將電力電子變換器(整流器、逆變器)和高頻變壓器相結合,實現傳統電力變壓器電氣量變換、能量傳遞以及系統隔離等基本功能的輸配電裝置。由於目前套用於電力系統的功率器件,無論在容量還是耐壓等級方面,都較輸電系統低,所以預計電力電子變壓器未來在電力系統套用應首先在配電領域實現。
電力電子變壓器的電力電子變換器(整流、逆變器)應包括主電路和控制電路兩部分組成。對於配電系統的變壓器,為了與常規電力變壓器一致,所以將與電源側相連的電力電子變換器及與其對應的高頻變壓器的相應繞組定義為一次側;將與負荷側相連的電力電子變換器及與其對應的高頻變壓器的相應繞組定義為二次側。二者之間通過高頻變壓器相連。
工作原理為:在一次側,工頻母線高壓通過電力電子變換器的作用變成高頻交流方波,即一次側將電壓的頻率提高,實現升頻的作用。由於變壓器的體積與鐵芯材料飽和磁通密度和繞組最大容許溫升有關,飽和磁通密度大的變壓器的體積也大。而鐵芯材料的飽和磁通密度又和變壓器的工作頻率成反比,所以一次側電力電子變換器的升頻作用,可以提升鐵芯材料的利用率,以減小變壓器的體積,節省變壓器所占空間。這也是電力電子變壓器相比於傳統電力變壓器的一大優點。
特點
電子變壓器,輸入為AC220V,輸出為AC12V,功率可達50W-300W。它主要是在高頻電子鎮流器電路的基礎上研製出來的一種變壓器電路,其性能穩定,體積小,功率大,因而克服了傳統的矽鋼片變壓器體大、笨重、價高等缺點。
電子變壓器就是無穩壓型開關電源,它實際上就是一種逆變器。首先把交流電整流成直流電.然後用電子元件組成一個高頻振盪器把直流電變為高頻交流電,通過開關變壓器輸出所需要的電壓然後二次整流供用電器使用。開關電源具有體積小,重量輕,價格低等優點,所以被廣泛用在各種電器中。
根據高頻開關管的驅動方式不同,可分為自激振盪式與他激式。
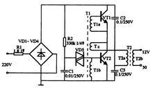
自激式
電子變壓器工作原理電路電子變壓器工作原理 電路如圖所示。電子變壓器原理與開關電源工作原理相似,二極體VD1~VD4構成整流橋把市電變成直流電,由振盪變壓器T1,三極體VT1、VT2組成的高頻振盪電路,將脈動直流變成高頻電流,然後由鐵氧體輸出變壓器T2對高頻高壓脈衝降壓,獲得所需的電壓和功率。R1為限流電阻。電阻R2、電容C1和雙向觸發二極體VD5構成啟動觸發電路。 三極體VT1、VT2選用S13005,其B為15~2 0倍。也可用C3093等BUceo>=35OV的大功率三極體。觸發二極體VD5選用32V左右的DB3或VR60。振盪變壓器可自制,用音頻線繞制在 H7 X 10 X 6的磁環上。TIa、T1b繞3匝,Tc繞1匝。鐵氧體輸出變壓器T2也需自製,磁心選用邊長27mm、寬20mm、厚10mm的EI型鐵氧體。T2a用直徑為0.45mm高強度漆包線繞100匝,T2b用直徑為1.25mm高強度漆包線繞8匝。 二極體VD1~VD4選用 IN4007型,雙向觸發二極體選用DB3型,電容C1~C3選用聚丙聚酯滌綸電容,耐壓250V。
電路工作時,A點工作電壓約為12V;B點約為25V;C點約為105V;D點約為10V。如果電壓不滿足上述數值,或電路不振盪,則應檢查電路有無錯焊、漏焊或虛焊。然後再檢查VT1、VT2是否良好,T1a、T1b的相位是否正確。整個電路裝調成功後,可裝入用金屬材料製作的小盒內,發利於禁止和散熱,但必須注意電路與外殼的絕緣。引外,改變T2 a、b二線圈的匝數,則可改變輸出的高頻電壓。
他激式
他激式電子變壓器在接通工頻市電電源後,橋式整流器通過Rs的電流除流入IC腳VCC上的啟動電流外,其餘的大部分電流對電容CVCC1充電。當IC腳VCC上的電壓達到啟動閾值(11.8 V)後,IC開始工作。一旦IC啟動,由CSNUB、DCP1和DCP2組成的電荷泵電路為IC腳VCC饋送電流。自舉二極體DB和電容CB為IC高側驅動器電路供電。齊納二極體DZ用作分流IC過剩電流,以防止IC損壞。
鹵素燈燈絲電阻為帶正溫度係數,在室溫下的“冷電阻”遠小於燈工作時的“熱電阻”。在燈啟動時,會產生較大的浪涌電流,影響燈壽命。但IR2161提供軟啟動操作,可以避免浪涌電流產生。在燈啟動期間,IR2161輸出125 kHz的高頻。由於系統中輸出高頻變壓器T1初級漏感是固定的,在較高的頻率下呈現較高的阻抗,初級繞組上的電壓較低.致使變壓器輸出電壓較低,燈電流較小,同時也避免了保護電路被觸發。約經1 s的時間,電路以較低頻率運行。在此過程中,IC腳3外部電容CSD上的電壓從OV增加到5V。
當空載時,VCSD=OV,振盪器頻率約60kHz。在最大負載下,VCSD=5V,振盪器頻率約30kHz。當輸出短路時,大電流流過半橋,被RCS感測。只要IC腳4(CS)上電壓超過1V的門限電平持續50ms以上的時間,系統將關閉。如果負載超過最大負載的50%,IC腳4上的電壓將超過O 5 V較低的門坎電壓,在經0.5S之後,系統將關閉。不論是短路保護還是過載保護,都能自動復位。IR2161還提供過熱關閉功能。當晶片結溫超過135℃的過溫度限制值時,半橋開關將停止工作,以避免MOSFET燒壞。
用途
電子變壓器在傳統照明燈具中的套用十分普遍,如日光燈、檯燈、節能燈、廣告燈等等幾乎都可以使用電子變壓器,並且採用電子變壓器之後,可以省掉啟動器。在LED照明中,新品也大都採用電子變壓器。主要是電子變壓器在變壓功能上,效率高、成本底,節約鐵銅材料,結構小,重量輕。不足的是耐壓和耐大電流衝擊性能較鐵質變壓器差。
在電源技術中的套用
電源裝置中的電子變壓器一般要使用由軟磁磁芯製成的電子變壓器(軟磁電磁元件)。雖然,已經有不用軟磁磁芯的空芯電子變壓器和壓電陶瓷變壓器,但是,到21世紀初期,絕大多數的電源裝置中的電子變壓器,仍然使用軟磁磁芯。
因此,討論電源技術與電子變壓器之間的關係:電子變壓器在電源技術中的作用、電源技術對電子變壓器的要求、電子變壓器採用新軟磁材料和新磁芯結構對電源技術發展的影響,一定會引起電源行業和軟磁材料行業的朋友們的興趣。百度百科提出一些看法,以便促成電源行業與電子變壓器行業和軟磁材料行業之間就電子變壓器和軟磁材料的有關問題進行對話,互相交流,共同發展。
1、電源技術對電子變壓器的要求
電源技術對電子變壓器的要求,像所有作為商品的產品一樣,是在具體使用條件下完成具體的功能中追求性能價格比最好。有時可能偏重價格和成本,有時可能偏重效率和性能。輕、薄、短、小是電子變壓器的發展方向,是強調降低成本。從總的要求出發,可以對電子變壓器得出四項具體要求:使用條件,完成功能,提高效率,降低成本。
2、使用條件電子變壓器的使用條件,包括兩方面內容:
可靠性和電磁兼容性。可靠性是指在具體的使用條件下,電子變壓器能正常工作到使用壽命為止。一般使用條件中對電子變壓器影響最大的是環境溫度。決定電子變壓器受溫度影響強度的參數是軟磁材料的居里點。軟磁材料居里點高,受溫度影響小;軟磁材料居里點低,對溫度變化比較敏感,受溫度影響大。
例如:錳鋅鐵氧體的居里點只有215℃,比較低,磁通密度、磁導率和損耗都隨溫度發生變化,除正常溫度25℃而外,還要給出60℃,80℃,100℃時的各種參數數據。因此,錳鋅鐵氧體磁芯的工作溫度一般限制在100℃以下,也就是環境溫度為40℃時,溫升必須低於60℃。鈷基非晶合金的居里點為205℃,也低,使用溫度也限制在100℃以下。鐵基非晶合金的居里點為370℃,可以在150℃~180℃以下使用。高磁導坡莫合金的居里點為460℃至480℃,可以在200℃~250℃以下使用。微晶納米晶合金的居里點為600℃,取向矽鋼居里點為730℃,可以在300℃~400℃下使用。(電磁兼容性是指電子變壓器既不產生對外界的電磁干擾,又能承受外界的電磁干擾。電磁干擾包括:可聽見的音頻噪聲和聽不見的高頻噪聲。電子變壓器產生電磁干擾的主要原因是磁芯的磁致伸縮。磁致伸縮係數大的軟磁材料,產生的電磁干擾大。)鐵基非晶合金的磁致伸縮係數通常為最大(27~30)×10-6,必須採取減少噪聲抑制干擾的措施。高磁導Ni50坡莫合金的磁致伸縮係數為25×10-6,錳鋅鐵氧體的磁致伸縮係數為21×10-6。以上這3種軟磁材料屬於容易產生電磁干擾的材料,在套用中要注意。3%取向矽鋼的磁致伸縮係數為(1~3)×10-6,微晶納米晶合金的磁致伸縮係數為(0.5~2)×10-6。這2種軟磁材料屬於比較容易產生電磁干擾的材料。6.5%矽鋼的磁致伸縮係數為0.1×10-6,高磁導Ni80坡莫合金的磁致伸縮係數為(0.1~0.5)×10-6,鈷基非晶合金的磁致伸縮係數為0.1×10-6以下。這3種軟磁材料屬於不太容易產生電磁干擾的材料。由磁致伸縮產生的電磁干擾的頻率一般與電子變壓器的工作頻率相同。如果有低於或高於工作頻率的電磁干擾,那是由其他原因產生的。
3、完成功能電子變壓器從功能上區分主要有變壓器和電感器2種。
特殊元件完成的功能另外討論。
變壓器完成的功能有3個:功率傳送、電壓變換、絕緣隔離;
電感器完成功能有2個:功率傳送和紋波抑制。功率傳送有2種方式。
第一種是變壓器傳送方式,即外加在變壓器原繞組上的交變電壓,在磁芯中產生磁通變化,使副繞組感應電壓,加在負載上,從而使電功率從原邊傳送到副邊。傳送功率的大小決定於感應電壓,也就是決定於單位時間內的磁通密度變數ΔB。ΔB與磁導率無關,而與飽和磁通密度Bs和剩餘磁通密度Br有關。從飽和磁通密度來看,各種軟磁材料的Bs從大到小的順序為:鐵鈷合金為2.3~2.4T,矽鋼為1.75~2.2T,鐵基非晶合金為1.25~1.75T,鐵基微晶納米晶合金為1.1~1.5T,鐵矽鋁合金為1.0~1.6T,高磁導鐵鎳坡莫合金為0.8~1.6T,鈷基非晶合金為0.5~1.4T,鐵鋁合金為0.7~1.3T,鐵鎳基非晶合金為0.4~0.7T,錳鋅鐵氧體為0.3~0.7T。作為電子變壓器的磁芯用材料,矽鋼和鐵基非晶合金占優勢,而錳鋅鐵氧體處於劣勢。功率傳送的
第二種是電感器傳送方式,即輸入給電感器繞組的電能,使磁芯激磁,變為磁能儲存起來,然後通過去磁變成電能釋放給負載。傳送功率的大小決定於電感器磁芯的儲能,也就是決定於電感器的電感量。電感量不直接與飽和磁通密度有關,而與磁導率有關,磁導率高,電感量大,儲能多,傳送功率大。各種軟磁材料的磁導率從大到小順序為:Ni80坡莫合金為(1.2~3)×106,鈷基非晶合金為(1~1.5)×106,鐵基微晶納米晶合金為(5~8)×105,鐵基非晶合金為(2~5)×105,Ni50坡莫合金為(1~3)×105,矽鋼為(2~9)×104,錳鋅鐵氧體為(1~3)×104。作為電感器的磁芯用材料,Ni80坡莫合金、鈷基非晶合金、鐵基微晶納米晶合金占優勢,矽鋼和錳鋅鐵氧體處於劣勢。傳送功率大小,還與單位時間內的傳送次數有關,即與電子變壓器的工作頻率有關。工作頻率越高,在同樣尺寸的磁芯和線圈參數下,傳送的功率越大。電壓變換通過變壓器原繞組和副繞組匝數比來完成,不管功率傳送大小如何,原邊和副邊的電壓變換比等於原繞組和副繞組匝數比。絕緣隔離通過變壓器原繞組和副繞組的絕緣結構來完成。絕緣結構的複雜程度,與外加和變換的電壓大小有關,電壓越高,絕緣結構越複雜。紋波抑制通過電感器的自感電勢來實現。只要通過電感器的電流發生變化,線圈在磁芯中產生的磁通也會發生變化,使電感器的線圈兩端出現自感電勢,其方向與外加電壓方向相反,從而阻止電流的變化。紋波的變化頻率比基頻高,電流紋波的電流頻率比基頻大,因此,更能被電感器產生的自感電勢抑制。電感器對紋波抑制的能力,決定於自感電勢的大小,也就是電感量大小,與磁芯的磁導率有關,Ni80坡莫合金、鈷基非晶合金、鐵基微晶納米晶合金磁導率大,處於優勢,矽鋼和錳鋅鐵氧體磁導率小,處於劣勢。
4、提高效率提高效率是對電源和電子變壓器的普遍要求。
a、提高電子變壓器的效率。
例如:100VA電源變壓器,效率為98%時,損耗只有2W並不多。但是成十萬個、成百萬個電源變壓器,總損耗可能達到上十萬W,甚至上百萬W。還有,許多電源變壓器一直長期運行,年總損耗相當可觀,有可能達到上千萬kW?h。顯然,提高電子變壓器的效率,可以節約電力。節約電力後,可以少建發電站。少建發電站後,可以少消耗煤和石油,可以少排放CO2,SO2,NOx,廢氣,污水,煙塵和灰渣,減少對環境的污染。既具有節約能源,又具有保護環境的雙重社會經濟效益。因此,提高效率是對電子變壓器的一個主要要求。
b、電子變壓器的設計
電子變壓器的損耗包括磁芯損耗(鐵損)和線圈損耗(銅損)。鐵損只要電子變壓器投入工作,一直存在,是電子變壓器損耗的主要部分。因此,根據鐵損選擇磁芯材料,是電子變壓器設計的主要內容,鐵損也成為評價軟磁材料的一個主要參數。鐵損與電子變壓器磁芯的工作磁通密度和工作頻率有關,在介紹軟磁材料的鐵損時,必須說明是在什麼工作磁通密度下和什麼工作頻率下的損耗。
例如:P0.5/400,表示在工作磁通密度0.5T和工作頻率400Hz下的鐵損。P0.1/100k表示在工作磁通密度0.1T和工作頻率100kHz下的鐵損。軟磁材料包括磁滯損耗、渦流損耗和剩餘損耗。渦流損耗又與材料的電阻率ρ成反比。ρ越大,渦流損耗越小。各種軟磁材料的ρ從大到小的順序為:錳鋅鐵氧體為 108~109μΩ?cm,鐵鎳基非晶合金為150~180μΩ?cm,鐵基非晶合金為130~150μΩ?cm,鈷基非晶合金為 120~140μΩ?cm,高磁導坡莫合金為40~80μΩ?cm,鐵矽鋁合金為40~60μΩ?cm,鐵鋁合金為30~60μΩ?cm,矽鋼為 40~50μΩ?cm,鐵鈷合金為20~40μΩ?cm。因此,錳鋅鐵氧體的ρ比金屬軟磁材料高106~107倍,在高頻中渦流小,套用占優勢。但是當工作頻率超過一定值以後,錳鋅鐵氧體磁性顆粒之內的絕緣體被擊穿和熔化,ρ變得相當小,損耗迅速上升到很高水平,這個工作頻率就是錳鋅鐵氧體的極限工作頻率。
各零件作用
一般店鋪照明用的射燈、筒燈等用的電子變壓器.220v交流變直流12v50W,裡面有一個7個接線頭的磁鐵線圈。3個電阻,6個二級管,4個電容,2個三極體。其作用分別為:
電阻:1啟動電阻,2限流電阻,3穩壓電阻
二極體:有四個二極體是整流用的,其餘的兩個也是整流
電容:濾波
三極體:一個是開關三極體,另一個是啟動用的
相關計算
其電感的作用和計算公式
L=μN*NS/l (2-108)
其中:
L:變壓器線圈的電感 [H]
l :變壓器鐵芯磁迴路的平均長度 [m]
N:線圈的匝數
S:變壓器鐵芯磁迴路的截面積 [m2]
μ :變壓器鐵芯的導磁率 [H/m]
一、同樣砸數的情況下:要使得電感要高或者要低,取決於選擇的磁芯材料。比如同是10砸,磁導率從1k~10k,電感變化量基本在10倍,但你會發現,各種材料的性質,隨著磁導率的升高,居里溫度會急劇下跌,或者損耗會陡然上升,總有其他參數惡劣到讓你考慮磁導率不能一味的高,所以其他因素可能此時成為主要矛盾,得去權衡;
二、匝數不同:原則上講,保證匝比的情況下。比如1:2、2:4、4:8、20:40可以選擇,究竟選擇哪個,可能在選定的某一材料下,可能只有4:8合適,在此匝數下,電感能滿足客戶給的最低值,還能保證銅損最少,等等、而少於此匝數,可能漏感太大,多於此匝數,可能銅損太劇烈
三、電感的高低跟飽和無關
而電感高低:可能電感高低對應材料,在一定程度跟材料的磁導率有關,一般而言,磁導率高的材料,飽和磁感應強度比較小;
磁芯的飽和:因為對磁芯磁化的外磁場太大,導致材料內部磁矩同向最大化。
現狀趨勢
伴隨著我國電子工業的發展,電子變壓器行業也有長足的進步,特別是近20年來科學技術的突飛猛進,電子技術在各個領域的廣泛套用,廣大用戶對消費類電子產品需求的日趨增長,為電子變壓器行業的發展帶來了無限生機。
產品從“傳統”走向“新型”
我國電子變壓器產業20年取得了飛速發展:
首先,電子變壓器行業經濟成長速度加快。
電子變壓器是一種為電子整機配套,為電子線路服務的元件。據不完全統計,2007年生產電子變壓器的工廠近3000家,年銷售收入250億元,產品品種達幾百種,可為各類整機配套,已躍居世界上電子變壓器生產大國之一。電子變壓器60%的產量用於滿足國際市場的需要,通過實施“以質取勝”的戰略,電子變壓器出口已逐步形成氣候。
其次,電子變壓器行業工藝裝備日臻完善。
20年來,電子變壓器的生產工藝精益求精,從落後的手工操作到今天的全自動機械化。電子變壓器的生產手段在吸取國外先進經驗的基礎上,結合我國的實際生產情況得到不斷改進和提高。如21世紀初期,微型變壓器和線圈的生產,引進了國外的先進設備和生產線,基本上擺脫了手工操作的狀態,生產效率高,產品質量的穩定性及一致性較好。
最後,電子變壓器產品從“傳統”走向“新型”。
20年前,電子變壓器產品以大、重、厚的傳統產品居多,隨著微電子技術的發展及有源器件的技術進步,電子整機產品的體積大大減小,重量也大為減輕,對傳統配套產品的需求下降了50%左右,逐漸用新型配套產品(片式化、微型化)替代。市場的需求推動了包括電子變壓器在內的電子元器件、部件向輕、薄、小方向發展,電子變壓器的生產工藝正在進行一場巨大的變革。20年來電子變壓器也正向高頻化、低損耗、重量輕、體積小的方向發展。
R型變壓器具有漏磁少、空載電流小、重量輕、薄型化等特點,是電子變壓器一個新的品種,自1993年以來在我國電子變壓器行業工程技術人員的刻苦鑽研下,通過10餘年的摸索開發製造了R型變壓器鐵心和線圈的生產設備,為新型的R型變壓器國產化製造做出了貢獻。
壓電陶瓷變壓器也是一種新型變壓器,在國外已經得到廣泛套用,壓電陶瓷變壓器的生產改變了變壓器的傳統生產方式,主要原材料鐵芯、漆包線被壓電陶瓷材料所替代,使變壓器的加工工藝發生了根本的變化。壓電陶瓷變壓器體積小,重量輕,厚度小於4mm,換能效率高,不會產生電磁干擾也不會受到外界磁場干擾,阻燃性好,適用於高電壓、小電流、小功率、超薄型的設備。目前我國對壓電陶瓷變壓器的研究正在逐步深入,有企業已經能進行小規模的生產和供貨
走技術進步之路
“有電就有變壓器”,隨著電子產品套用的不斷豐富,電子變壓器行業的前景將更加美好。未來,我國電子變壓器行業將呈現以下幾個發展態勢:
第一,體制改革深化加速經濟成長。
隨著國家鼓勵支持非公有制經濟有關政策的進一步落實,非公有制企業異軍突起並呈現快速發展的勢頭,這些企業帶動了行業科技水平的提高,拓寬了銷售渠道,促進了市場繁榮,增強了行業的經濟活力。預計“十一五”末,行業總產量可達50億隻以上,產品銷售收入370億元以上,利潤18億元以上。
第二,出口創匯增長促進企業管理加強。
我國加入WTO以後,電子變壓器國際市場基本處於穩定狀態,2007年電子變壓器出口貿易值在13億美元左右,在“十一五”期間,電子變壓器出口將有所增長,預計可達20億美元,將繼續保持順差。
出口創匯要求企業必須執行綠色環保法規並製造出不含有害物質的“綠色”產品。企業將加快在“綠色”工藝技術上的進程,在“綠色”材料零件運用、無鉛化組裝技術的改進等方面提出新課題,並予以實施。
第三,市場經濟將推動行業技術進步。
電子變壓器企業必將在今後的發展中走技術進步之路。傳統的老產品儘管有市場,有產量,但利潤空間已很小,也不可能形成強勁的競爭力,變壓器的主要利潤點在於新一代高端產品,無源集成技術的迅速崛起,微型片式整機產品全面升級換代,為變壓器企業提供了實現跨越式發展的技術切入點。
21世紀初期,電子變壓器產業的發展前沿,如功率鐵氧體材料、軟磁合金材料、非晶結晶磁性材料、納米合金磁性材料、壓電陶瓷、納米絕緣材料等都取得卓有成效的發展,這為電子變壓器行業技術進步創造了良好條件,電子變壓器將隨著整機微型化的需求,向高頻化、低損耗、片式的方向發展。
驗收試驗
(1)測量繞組在各個分接位置的直流電阻值;
(2)檢測各個分接位置的電壓比與銘牌是否相符;
(3)測定繞組的極性和聯結組標號;
(4)拆去鐵心接地片,用2500V兆歐表檢測鐵心的絕緣狀況,符合要求後裝好接地片,檢測鐵心接地是否良好(鐵心只能一點接地);
(5)工頻耐壓試驗,容量800KVA以下能通過工頻耐壓試驗,容量800KVA及以上,有條件時進行施加工頻電壓,按GB50150—90標準要求。
(6)用2500V兆歐表檢測變壓器高壓對地、低壓對地及高壓對地壓的絕緣狀況。

