電機參數
雙速電機接線QAD系列變級多速三相異步電動機是QA系列電機的電氣派生產品,是取代YD系列的更新換代產品。該系列電機由於具有可隨負載性質的要求而有級地變化轉速,從而達到功率的合理匹配和簡化變速系統的特點而堪稱機械系統節約能耗的理想動力。在諸如工具機、礦山、冶金、紡織、印染、化工 、農機等工農業部門得到廣泛的套用。
型號:QAD
極數:2/4/6/8
額定功率:0.55KW-315KW
額定電壓:380V
額定電流:0.8A
額定轉速:2900/1440/960/750 rpm
額定轉矩:15.4NM
外形尺寸:132mm
防護等級:IP55
重量:60KG
通過最佳化設計及工藝的改進,QA系列電機在噪音、振動有了大幅度降低並達到國際先進水平。
1、高性能的防護等級
電機的標準設計防護等級為IP55,可按客戶要求提供更高要求的防護等級。
2、適用寬電壓使用
電機設計考慮了不同地區的電壓變化,使電機適應多個地區使用,並保證用戶使用性能。
3、提高絕緣等級,增加電機使用壽命
標準電機採用了F級絕緣結構,從而提高了電機使用壽命,增加了電機可靠性。
4、高效率
電機採用最佳化設計,具有較高效率,可產生可觀的節能效果。
5、合理的結構設計
靈活的引出線方向,美觀的電機造型,機座散熱筋設計成垂直、水平分布,端蓋、接線盒、風罩均為全新設計,外形別致美觀。
變速原理
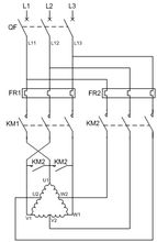
接觸器控制的雙速電動機電氣原理圖雙速電機(風機),平時轉速低,有時風機就高速轉,主要是通過以下外部控制線路的切換來改變電機線圈的繞組連線方式來實現。
1、在定子槽內嵌有兩個不同極對數的共有繞組,通過外部控制線路的切換來改變電機定子繞組的接法來實現變更磁極對數;
2、在定子槽內嵌有兩個不同極對數的獨立繞組;
3、在定子槽內嵌有兩個不同極對數的獨立繞組,而且每個繞組又可以有不同的聯接。
設備簡介
雙速電動機屬於異步電動機變極調速,是通過改變定子繞組的連線方法達到改變定子鏇轉磁場磁極對數,從而改變電動機的轉速。
根據公式;n=60f/p可知異步電動機的同步轉速與磁極對數成反比,磁極對數增加一倍,同步轉速n下降至原轉速的一半,電動機額定轉速n也將下降近似一半,所以改變磁極對數可以達到改變電動機轉速的目的。這種調速方法是有級的,不能平滑調速,而且只適用於鼠籠式電動機。
此圖介紹的是最常見的單繞組雙速電動機,轉速比等於磁極倍數反比,如2極/4極、4級/8極,從定子繞組△接法變為YY接法,磁極對數從2p=2變為2p=1。
∴轉速比=1/2
控制電路
1、合上空氣開關QF引入三相電源
定子接線圖2、按下起動按鈕SB2,交流接觸器KM1線圈迴路通電並自鎖,KM1主觸頭閉合,為電動機引進三相電源,L1接U1、L2接V1、L3接W1;U2、V2、W2懸空。電動機在△接法下運行,此時電動機p=2、n1=1500轉/分。
3、若想轉為高速運轉,則按SB3按鈕,SB3的常閉觸點斷開使接觸器KM1線圈斷電,KM1主觸頭斷開使U1、V1、W1與三相電源L1、L2、L3脫離。其輔助常閉觸頭恢復為閉合,為KM2線圈迴路通電準備。同時接觸器KM2線圈迴路通電並自鎖,其常開觸點閉合,將定子繞組三個首端U1、V1、W1連在一起,並把三相電源L1、L2、L3引入接U2、V2、W2,此時電動機在YY接法下運行,這時電動機p=1,n1=3000轉/分。KM2的輔助常開觸點斷開,防KM1誤動。
4、FR1、FR2分別為電動機△運行和YY運行的過載保護元件。
5、此控制迴路中SB2的常開觸點與KM1線圈串聯,SB2的常閉觸點與KM2線圈串聯,同樣SB3按鈕的常閉觸點與KM1線圈串聯,SB3的常開於KM2線圈串聯,這種控制就是按鈕的互鎖控制,保證△與YY兩種接法不可能同時出現,同時KM2輔助常閉觸點接入KM1線圈迴路,KM1輔助常閉觸點接入KM2線圈迴路,也形成互鎖控制。
行業現狀
雙速電機主要用於煤礦、石油天然氣、石油化工和化學工業。此外,在紡織、冶金、城市煤氣、交通、糧油加工、造紙、醫藥等部門也被廣泛套用。雙速電機作為主要的動力設備,通常用於驅動泵、風機、壓縮機和其他傳動機械。
隨著科技、生產的發展,存在爆炸危險的場所也在不斷增加。例如,食用油生產過去是用傳統的壓榨法工藝,20世紀70年代以後,我國開始引進國外先進的浸出油工藝,但此工藝中要使用含有乙烷的化學溶劑,乙烷是易燃易爆物質;因此浸出油車間就成了爆炸危險場所,需要使用雙速電機和其他防爆電氣產品。又如,近年來我國公路發展迅速,一大批燃油加油站出現,也給雙速電機提供了新的市場。

