簡介
輸出阻抗(output impedance) 含獨立電源網路輸出連線埠的等效電壓源(戴維南等效電路)或等效電流源(諾頓等效電路)的內阻抗。其值等於獨立電源置零時,從輸出連線埠視入的輸入阻抗。
無論信號源或放大器還有電源,都有輸出阻抗的問題。輸出阻抗就是一個信號源的內阻。本來,對於一個理想的電壓源(包括電源),內阻應該為0,或理想電流源的阻抗應當為無窮大。輸出阻抗在電路設計最特別需要注意。
現實中的電壓源,則做不到這一點,常用一個理想電壓源串聯一個電阻r的方式來等效一個實際的電壓源。這個跟理想電壓源串聯的電阻r就是信號源/放大器輸出/電源的內阻了。當這個電壓源給負載供電時,就會有電流I從這個負載上流過,並在這個電阻上產生I×r的電壓降。這將導致電源輸出電壓的下降,從而限制了最大輸出功率。同樣的,一個理想的電流源,輸出阻抗應該是無窮大,但實際的電路是不可能的。
輸出阻抗,是指電路負載從電路輸出連線埠反著看進電路時電路所等效的阻抗,其實主要是針對能量源或者輸出電路來說的,是能量源在輸出端測到的阻抗,俗稱內阻。
相關比較
輸入阻抗和輸出阻抗在很多地方都用到,非常重要。
首先,輸入阻抗和輸出阻抗是相對的,我們先要明白阻抗的意思。
阻抗,簡單的說就是阻礙作用,是廣義上的等效電阻。
引入輸入阻抗和輸出阻抗這兩個詞,最大的目的是在設計電路中,要提高效率,即要達到阻抗匹配,達到最佳效果。
有了輸入輸出阻抗這兩個詞,還可以方便兩個電路獨立的分開來設計。當A電路中輸入阻抗和B電路的輸出阻抗相同(或者在一定範圍)時,兩個電路就可不作任何更改,直接組合成一個更複雜的電路(或者系統)。
由上也可以得出:輸入阻抗和輸出阻抗實際上就是等效電阻,單位與電阻相同。
分析
輸出阻抗就是一個信號源的內阻,阻抗越小,驅動更大負載的能力就越高。輸出阻抗是在出口處測得的阻抗。輸出阻抗對電路的影響 無論信號源或放大器還有電源,都有輸出阻抗的問題。對於一個理想的電壓源(包括電源),內阻應該為0,或理想電流源的阻抗應當為無窮大。現實中的電壓源,則做不到這一點,常用一個理想電壓源串聯一個電阻r的方式來等效一個實際的電壓源。這個跟理想電壓源串聯的電阻r就是信號源/放大器輸出/電源的內阻了。當這個電壓源給負載供電時,就會有電流I從這個負載上流過,並在這個電阻上產生I×r的電壓降。這將導致電源輸出電壓的下降,從而限制了最大輸出功率。同樣的,一個理想的電流源,輸出阻抗應該是無窮大,但實際的電路是不可能的。
阻抗
輸入阻抗和輸出阻抗在很多地方都用到,非常重要。輸入阻抗和輸出阻抗是相對的,我們先要明白阻抗的意思。
阻抗,簡單的說就是阻礙作用,是廣義上的等效電阻,單位與電阻相同。
我們以打沙包為例來理解阻抗:
假如您是一名拳擊運動員,您肯定知道,在練習拳擊時,沙包裡面的沙是有講究的,一個重量合適、硬度合適的沙包,您打上去會感覺很舒服。但是,如果哪一天我把沙包做了手腳,例如,裡面換成了鐵沙,您還是用以前的力打上去,沙包變重了,打不動會產生很大的反彈力,您的手可能就會受不了。相反,如果我把裡面換成了很輕的東西,如棉花,您一出拳,則可能會撲空,手也可能會脫臼,也受不了。
其實,這就是一個阻抗的典型表現。您相當於是能量源,沙包就相當於負載,裡面裝的東西相當於負載的阻抗,因為沙包本身阻抗的存在,所以您作為能量源,要輸出力,或者說輸出能量,才可以將沙包這個負載移動。
阻抗分類
輸入阻抗
•電壓源驅動的電路
所謂電壓源驅動,可以理解為沒有內阻且總是充滿能量的恆壓電池作為能量源,給負載供電。
一個類似於能量源的電壓源U,加到負載的兩端,產生的電流I,那么負載的阻抗Rin就是U/I。負載上消耗的功率P=UI=U/Rin,由公式可知,這裡的Rin總是起到減少電流I的作用,Rin越大,負載消耗的能量就越小;這裡負載的阻抗就是負載的 輸入阻抗。
輸出阻抗•電流源驅動的電路
與電壓源驅動的電路正好相反,電流源驅動可以理解為一個電流恆定的能量源I,給負載供電。
由歐姆定律可知,產生的電壓為U=I*Rin,負載消耗的功率為P=U*I=I *Rin,由公式可知,這裡負載 輸入阻抗Rin起到增大功率的作用,恆流源驅動的電路,電阻越大,負載兩端電壓越高,消耗的功率越大。
輸出阻抗
與輸入阻抗相對應的,是輸出阻抗。
輸出阻抗,是指電路負載從電路輸出連線埠反著看進電路時電路所等效的阻抗,其實主要是針對能量源或者輸出電路來說的,是能量源在輸出端測到的阻抗,俗稱內阻。
•電壓源驅動的電路
電壓源在加到負載上時,除了在負載端消耗能量,自身也會產生能量的消耗,這裡是因為電壓源在輸出能量的時候,內部存在阻礙能量輸出的阻抗,比如電池的內阻。比如恆壓源U,輸出阻抗為Rout,負載端電壓為Ur,負載R,電流為I=U/(Rout+R),負載端電壓Ur=I*R=U*R/(Rout+R),負載產生的功率為P=Ur*I=U *R/(Rout+R) 。由此公式可知,輸出阻抗越小,驅動負載的能力越大。
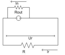
輸出阻抗•電流源驅動的電路
對於電流源驅動的電路,也存在輸出阻抗,輸出阻抗並聯在恆流源兩端。
電流源輸出恆定電流I,一部分In消耗在內阻Rout上,剩餘的電流Ir消耗在負載R上,由此可知,負載R上電壓為Ur=Ir*R,和內阻Rout兩端電壓一致,即Ur=Ir*R=In*Rout,又因為I=Ir+In通過推導可知Ur=I* Rout * R /( Rout+R),負載端功率:
P=Ur*Ir=Ur /R=I *R*Rout /( Rout+R) = I *Rout /( R+Rout /R+2Rout)
由此可知,在R=Rout時,外端負載P最大。因此,對於恆流源負載,要想獲得最大功率,需要將負載的電阻值和電流源的內阻匹配一致,即儘量趨近同一個值。
輸出阻抗作用
引入輸入阻抗和輸出阻抗這兩個詞,最大的目的是在設計電路中,要提高效率,即要達到阻抗匹配,達到最佳效果。
有了輸入輸出阻抗這兩個詞,還可以方便兩個電路獨立的分開來設計。當A電路中輸入阻抗和B電路的輸出阻抗相同(或者在一定範圍)時,兩個電路就可不作任何更改,直接組合成一個更複雜的電路(或者系統)。

