匹配的設備
視頻分配器
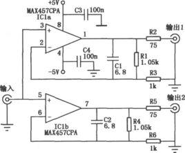
四進四出視頻放大器經過視頻矩陣切換器輸出的視頻信號,可能要送往監視器、錄像機、傳輸裝置、硬拷貝成像等終端設備,完成成像的顯示與記錄功能,在此,經常會遇到同一個視頻信號需要同時送往幾個不同之處的要求,在個數為二時,利用轉接插頭或者某些終端裝置上配有的二路輸出器來完成;但在個數較多時,因為並聯視頻信號衰減較大,送給多個輸出設備後由於阻抗不匹配等原因,圖像會嚴重失真,線路也不穩定。則需要使用視頻分配器,實現一路視頻輸入、多路視頻輸出的功能,使之可在無扭曲或無清晰度損失情況下觀察視頻輸出。通常視頻分配器除提供多路獨立視頻輸出外,兼具視頻信號放大功能,故也成為視頻分配放大器。
視頻分配放大器以獨立和隔離的互補電晶體或由獨立的視頻放大器積體電路提供4~6路獨立的75Ω負載能力,包括具備彩色兼容性和一個較寬的頻率回響範圍(10Hz ~7MHz ),視頻輸入和輸出均為BNC端子。
視頻監視器
監視器是監控系統的標準輸出,有了監視器我們才能觀看前端送過來的圖像。監視器分彩色、黑白,尺寸有9 、10 、12 、14 、15 、17 、21 、29 英寸等,常用的是14 英寸。監視器也有解析度,同攝像機一樣用線數表示,實際使用時一般要求監視器線數要與攝像機匹配。另外,有些監視器還有音頻輸入、S-video 輸入、RGB 分量輸入等,除了音頻輸入監控系統用到外,其餘功能大部分用於圖像處理工作,在此不作介紹。清晰度:彩色監視器一般在 300-500 線黑白監視器一般在700-1000 線,專業監視器與普通電視機的差別在於:其一是電視清晰度較高;其二是防磁性能好,以便並排安裝時不會互干擾,而普通電視機則不具備防磁功能;其三是可靠性好,監視器可以接受長時間不間斷工作,而普通的電視機則不能。在最小系統中可以僅有單台監視器,而在大系統中則可能是由數十台監視器組成的電視牆;監視器可以是黑白的,但更多的是彩色監視器;既可以是6英寸、9英寸的小螢幕監視器,也可以是40英寸左右的大型監視器、電漿平板顯示器或上百英寸的投影;在實際套用中,既可用專業級的純監視器,也可用價格便宜的彩電取而代之;在圖像顯示質量方面,有用標準解析度的監視器,也有追求高圖像質量而採用的高解析度監視器。從使用角度而言,實用性是對其作出選擇的前提,特別體現在下列各點上:
(1)監視器類型的選擇應與前端攝像機類型基本匹配,黑白攝像機一般具有解析度較高的特點,且價格較為低廉,在以黑白攝像機為主構成的系統中,宜採用黑白監視器。
(2)對於不僅要求看得清楚而且具有彩色要求的場合,隨著大量使用彩色CCD攝像機,此時視頻圖像的顯示必然用彩色監視器,但此時對彩色監視器解析度的選擇要適中,350~400線是較理想的標準。
(3)600~800線解析度的高檔CRT彩色監視器,其刷新率一般為每秒75~80幀,只宜用在圖像質量要求極高的場合。
(4)除解析度指標外,目前時興的是監視器具有易於控制和調節的功能。
(5)監視器有不同的掃描制式,選用時應注意。
(6)對於閉路電視監控系統而言,特別是在經費不太富裕的條件下,選用價格相對便宜的彩電是可行的折衷方案之一,但必須具有視頻輸入端子。
(7)監視器螢幕大小的選擇,應以與視頻圖像相匹配為原則,用於顯示多畫面分割器輸出圖像的監視器,由於一屏上有多個攝像機輸出圖像,因此宜採用大螢幕的監視器。
長時間錄像機
所謂長時間錄像機指的是一盤180分鐘錄像帶可記錄8小時以上的監控圖像,有24小時型和長時間型之分,大多以時間分割方式斷續地記錄圖像,最長的記錄時間可長達960小時,這稱之為時滯式( time lapse )長時間錄像機。此外,還有以連續方式記錄24小時畫面的實時( real time )長時間錄像機。
長時間錄像機是將攝像機信號於磁帶上的一種磁記錄備,其特點是通過普通的180 分鐘的磁帶記錄長達24 小時甚至於960 小時的攝像機信號,從而極大地節省了磁帶,便於管理。長時間錄像機的磁頭是走停相間,也就是說通過損失一定的畫面時間來換取長延時效果,故其回放的圖像將會有明顯的效果。
關鍵參數
電視水平清晰度:一般VHS 模式的錄像機可達250 線左右,SVHS 模式的錄像機可達400 線左右。
長時間錄像機的分類:
1)按時間分:24 小時錄像機,480 小時錄像機,960 小時錄像機。
2)按制式分:VHS 模式,S-VHS 模式。
與家用錄像機不同,延時錄像機可以長時間工作,可以錄製24 小時(用普通VHS 錄像帶)甚至上百小時的圖像,可以聯接報警器材,收到報警信號自動啟動錄像,可以疊加時間日期,可以編制錄像機自動錄像程式,選擇錄像速度,錄像帶到頭後是自動停止還是倒帶重錄。
延時錄像機的性能雖然出眾,但價格不菲,而且目前解析度不是很高,在延時錄像時圖像也會丟失一部分,回放的圖像是一頓一頓跳躍的。
數位化圖像記錄裝置
作為以數位化硬碟存儲錄象的全功能主機,具備視頻壓縮、數位化硬碟存儲及視頻解壓功能,可以完全記錄下攝像機的高清晰度畫面,解決閉路電視監控系統後端環節的低清晰度損失,使錄象回放能達到極高的清晰度。
視頻圖像列印輸出裝置
彩色視頻輸出設備除了彩色噴墨印表機、彩色雷射印表機外,還有彩色視頻印像機。彩色視頻印像機是一種圖像輸出設備,大多採用熱敏染料轉移成像方法,解析度較高,色彩還原性好。彩色視頻印像機是智慧型化裝置,只要連線顯示器後即可進行功能選單操作。
如何耦合
視頻高速放大器中交流耦合與直流耦合有何區別?
兩級視頻放大器電路通過採用輸入輸出電容 ,交流耦合消除了傳輸線上的直流電壓,並將發射和接收系統的接地點隔離起來,從而簡化了電路設計,但是,這些電容也危及到信號質量,某些系統可以允許這種影響,而另外一些系統則不能容忍這種損害。
為將這種對信號質量的損害減小到最小,輸出電容就必須在數百微法的數量級,由於直流耦合可以取消輸出電容,因此在對價格敏感的大批量產品中就特別有吸引力,但在輸入信號存在正負擺動(想像一下負視頻同步脈衝的情形)的情況,就無吸引力可言,這是因為,這種複雜局面就需要一個額外的負電源來保證一個能夠容納信號正負擺動的公共輸入電壓範圍。
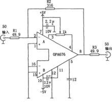
如何確定輸出電容大小?
由於放大器必須驅動一個相對低阻抗的傳輸線,所以輸出電容COUT就不能象CIN那么小。通過50或60Hz的信號就需要一個大於100μF的大輸出電容,100μF是一個物理尺寸和成本之間的平衡點。在圖1中,傳輸線是後端匹配的,這樣輸出電容在輸入端的有效電阻是150Ω而不是5 kΩ。雖然這與反饋網路是並聯的,但由於反饋電阻相對大,其影響可以忽略不計,通過60Hz垂直同步信號就需要220μF(f0 = 9.6Hz)或更高一些的低阻抗輸出電容。
必須根據通過信號低頻成分的要求來計算輸入/輸出電容值。
對下陷進行進一步的頻率補償具有以增加元件的代價減小所要求輸出電容尺寸的好處。而採用直流耦合則可以完全消除輸出電容。
下陷(sag)是什麼?消除下陷也會同時縮小輸出電容的尺寸嗎?
當電荷積累在輸出耦合電容兩端時,就會發生下陷。在場測試信號或條形圖測試信號中,下陷表現為掃描期間視頻波形中的一個斜移,在TV監視器上,下陷就表現為從圖像一邊到另一邊或從上到下的亮度變化。對低端產品而言,其影響可以被忽略,但在專業設備和廣播設備是肯定是不可接受的。要消除下陷,可以採用更小尺寸的輸出電容,但需要付出增加電路元件的代價。下陷的糾正建立在對由後端匹配傳輸線和輸出電容形成的高通濾波器進行低頻補償的基礎上。中給出了補償電路。產品數據表一般都會提供最佳的元件取值,在典型情況下,RFB可以取10 kΩ,RIN和RSAG可以取1 kΩ,COUT 47μF,CSAG取22μF。
如使用可處理公共輸入電壓的放大器,它會對直流耦合產生什麼影響?
許多不帶或帶有內部增益調節電阻的輸出驅動器,可以控制正負擺動的信號,其缺點是需要一個±5-V電源。在專業的高端設備中可以接受額外增加的複雜性,但對於面臨成本和電路板空間約束的設計而言就沒有吸引力。幸好最新的放大器具有一個內部電荷泵,可以產生達-1.6 V的VEE,這樣使用單個3.3-V的電源就可以獲得4.9-V的公共輸入電壓。
市面上有哪些直流耦合視頻放大器產品?
到現在為止,直流耦合視頻放大器還處於小範圍套用。2005年年中,兩家晶片供應商推出了基於集成電荷泵的直流耦合視頻放大器。其中一家的產品封裝了一個放大器,而另一家則封裝了三個放大器,兩種產品的每通道增益均為6db,晶片上集成了一個6極巴特沃斯濾波器,以在視頻輸入端對來自數模轉換器的信號進行重建濾波。兩家供應商在處理電荷泵噪聲的方式上略微有所區別,但都取得了出色的結果。單放大器晶片採用了一個電荷泵和線性調壓器,而三放大器晶片則採用一個多級電荷泵。
發展與挑戰
更低功耗、更小封裝以及良好的匹配性的要求
近幾年隨著手機和LCD電視等市場的不斷擴大,用戶對於視頻放大器 的要求發生變化,更低功耗、更小封裝以及良好的匹配性能都變得十分重要。一些公司如英特矽爾、凌特、德州儀器和飛兆半導體等紛紛推出了新型放大器來滿足視頻套用領域對於驅動器和緩衝器的需求。
視頻放大器凌特公司針對高性能視頻領域推出的型號為LT6553的放大器,解析度超過了1600x1200像素,LT6553適用於SXGA和UXGA LCD投影儀及監視器、數字顯示器(presenters)、掃瞄器,以及車載導航和車內視頻系統等汽車顯示器系統、數位相機及CCD影像系統。對於簡單的多路復用和信號路由,LT6553具有關/閉功能,能夠在50ns內啟動,適合擴頻和攜帶型套用。
英特矽爾公司為了滿足高解析度顯示器接口的要求推出了EL536x系列新型運算放大器,EL536x系列三電反饋放大器滿足高頻寬和低噪聲方面的要求,最重要的是,脈衝回響受到控制。這些新器件的功耗低於將三個單獨的放大器組合到一起,單片架構也可獲得更加出色的增益匹配。德州儀器(TI)的OPA693視頻驅動器解決方案提供良好的脈衝回響,面向新興的高解析度RGB套用。OPA693是目前市場上最快的+/-5V固定增益放大器,DC和AC精度顯著提高,它的優勢在於高達700MHz的頻寬和2500 V/us轉換和諧提供的高像素條件下的脈衝保真度,且價格低於同類產品。
飛兆半導體推出的FMS6418A是一款高度集成的三輸出視頻驅動器,可用於高清(HD)或者標準解析度(SD)信號過濾,在對信號進行數位化(抗鋸齒處理)之前消除高頻噪聲,或者用於消除在編碼器(重建過濾)D/A轉換過程引起的artifact。該產品面向HDTV顯示器、有線和衛星機頂盒、DVD、PVR、視頻點播、音頻/視頻接收機等領先的視頻套用領域,具有更高的性能及靈活性,減少了元件數量。FMS6418A具有三個6代順序濾波器,頻率可以是30 MHz (HD)或8 MHz (SD)。FMS6418A在每個濾波器通道上結合了一個2:1多路復用器,三個通道全部具有過濾和輸出放大功能。與分立式解決方案相比,在成本和設計方面具有優勢。
不同套用領域需求各異
儘管製造商推出了種類如此繁多的產品,但是不同的終端產品,所需要放大器產品的性能也都不盡相同。要求最苛刻的套用領域是液晶投影機領域,該領域產品尺寸小、易碎、具有明亮的高解析度顯示,同時還要有良好的價格。這就要求視頻放大器具有更高的頻寬和轉換速率、低功率、封裝尺寸小及良好的通道分隔性能。Soule還指出另一個挑戰是讓視頻通過很長的電纜線,例如老式的CAT5電纜。凌特公司的新款LT6552是一種差分視頻放大器,解決了這個問題,能在1000英尺長的雙絞線上傳輸視頻。
在設計任何套用的視頻系統時,視頻放大器的性能都非常關鍵。其中一種套用是寬頻視頻路由器和交換機,頻寬為100~500MHz。為了支持這樣高的頻寬,終端產品需要頻寬極高的內部運算放大器,甚至10倍於所需要的頻寬。製造商廣告中所說的頻寬數字是可以造假的,要關注的重要頻寬數字是大信號頻寬(LSBW)規格,通常被認為是1 volt peak-to-peak (Vpp)甚至更高。許多製造商廣告中所說的是小信號頻寬(SSBW),但是,總體來說視頻信號使用的是大信號(2Vpp)。客戶可能被小信號規格所誘惑,但是LSBW數值較高的產品更有價值。
視頻放大器電路意識到了市場對LSBW的需求,國家半導體最近推出了一種三寬頻、750 MHz的運算放大器LMH6738和三寬頻、750 MHz的可程式增益緩衝器(PGB)LMH6739,具有400 MHz LSBW、3300 V/us轉換速率和200 MHz 的0.1dB增益平度,在驅動高解析度RGB視頻信號方面的性能優於同類產品。視頻放大器的一個重要特點是0.1dB增益平度。通常增益平度越高,支持的視頻解析度越高。例如,HDTV系統需要30~50 MHz 的0.1dB增益平度。另一方面,當面對高解析度視頻信號(如電腦圖像)時,需要的增益平度接近100~200MHz 0.1dB。
同時在使用視頻放大器進行設計時也需要注意一些問題,如信號的失真等等。為使視頻放大器帶給視頻信號的失真降至最小,這點非常重要。使用專業級設備的多數客戶,將會考慮第二和第三級諧波失真,-80至-90 dBc @ 5MHz是其系統的最低要求。當面對複合視頻信號時,差分增益/差分相位(DG/DP)數值非常重要,一般要求其為0.02%/0.02,或者更低。在複合視頻中,顏色信息在亮度信息的上面,因此最低的DF/DP數值將生成最清晰的和失真最小的圖像質量。
對於數位相機和可播放電視的手機等攜帶型視頻設備來說,最重要的是高集成度、低功率關機、小尺寸封裝和容易連線到DSP晶片上的嵌入式視頻D/A轉換器。良好的視頻顯示是重要的,但消費類產品的視頻要求不象廣播和專業級視頻領域那樣苛刻,對於這種套用來說電壓反饋是極其重要的配置。這類放大器的重要特點包括:集成式過濾器幫助重建DAC信號、低功率關機(最好低於5uA)、低電壓(最好利用2.8-5V的單電源運行)、SAG校正、能夠進行DC耦合輸出同時不會影響同步脈衝、採用SC70、QFN或CSP封裝等。
未來市場的需求趨勢
視頻領域存在許多趨勢,其中比較重要的一個趨勢是解析度越來越高。隨著便攜產品的視頻解析度由VGA提高至SXGA和更高水平,運算放大器的速度也將隨之提高,運算放大器也要改善其頻寬和失真性能,以滿足高解析度視頻的要求。市場的總體需求趨勢大體相同:比如攜帶型產品對更低電壓的要求意味著視頻放大器的電壓也更低,同時需要更多的軌到軌放大器;採用更小的封裝,同時集成更多的片上功能,如增益電阻,在更高的頻寬上採用片上反饋路徑改善信號完整性和降低串擾低功耗;更快的速度以滿足更高的螢幕解析度,如SXGA、UXGA和HDTV格式等;最後是更低的功耗,比如凌特的LT6210/1電流反饋放大器的特點是一個‘Rset’電阻,它允許系統設計人員調整頻寬,實際上是速度-功率旋鈕。這意味著系統設計人員可以設定放大器,使之在給定的信號頻寬上永遠不會耗用過多的功率。

