定義
虛擬製造系統是現實製造系統(Real Manufacturing System)在虛擬環境下的映射。它由虛擬信息系統(Virtual Information System,VIS)和虛擬物理系統(Virtual Physical System,VPS)構成。虛擬信息系統利用計算機信息系統模擬現實信息系統(Real Information System,RIS)的設計、規劃、調度、控制、評估等活動。虛擬物理系統利用計算機信息系統模擬現實物理系統(Real Physical System,RPS)的製造過程和製造活動。
真實製造系統可以分解為真實物理系統(RPS,Real Physical System)和真實信息系統(RIS,ReallnformationSystem)兩部分。
真實物理系統由實際存在的實體組成,例如材料、工具機、工具、機器人、夾具、工作、產品、控制器、感測器等。真實信息系統包括有關信息處理和決策的全部活動,例如設計、規劃、調度、控制、評價等,它不僅包括計算機,還包括製造系統中的人員。
假如有一台計算機系統可以翻譯解釋來自真實信息系統的控制命令,並可以返回狀態報告,其回響完全與真實物理系統的回響等價,那么,這台計算機系統就可稱為虛擬物理系統(VPS,VirtualPhysicalSystem)。
同樣,如果一個計算機系統可以模擬真實信息系統的功能,而真實物理系統中的機器甚至無法區分控制命令是來自真實信息系統還是來自計算機,那么該計算機系統可稱為虛擬信息系統(VIS,Virtual lnformationSystem)。
通過選擇不同的物理系統和不同的信息系統,就可以得到以下4種類型的製造系統:
(1)RPS+RIS=真實製造系統;
(2)RPS+VIS=自動化製造系統;
(3)VPS+RIS=虛擬製造系統(物理的);
(4)VPS+VIS=虛擬製造系統(虛擬的)。
上述(3)、(4)種類型的系統稱為虛擬製造系統,其共同特徵是物理系統並非真實存在,而是一種虛擬模型。因此,虛擬製造系統是一種不消耗物質和能量,不產生真實產品,只產生信息的系統。虛擬製造系統應當是與真實製造系統等價的系統,虛擬物理系統是實現虛擬製造系統的關鍵。
特點
①在不消耗系統實際資源的情況下,可以改進產品結構、最佳化生產過程、充分利用資源、發現存在的問題。通過運行虛擬製造系統,可以提前消除實際製造系統中可能出現的問題,提高了實際製造系統的輸出質量,因此,可以縮短產品的製造周期,降低產品成本,提高產品質量。
②通過在虛擬製造系統中仿真一些新的或關鍵製造技術(如新技術、新工藝),來評價和驗證新技術或關鍵技術對生產所帶來的結果(效益和風險),幫助企業做出正確的規劃和決策,以及在學術方面進行有價值的科學研究。
③可使分布在不同地點、不同部門的不同專業人員在同一個產品模型上同時工作,相互交流,信息共享,減少大量的文檔生成及其傳遞的時間和誤差,從而使產品開發快捷、優質和低耗,適應市場需求變化。
由此可見,虛擬製造系統是使企業快速滿足市場的需求,提高產品市場競爭力的一種新型現代製造模式。
體系結構
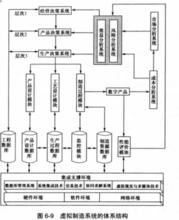
虛擬製造系統由於虛擬製造系統的複雜性,人們從不同的角度構建了很多不同的虛擬製造系統體系結構。圖6-9為一個虛擬製造系統的體系結構,其由三個層次構成,即經營決策層、產品決策層和生產決策層。
(1)經營決策層。根據用戶的需求和市場信息、自身企業資源及技術條件等,做出生產產品的種類、規模、性能、規格等決策。
(2)產品決策層。根據上層做出產品總體方案決策,並對其性能做出初步評價,對其生產成本做出初步預估。
(3)生產決策層。根據上層的決策和企業人力、物力及技術資源與水平等情況,做出產品開發計畫、生產任務規劃、生產調度計畫等決策,並在計算機上實現其製造過程,生產出數位化模型產品。通過對數位化模型產品的工作過程進行仿真,對產品性能做出合理的評價。通過對數位化模型產品的構成和形成過程進行分析,做出產品成本的分析報告。綜合各方面的因素,對產品投產的風險和效益做出評價。
以上3個層次的決策是在統一的硬體、軟體支持環境下協同工作,求得全局最優的決策。
功能
虛擬製造系統能夠完成多方面的功能,主要包括虛擬設計、虛擬製造、虛擬生產和面向虛擬企業等功能。
(1)虛擬設計功能。虛擬設計是在虛擬現實和網路環境中,群組協同工作,對未來產品進行最佳化設計,完成產品的性能評價、可製造性評價等工作,從而最終實現產品的虛擬原型等功能。
(2)虛擬製造功能。該功能主要包括生產工藝設計與評價、加工過程切削參數最佳化、材料加工成形仿真、數控設備軟體的編制與驗證等。它是以全信息模型為基礎的眾多仿真分析軟體的集成,包括力學、熱力學、運動學、動力學等分析。
(3)虛擬生產功能。該功能包括生產環境的布局設計、設備集成產品遠程虛擬測試、企業生產計畫與調度的最佳化等。
(4)虛擬企業功能。利用虛擬企業的形式以實現勞動力、資本和信息等資源的最優配置,該功能為敏捷製造提供合作性支持。

