產品特點
品質特性
茅台酒是中國大曲醬香型酒的鼻祖,被尊稱為“國酒”。它具有色清透明、醬香突出、醇香馥郁、幽雅細膩、入口柔綿、清冽甘爽、酒體醇厚豐滿、回味悠長、空杯留香持久的特點,人們把茅台酒獨有的香味稱為“茅香”,是中國醬香型風格的典型。
茅台酒液純淨透明、醇馥幽郁的特點,是由醬香、窖底香、醇甜三大特殊風味融合而成,現已知香氣組成成分多達300餘種。茅台酒香氣成分眾多,有人讚譽“風味隔壁三家醉,雨後開瓶十里芳”。茅台酒香而不艷,在釀製過程中從不加半點香料,香氣成分全是在反覆發酵的過程中自然形成的。它的酒度一直穩定在52°—54°之間,曾長期是全國名白酒中度數最低的。具有喉嚨不痛、也不上頭、能消除疲勞、安定精神”等特點。”
茅台酒生產工藝
茅台酒的酒窖建設也頗有講究。從窖址選地、窖區走向、空間高度,到窖內溫濕度控制、透氣性能,以及酒瓮的形式、容量、瓮口泥封的技術等,都極為嚴格。這些都是關係到成品酒的再熟化、香氣純度再提高的關鍵。酒窖里每天要有人檢查,開關透氣孔,控制溫濕度。
茅台酒的釀製技術被稱作“千古一絕”。茅台酒有不同於其他酒的整個生產工藝,生產周期7個月。蒸出的酒入庫貯存4年以上,再與貯存20年、10年、8年、5年、30年、40年的陳釀酒混合勾兌,最後經過化驗、品嘗,再裝瓶出廠銷售。
茅台酒以本地優糯高梁為原料,用小麥製成高溫曲,而用曲量多於原料。用曲多,發酵期長,多次發酵,多次取酒等獨特工藝,這是茅台酒風格獨特、品質優異的重要原因。釀製茅台酒要經過兩次下料、九次蒸煮、八次攤晾加曲(發酵七次)、七次取酒,生產周期長達一年,再陳貯三年以上,勾兌調配,然後再貯存一年,使酒質更加和諧醇香,綿軟柔和,方準裝瓶出廠,全部生產過程近五年之久。
茅台酒廠第一車間在此期間,要經歷重陽下沙、端午踩曲、長期貯存等工藝環節的淬鍊,制酒生產一年一個生產周期,順應季節變換,歷經兩次投料、九次蒸煮、八次發酵、七次取酒;釀製而成的基酒還需在陶壇中經過三年以上的貯存,最後,採用酒勾酒的方式將一百餘種不同酒齡、不同香型、不同輪次、不同酒度等各有特色的基酒進行組合,形成了茅台酒的典型風格。
茅台酒工藝中的三高是指茅台酒生產工藝的高溫制曲、高溫堆積發酵、高溫餾酒。茅台酒大曲在發酵過程中溫度高達63℃,比其他任何名白酒的制曲發酵溫度都高10-15℃;在整個大曲發酵過程中可優選環境微生物種類,最後形成以耐高溫產香的微生物體系,在制曲過程中首先做到了趨利避害之功效。高溫堆積發酵是中國白酒生產敞開式發酵最為經典和獨創之作,也是其他名白酒工藝所不具有的。高溫餾酒:蒸餾工藝本身是固液分離的技術,但茅台酒生產工藝的蒸餾與其他白酒完全不同。
茅台酒工藝中的三長主要指茅台酒基酒生產周期長;大曲貯存時間長;茅台酒基酒酒齡長。茅台酒基酒生產周期長達一年,須二次投料、九次蒸餾、八次發酵、七次取酒,歷經春、夏、秋、冬一年時間。而其他名白酒只需幾個月或十多天即可。茅台酒大曲貯存時間長達6個月才能流入制曲生產使用,比其他白酒多存3-4個月,這對提高茅台酒基酒質量具有重要作用,而且大曲用量大,是其他白酒的4-5倍。茅台酒一般需要長達三年以上貯存才能勾兌,通過貯存可趨利避害,使酒體更醇香味美,加上茅台酒高沸點物質豐富,更能體現茅台酒的價值,這是其他香型白酒不具有的特點。
茅台酒工藝的季節性生產指茅台酒生產工藝季節性很強。茅台酒生產投料要求按照農曆九月重陽節期進行,這完全不同於其他白酒隨時投料隨時生產的特點。採用九月重陽投料一是按照高粱的收割季節;二是順應茅台當地氣候特點;三是避開高營養高溫生產時節,便於人工控制發酵過程,培養有利微生物體系,選擇性利用自然微生物;四是九月重陽是中國的老人節,象徵天長地久,體現中華民族傳統文化。
裝茅台酒用的酒瓶,最初是用本地生產的缸瓮,從清朝鹹豐年間起,改用底小、口小、肚大的陶質壇形酒瓶,有裝0.5公斤、1公斤和1.5公斤的型號。後曾一度改為微扁長方形酒瓶。民國四年(1915年)以後,改用圓柱形、體小嘴長的黃色陶質釉瓶。建國後,才改為白色陶瓷瓶和人們見到的乳白色避光玻璃瓶,古色古香,樸實大方。
產地環境
地域環境
茅台酒因產於遵義赤水河畔的茅台鎮而得名。由於茅台鎮地處河谷,風速小,十分有利於釀造茅台酒微生物的棲息和繁殖。20世紀60、70年代全國有關專家曾用茅台酒工藝及原料、窖泥,乃至工人、技術人員進行異地生產,所出產品均不能達到異曲同工之妙。也充分證明了茅台酒是與產地密不可分的關係和茅台酒不可克隆,為此茅台酒2001年成為中國白酒首個被國家納入原產地域保護產品。
茅台酒廠區建於赤水河上游,水質好、硬度低、微量元素含量豐富,且無污染。峽谷地帶微酸性的紫紅色土壤,冬暖夏熱、少雨少風、高溫高濕的特殊氣候,加上千年釀造環境,使空氣中充滿了豐富而獨特的微生物群落。
原料要求
茅台酒生產所用高粱為糯性高粱,當地俗稱紅纓子高粱。此高粱與東北及其他地區高粱不同的是,顆粒堅實、飽滿、均勻,粒小皮厚,支鏈澱粉含量達88%以上,其截面呈玻璃質地狀,十分有利於茅台酒工藝的多輪次翻烤,使茅台酒每一輪的營養消耗有一合理範圍。茅台酒用高粱皮厚,並富含2%-2.5%的單寧,通過茅台工藝發酵使其在發酵過程中形成兒茶酸、香草醛、阿魏酸等茅台酒香味的前體物質,最後形成茅台酒特殊的芳香化合物和多酚類物質等。這些有機物的形成與茅台酒高粱及地域微生物群系密切相關,也是茅台酒幽雅細膩、酒體豐滿醇厚、回味悠長的重要因素,特別值得一提的是茅台酒富含一定的多酚類物質,適量飲用,不傷肝,能治糖尿病、感冒等疾病。
水質
茅台鎮釀製茅台酒的用水主要是赤水河的水,赤水河水質好,用這種入口微甜、無溶解雜質的水經過蒸餾釀出的酒特別甘美。故清代詩人曾有“集靈泉於一身,匯秀水東下”的詠句讚美赤水河。茅台鎮還具有極特殊的自然環境和氣候條件。它位於貴州高原最低點的盆地,海拔僅440米,遠離高原氣流,終日雲霧密集。夏日持續35—39℃的高溫期長達5個月,一年有大半時間籠罩在悶熱、潮濕的雨霧之中。這種特殊氣候、水質、土壤條件,對於酒料的發酵、熟化非常有利,同時也部分地對茅台酒中香氣成分的微生物產生、精化、增減起了決定性的作用。可以說,如果離開這裡的特殊氣候條件,酒中的有些香氣成分就根本無法產生,酒的味道也就欠缺了。
歷史淵源
茅台酒作為世界三大名酒和中國三大名酒“茅五劍”之一,已有800多年的歷史。1915年在巴拿馬萬國博覽會上榮獲金質獎章、獎狀。建國後,茅台酒又多次獲獎,遠銷世界各地,被譽為“世界名酒、“祖國之光”。
茅台鎮茅台酒之所以被譽為“國酒”,是由其悠久的釀造歷史、獨特的釀造工藝、上乘的內在質量、深厚的釀造文化,以及歷史上在中國政治、外交、經濟生活中發揮的無可比擬的作用、在中國酒業中的傳統特殊地位等綜合因素決定的,是三代偉人的厚愛和長期市場風雨考驗、培育的結果。亦得到人民民眾在實際的生活品味和體驗中的讚譽之聲,因而當之無愧。
據傳遠古大禹時代,赤水河的土著居民——濮人,已善釀酒。
漢代,今茅台鎮一帶有了“枸醬酒”。《遵義府志》載:枸醬,酒之始也。司馬遷在《史記》中記載:建元六年(前135年),漢武帝令唐蒙出使南越,唐蒙飲到南越國(今茅台鎮所在的仁懷縣一帶)所產的構醬酒後,將此酒帶回長安,敬獻武帝,武帝飲而“甘美之”,並留了“唐蒙飲構醬而使夜郎”的傳說。這成為茅台酒走出深山的開始,此後,一直作為朝廷貢品享盛名於世。
唐宋以後,茅台酒逐漸成為歷代王朝貢酒,通過南絲綢之路,傳播到海外。
到了清代,茅台鎮酒業興旺,“茅台春”、“茅台燒春”、“同沙茅台”等名酒聲名鵲起。“華茅”就是茅台酒的前身。康熙四十三年(1704年),“偈盛燒房”將其產酒正式定名為茅台酒。清《舊遵義府志》所載,道光年間,“茅台燒房不下二十家,所費山糧不下二萬石。”道光二十三年(1843年),清代詩人鄭珍詠贊茅台“酒冠黔人國”。
1949年前,茅台酒生產凋敝,僅有三家酒坊,即:華姓出資開辦的“成義酒坊”、稱之“華茅”;王姓出資建立的“榮和酒房”,稱之“王茅”;賴姓出資辦的“恆興酒坊”,稱“賴茅”。一九五一年,政府通過贖買、沒收、接管的方式將成義(華茅)、榮和(王茅)、恆興(賴茅)三家私營釀酒作坊合併,實施三茅合一政策——國營茅台酒廠成立。
生產情況
2015年,茅台酒銷售收入419.12億元,利潤227.22億元。
2016年,茅台酒及系列酒基酒共生產約為6萬噸,其中茅台酒基酒約為3.9萬噸,系列酒基酒約為2.1萬噸。茅台酒實現銷售量同比增長37.6%,實現銷售額同比增長40.6%。
2017年,茅台酒基酒產量達42771噸,完成年計畫的130.9%,入庫合格率為99.96%。
產品榮譽
國際獎項
1985年,茅台酒獲法國巴黎國際美食及旅遊委員會金桂葉獎。
1986年,茅台酒獲法國巴黎第十二屆國際食品博覽會金牌獎。
茅台酒1989年,茅台酒獲北京首屆國際博覽會金獎。
1991年,茅台酒獲北京第二屆國際博覽會金獎。
1992年,茅台酒獲日本東京第四屆國際名酒博覽會金獎。
1992年,茅台酒獲首屆美國國際名酒大賽金獎。
1992年,茅台酒獲香港國際食品博覽會最高金獎。
1993年,法國波爾多國際酒展,53°、43°、38°茅台酒被授予特別榮譽獎。
1994年,茅台酒獲第五屆亞太國際貿易博覽會金獎。
1994年,在紀念巴拿馬萬國博覽會80周年國際名酒品評會上,茅台酒榮獲紀特別金獎第一名。
國內獎項
1952年,茅台酒獲全國土產交流會名酒。
1953年,茅台酒獲全國第一屆評酒會國家名酒金獎。
1963年,茅台酒獲全國第二屆評酒會國家名酒金獎。
1979年,茅台酒獲全國第三屆評酒會國家名酒金獎。
1984年,茅台酒獲全國第四屆評酒會國家名酒金獎。
1989年,茅台酒獲全國第五屆評酒會國家名酒金獎。
1989年,茅台酒獲中國首屆食品博覽會金獎。
1990年,茅台酒獲輕工部金獎。
茅台酒1991年,茅台酒系列產品獲全國出口優質產品稱號。
1992年,茅台酒獲全國消費者信得過產品優質獎。
1992年,茅台酒獲中華百絕博覽會特別獎。
1993年,茅台酒獲中國黃果樹山水風光游暨中國國際名酒節榮獲特別獎。
1994年,茅台酒獲中國名優精品金獎。
1994年,茅台酒獲全國最暢銷國產商品——金橋獎。
1999年,茅台酒通過“綠色食品”認證。
2001年,茅台酒通過“有機食品”認證。
2001年,茅台酒通過“原產地域保護產品”認證。
2001年,茅台酒通過ISO9002品質管制體系認證。
2001年,茅台酒通過ISO14001環境管理體系認證。
2003年02月14日,原國家質檢總局批准對“茅台酒”實施原產地域產品保護。
2013年03月28日,原國家質檢總局批准調整“茅台酒”(貴州茅台酒)地理標誌產品保護名稱和保護範圍。
地理標誌
地域保護範圍
茅台酒(貴州茅台酒)產地範圍為貴州省仁懷市茅台鎮內,南起茅台鎮地轄的鹽津河出水口的小河電站為界,北止於茅台酒廠一車間的楊柳灣,並以楊柳灣羊叉街路上到茅遵公路段為北界,東以茅遵公路至紅磚廠到鹽津河南端地段為界,西至赤水河以赤水河為界,約7.5平方千米。從該範圍往南延伸,地處赤水河峽谷地帶,東靠智動山、馬福溪主峰,西接赤水河,南接太平村以堰塘溝界止,北接鹽津河小河口與原範圍相接,延伸面積約7.53平方千米,總面積共約15.03平方千米。
質量技術要求
一、原料
茅台酒生產工藝1.高粱:貴州省仁懷市及金沙縣、習水縣現轄行政區域內生產的糯高粱(俗稱紅纓子),澱粉含量不低於60%,其中支鏈澱粉占總澱粉的比例不低於88%,並符合國家有關要求。
2.小麥:澱粉含量不低於60%,並符合國家有關要求。
3.水:水源位於赤水河與鹽津河交匯處赤水河上段,符合國家生活飲用水標準要求。
二、釀造環境
制酒制曲區域土壤為紫紅土,海拔420至600米。
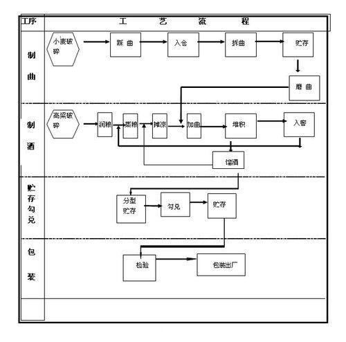
三、生產工藝流程及特點
1.生產工藝流程:
茅台酒的生產工藝流程,主要分為四個大的工序:
生產工藝流程2.主要工藝流程及要求:
(1)制曲:小麥經破碎,加入母曲和水製成曲胚,用稻草間隔入倉發酵40天后拆曲,貯存6個月後投入制酒生產。
(2)制酒:
①投料階段:重陽開始分2次投料,即下沙和造沙(沙指高粱)。下沙高粱經破碎後加熱水潤糧,次日加母糟蒸糧,下甑攤晾,之後加曲和尾酒拌勻堆積,達到工藝要求,入窖發酵30天后開窖取醅,再與造沙經破碎、潤糧後的高粱拌勻,從蒸糧開始重複上述工序。
②餾酒階段:餾酒階段共有7個輪次,每個輪次均經攤晾、加曲、堆積、入窖和餾酒操作。
制酒過程共經歷9次蒸煮(餾),8次攤晾、加曲、堆積、入窖,7次取酒,一年一個生產周期。
(3)貯存勾兌:基酒(輪次酒)分醬香、醇甜香、窖底香3種典型體貯存於陶壇中,將不同輪次、不同典型體、不同酒度、不同酒齡的基酒進行勾兌,勾兌後貯存於陶壇。貯存勾兌工序至少歷經3年。
(4)包裝:勾兌後的酒經檢驗合格後,採用不透明容器包裝出廠。
四、質量特色
1.感官特色:
| 項目 | 52%vol | 53%vol | 43%vol |
| 色澤 | 微黃透明、無懸浮物、無沉澱 | 無色(或微黃)透明、無懸浮物、無沉澱 | 清澈透明、無懸浮物、無沉澱 |
| 香氣 | 醬香突出、老熟香明顯、幽雅細膩、空杯留香持久 | 醬香突出、幽雅細膩、空杯留香持久 | 醬香顯著、幽雅細膩、空杯留香持久 |
| 口味 | 老熟味顯著、幽雅細膩、醇厚、豐滿、回味悠長持久 | 醇厚豐滿、回味悠長 | 豐滿醇和、回味悠長 |
| 風格 | 醬香突出、幽雅細膩、醇厚、豐滿、老熟香味舒適顯著、回味悠長,空杯留香持久 | 醬香突出、幽雅細膩、醇厚豐滿、回味悠長,空杯留香持久 | 具有貴州茅台酒獨特風格 |
2.理化指標:
| 項目 | 52%vol | 53%vol | 43%vol |
| 酒精度 (20℃)/(%vol) | 52.0 | 53.0 | 43.0 |
| 總酯(以乙酸乙酯計)/(克/升)≥ | 2.50 | 2.50 | 2.00 |
| 注:酒精度允許公差為±1%vol。 | |||
3.安全及其他質量技術要求:產品安全及其他質量技術要求必須符合國家相關規定。
專用標誌使用
茅台酒(貴州茅台酒)產地範圍內的生產者,可向貴州省質量技術監督局提出使用“地理標誌產品專用標誌”的申請,經貴州省質量技術監督局審核,報質檢總局核准後予以公告。茅台酒(貴州茅台酒)的法定檢測機構由貴州省質量技術監督局負責指定。
歷史文化
毛澤東
毛澤東“收藏”的茅台藥酒不少人都知道,毛澤東並不喜歡飲酒,但不善飲酒的毛澤東對茅台酒卻十分關心。
有著國酒美稱的茅台酒在國內外享有巨大聲譽。有些人為了進行仿造,採用化學、物理、生物等是幾種最先進的現代化科研手段,對茅台酒乃至茅台酒生產地的水文、地理、植物、氣象一一進行了全面的反覆的研究,企圖破譯茅台酒的釀酒秘方,但卻一無所獲。50年代,在一次會議的間隙,毛澤東主席把當時任貴州省委書記的周林請到了自己的身邊,親切地拉著他的手,用一口地道的湖南腔問道:“老周,你不是貴州仁懷人嗎?你給我說說,你們的茅台酒究竟是用什麼神水搞的?那么香,那么美,讓那么多人神魂顛倒地在研究它?”
老家距茅台鎮僅有10多公里的周書記回答說:“主席,哪有什麼神水,就是用您長征四渡赤水的那個水搞的。”
毛主席聽後爽朗一笑說:“對我是不是也保密啊?”“對主席哪有什麼密可保。”
聽到這裡,毛主席高興地說:“果真如此那就太好了!既然有這么多的神水,茅台酒,為何不搞它個一萬噸呢?”
東方鏇風周恩來日內瓦會議成功靠“兩台”
一代名相周恩來總理一生最重“茅台”,最關心“茅台”,也深受茅台人民的敬重和愛戴。他一生與茅台酒有說不完的故事,這裡只摘取他用茅台酒作為外交的一朵浪花。
1950年6月,韓戰爆發。兩個多月後,美國軍隊在仁川登入,越過三八線,中國的國家安全受到嚴重威脅。中朝兩國軍隊和以美國為代表的聯合國十六國軍隊整整打了三年,終於迫使他們坐下來在停戰協定上籤了字。
1954年4月,為了解決停戰後的朝鮮統一問題,為了和平解決印度支那問題,周恩來率代表團前往瑞士日內瓦出席國際會議。
茅台酒這是新中國領導人在國際政治舞台上第一次正式亮相,引起了輿論界極大興趣。相繼到達日內瓦的有那時候世界風雲一時的政治家和外交家。其中有:美國國務卿杜勒斯,蘇聯外交部長莫洛托夫,英國外交大臣艾登,法國外交部長皮杜爾。
新中國第一次以五大國之一的地位參加國際會議,使一直不承認新中國的西方國家在事實上不得不認可中國的國際地位。
對國務院總理兼外交部長的中國代表團團長周恩來,外國記者說:這是一個年輕的紅色外交家率領著一批更為年輕的紅色外交家。不久,他們才從周恩來傳奇生涯的簡歷中,知道他是中國傑出的政治家、軍事家和外交家。
周恩來在日內瓦會議上,以驚人的智慧和才能,積極靈活的展開外交。在會議召開的第二天,便以中國代表團的名義舉行了招待會,招待各國代表、新聞記者和國際友人,茅台酒以其優秀的品質,一下子成了宴會上的話題。賓主十分高興,在品評著茅台酒中頻頻舉杯溝通感情,茅台酒在與會國家的代表中出盡了風頭。
在和西方國家代表唇槍舌戰的時候,《梁山伯與祝英台》這部充滿人情味的中國戲劇片也成了日內瓦會議場外的熱門話題。為了讓西方人了解中國文化和中國人的感情,周恩來把片名翻譯為《中國的羅密歐與朱麗葉》,隨後又送給了住在萊蒙湖畔的電影藝術大師卓別林(卓別林也是在這次會上第一次喝茅台而把它稱為“真正的男子漢喝的美酒”)。
因此,雲集日內瓦的外交官們感慨地說:周恩來不僅用藝術促進了外交,同時也把外交變成了一門藝術。
回國後,周恩來總理向黨中央匯報時,感慨頗深地說:“在日內瓦會議上幫助我們成功的有‘兩台',一台是‘茅台',一台是戲劇《梁山伯與祝英台》。”
首相醉茅台
1984年12月19日下午5日時半,中英兩國在北京人民大會堂聯合法發表聲明,正式舉行簽字儀式,這是關係香港前途具有歷史意義的一刻,應邀前來參加這次簽名儀式的有一百零一位香港各界人士,他們親友目睹這一莊嚴的儀式。世界人民以及十億中國人民,包括香港五百五十萬市民,都從螢屏上觀看到中英關係史上閃光的一頁。
英國前首相瑪格麗特。柴契爾夫人在即將訪問中國之際,一向對妻子關懷備、體貼入微的丈夫柴契爾再三告訴他她,到中國後,千萬要注意,不要被中國的茅台酒醉倒。
簽字儀式結束,這位年過花甲,但卻依然風姿焯約的柴契爾夫人,步伐輕盈,十分瀟灑地進入宴會廳,正為中英雙方處理好香港歸還中國問題這件大事而高興。國宴開始,由中央領導人主持,懸掛國旗,席間致祝酒辭,按照慣例,宴會用的是茅台酒。柴契爾夫人一來心裡高興,二來自持海量,早把臨別時丈夫的忠告忘的一乾二淨。在賓主熱烈友好的氣氛中她竟接連喝了三杯。這三杯茅台酒下肚,柴契爾夫人竟飄飄然起來,可她還言不由衷的說道:“好酒,好酒我沒醉。”意思是還想再喝,香港總督尤德爵士一看不妙,擔心柴契爾夫人在高興中喝多了會鬧出笑話,便和英國駐華大使伊文思攙扶著她回釣魚台國賓館休息。當柴契爾夫人步出宴會廳,抬腳下漢白玉石梯的時候,突然推開了攙扶她的尤德爵士和伊文思,要回頭看一下中國人民大會堂的風采。當她抬頭看著莊嚴肅穆的人民大會堂,不知是出於激動,還是茅台酒的功力發作,她踉蹌了一下,差點摔了一跤。 各國記者正準備拍下這個鏡頭,可惜,說時遲那時快,柴契爾夫人很快被伊文思和尤德扶了起來,大家都連說:“可惜!”
柴契爾夫人回到英國,看到“美聯社”專門報導了她因喝茅台,醉倒在中國人民大會堂國徽下時,夫妻倆不禁歡快的笑了起來。
電話調酒毛澤東送金日成“茅台”
在茅台酒廠集團公司,珍藏著數張毛澤東主席和外賓用茅台酒碰杯的照片。其中,有兩張是毛主席和朝鮮人民民主共和國首相金日成碰杯的鏡頭。這兩張照片正好拍攝角度相反,但金日成面帶笑意,微露白齒,虔誠而敬重毛主席的神情清晰躍然。毛主席沉穩睿智的目光停留在杯上,卻又分明在感受著金日成注視和問候的眼神。他的大手輕握著盛滿茅台酒的高腳玻璃杯,自然微舉對著金日成熱情伸出的酒盞,一切盡在不言的特定歷史環境中。這是一張60年代的照片。
毛澤東和金日成,是朋友,是戰友,是同志,也可以說是酒友。因為金日成喜歡喝茅台酒,毛澤東投其所好,便送他茅台酒。
那時1973年3月,春光明媚的季節。金日成向毛澤東提起了茅台酒,毛澤東心領神會,一個電話到中央軍委,指定要1952年生產的茅台酒三箱,速用飛機送北京,兩箱送金日成,一箱留在中央。
“火燒”白宮“火燒”白宮
1972年2月底,尼克森與周恩來簽訂中美上海《聯合公報》後返回華盛頓。訪華的成功使他興奮不已,周恩來燃酒的即興表演亦縈於腦際。他向女兒特里西婭講述訪華的趣味時,也想讓她領略茅台酒的“厲害”。他把一瓶茅台酒倒進碗裡點著了火。豈知藍色的火焰跳躍著,越燒越旺,竟不熄滅,不一會便將盛酒的碗燒炸開。冒著火焰的茅台酒霎時流滿了桌面,使這個“美國第一家庭”的全體成員大為驚駭,手忙腳亂的奮力撲救,才把這場“火災”撲滅。事後,基辛格曾幽默地說:“撲滅這場火是防止了一場國家的悲劇。否則的話,尼克森政府會提前收場。”就在1974年和鄧小平會談時,基辛格還提到這件事,並意味深長的對鄧小平說:
“你知道嗎?……所以說你們差點燒掉白宮。”
尼克森想效仿周恩來作燃酒的表演,卻忽視了量的多少這個實質問題。周恩來點的是一小杯,尼克森燃的卻是一大碗,難怪“茅台”能讓尼克森一家大為愕然的充當消防隊員了。
相關事件
2018年5月25日,國家商標評審委員會根據有關法律法規,結合行業及相關方意見,對貴州茅台酒廠(集團)有限責任公司提出的“國酒茅台”商標註冊申請,複審決定“不予註冊”。
2018年8月13日,貴州茅台酒廠(集團)有限責任公司宣布,放棄“國酒茅台”商標註冊申請,撤銷訴訟申請,並向國家商標評審委員會致歉。
中國最有價值十大白酒品牌
| 中國最有價值十大白酒品牌。 |

