前文介紹
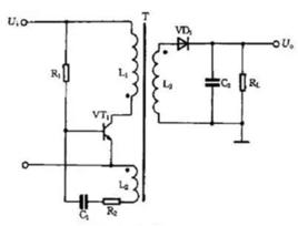
當接入電源後在R1給開關管VT1提供啟動電流,使VT1開始導通,其集電極電流Ic在L1中線性增長,在L2中感應出使VT1基極為正,發射極為負的正反饋電壓,使VT1很快飽和。與此同時,感應電壓給C1充電,隨著C1充電電壓的增高,VT1基極電位逐漸變低,致使VT1退出飽和區,Ic開始減小,在 L2中感應出使VT1基極為負、發射極為正的電壓,使VT1迅速截止,這時二極體VD1導通,高頻變壓器T初級繞組中的儲能釋放給負載。在VT1截止時, L2中沒有感應電壓,直流供電輸人電壓又經R1給C1反向充電,逐漸提高VT1基極電位,使其重新導通,再次翻轉達到飽和狀態,電路就這樣重複振盪下去。這裡就像單端反激式開關電源那樣,由變壓器T的次級繞組向負載輸出所需要的電壓。
優勢
自激式開關電源中的開關管起著開關及振盪的雙重作從,也省去了控制電路。電路中由於負載位於變壓器的次級且工作在反激狀態,具有輸入和輸出相互隔離的優點。這種電路不僅適用於大功率電源,亦適用於小功率電源。
自激式開關穩壓電源是一種利用間歇振盪電路組成的開關電源,也是目前廣泛使用的基本電源之一。

