概念
能耗制動是一種套用廣泛的電氣制動方法。當電動機脫離三相交流電源以後,立即將直流電源接入定子的兩相繞組,繞組中流過直流電流,產生了一個靜止不動的直流磁場。此時電動機的轉子切割直流磁通,產生感生電流。在靜止磁場和感生電流相互作用下,產生一個阻礙轉子轉動的制動力矩,因此電動機轉速迅速下降,從而達到制動的目的。當轉速降至零時,轉子導體與磁場之間無相對運動,感生電流消失,電動機停轉,再將直流電源切除,制動結束。
原理
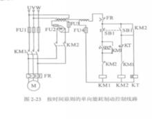
能耗制動可以採用時間繼電器與速度繼電器兩種控制形式。圖2.23為按時間原則控制的單向能耗制動控制線路。
能耗制動線路原理如下。
按下啟動按鈕SB2:
接觸器KM1得電投入工作,使電動機正常運行,KM1與KM2互鎖,接觸器KM2和時間繼電器KT不得電。
按下停止按鈕SB1:
(1)KM1線圈失電,主觸點斷開,電動機脫離三相交流電源。
(2)KM1輔助常閉觸點復位,KM2與KT線圈相繼得電,KM2主觸點閉合,將經過整流後的直流電壓接至電機兩相定子繞組上開始能耗制動。
從能量角度看,能耗制動是把電動機轉子運轉所儲存的動能轉變為電能,且又消耗在電動機轉子的制動上,與反接制動相比,其能量損耗少,制動停車準確。所以,能耗制動適用於電動容量大、要求制動平穩和啟動頻繁的場合,但制動速度較反接制動慢一些,能耗制動需要整流電路。
根據左手定則確定出轉子電流和恆定磁場作用所產生的轉矩方向與轉子轉速方向
能耗制動單元英威騰DBU系列相反,故為制動轉矩,此時電機把原來儲存的動能或重物的位能吸收後變成電能消耗在轉子電路中。能耗制動就是將運行中的電動機,從交流電源上切除並立即接通直流電源,在定子繞組接通直流電源時,直流電流會在定子內產生一個靜止的直流磁場,轉子因慣性在磁場內鏇轉,並在轉子導體中產生感應電勢有感應電流流過,並與恆定磁場相互作用消耗電動機轉子慣性能量產生制動力矩,使電動機迅速減速,最後停止轉動。
特點
能耗制動的特點是制動平穩、準確、能耗低,但需配備直流電源。

