簡介
執行標準:DL/ T 846.7~2004
主要特點
本儀器設有自動檢測功能,開機自動進入復位狀態執行調壓器回零;根據用戶需求可改變測試次數、攪拌靜置時間、聲控光控提醒連續列印與非列印;本儀器採用全自動磁振子攪拌,消除油樣的不均勻和氣泡;採用了微型TPU-A面板式印表機,自動列印輸出。
①單片計算機控制,點陣式液晶顯示(字元20X4)
②帶面板式印表機
③自動,手動可自成系統,也可密切合作
④一體化結構,環氧澆注升壓器
⑤油杯間隙:2.5mm(油杯塞尺直徑)
⑥全自動磁振子攪拌,消除油樣的不均勻和氣泡
主要特性
| 1、 | 全自動測量:設定完畢,只需按測試鍵即可完成全部工作(自動攪伴、自動靜置、自動升壓、自動降壓、自動記錄擊穿電壓值、自動計算各次平均擊穿電壓值、自動列印測量結果)。試驗完畢,聲音提示。 |
| 2、 | 本儀器設有自動檢測功能,開機自動執行調壓器回零,進入正常待機狀態。 |
| 3、 | 根據用戶需求可改變測試次數、攪拌時間、靜置時間。 |
| 4、 | 本儀器採用全自動磁振子攪拌,消除油樣的不均勻和氣泡。 |
| 5、 | 採用了微型TPU-A面板式印表機,自動漢化列印輸出。 |
技術參數
>工作電源:AC220V ±10%、50HZ ±5%
>測量範圍:AC 0-80KV
>限定電流:5mA
>測量精度:1%
>調壓速度:2KV/S±10%
>預定設定:次數1-9攪拌時間 0-1分39秒靜置時間 0-10分39秒
>使用條件:環境溫度0℃-35℃相對濕度≤75%
>油杯間隙:2.5mm(油杯塞尺直徑)
>體積: 415×315×315mm
>重量:23kg
技術指標
1、工作電源:AC220V ±10%、50HZ ±5%
2、測量範圍:AC 0-80KV
3、限定電流:5mA
4、測量精度:1%
5、調壓速度:2KV/S±10%
6、預定設定:
次數:1-9
攪拌時間 0-1分39秒
靜置時間 0-10分39秒
7、使用條件:
環境溫度0℃-35℃
相對濕度≤75%
8、功 率:300VA
9、油杯間隙:2.5mm(油杯塞尺直徑)
10、體 積:415×315×315mm311、重 量:28kg
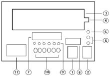
面板說明
絕緣油測試儀(1) 電源開關 (2) 電源插座
(3) 高壓艙 (4) 安全開關
(5) 安全接地 (6) 3A保險
(7) 顯示屏 (8) 設定盤
(9) 指示燈 (10) 鍵盤
(11) 印表機
安全注意事項
1.因本儀器是絕緣油介電強度專用測試設備,不可另作它用,非專業維修人員使用者不得隨意開箱。
2.使用時安全接地與機箱外殼,應良好接地。
3.在升壓過程中,不得隨便接觸本儀器,以免發生高壓危險。
4.本儀器的專用油杯,不得隨意作高溫烘乾處理。
操作規程
1. 輸入電源
連線安全接地,插入220V交流電源,檢測電源正確無誤。
2. 取油樣
2.1將油杯兩電極間距調整在2.5mm ;逆時針旋下油杯軸桿一端的塞尺棒,將另一端電極調整在偏中位置,將鎖住此軸桿的螺釘旋緊,取塞尺棒於兩電極間靠緊兩電極,鎖住螺釘取出塞尺,順時針旋於原軸桿內。
(1) 高壓艙 (2) 高壓柱
(3)軸桿 (4) 電極
(5) 塞尺 (6) 油杯
(7)軸桿固定螺絲 (8) 磁振子
2.2將油杯處理乾淨,置乾淨的磁振子於油杯內,注滿準備好的油樣,取下高壓罩置油杯於高壓艙兩高壓柱間,平穩放置蓋上高壓罩壓好安全開關。
3. 預定設定
3.1設定值共有6位預選盤:
| 次 數 | 時 間 設 置 | ||||
| 攪 拌 | 靜 置 | ||||
| — | — | — | — | — | — |
| 6 | 6 | 0 | 5 | 0 | 0 |
| + | + | + | + | + | + |
①表示次數設定,按"+""-"號可從1-9 位數選取您所需測試的次數。
②③表示攪拌時間設定,②表示十位③表示個位,1分39秒表示數為99即60秒+39秒。
④⑤⑥表示靜置時間設定,④表示"分"個位 ⑤表示"秒"十位⑥表示"秒"的個位,10分39秒表示數為999 即9分+60秒+39秒。
例:按測試要求第一次取油樣需靜置十分鐘以上。第二次以後油品都需靜置五分鐘以上,攪拌可自動設定。
4. 功能鍵操作
功能鍵共有6個,屬點動鍵,按一下便可回應工作。
4.1待測試時按"測值"鍵,攪拌、靜置、升壓、列印各功能會按設定的數值順序而行。
4.2在升壓過程中按"停止"鍵,就會停止升壓,數碼顯示上的數值就是此時高壓端正輸出的高壓值,可保持同步不變,按住此鍵不放可調低高壓輸出值,按停止鍵不會改變原運行狀態,只要再按測值鍵繼續恢復運行。
4.3第一次升壓油樣擊穿後,聲控提醒連續"嘀"一短聲20秒,第二次後"嘀"二短聲,第六次"嘀",一長聲一短聲,第七次"嘀"一長聲二短聲,待平均值顯示完後"嘀"不間斷響20秒,如果不用聲控提醒,按一下聲控鍵就進入光控提醒,光控指示燈亮,閃亮次數同"嘀"響聲次數一樣, 再按聲控鍵無效,保持光控不變,需再次打開電源時聲控有效。
4.4測試完後,如想再查看數據時,按"顯示""列印"鍵,此兩鍵屬重複使用鍵,按"顯示"鍵一次顯示一次測試值,直到顯示平均值,重複顯示完畢。按"列印"鍵時,重複列印電壓值時間不在列印。
4.5當按動"復位"鍵時,顯示為 OCPU 英文字樣表示為復位到位後初始等待狀態,簡稱初態或OCPU狀態,與在測試升壓過 程中按"復位"鍵,將不進入初態, 同油樣擊穿時的情況一樣,繼續運行不改變原運行狀態,如連續再按"復位"鍵此時確認為"復位"轉而進入初態。
5. 開機等待
置電源開關於"ON",本機進入自檢狀態,印表機回應指示燈亮,顯示屏顯示OCPU字樣,如調壓器不在零位,顯示DIJJ字樣此表示復位過程,下降指示燈亮,下降到零位後顯示為OCPU初始等待狀態。
6. 測值
點動"測值"鍵,開始按照預先設定的數值運行;攪拌 指示燈亮磁振子快速旋轉,顯示屏第一位數碼顯示第一次次數,後三位顯示攪拌時間;攪拌完畢,振子停止攪拌指示燈滅,靜置指示燈亮開始靜置,指示燈滅後,合閘、升壓指示燈亮,進入顯示同步升壓,此時顯示屏後三位數碼顯示為電壓(00.0KV)待油樣擊穿後,升壓電源自動分閘,顯示屏停止顯示5秒,印表機列印時間、電壓值;調壓器下降,下降指示燈亮,攪拌指示燈亮第二次測試開始, 同時列印、顯示屏顯示擊穿電壓,顯示次數值閃爍,聲控提醒;調壓器回零後,下降指示燈滅、顯示停止閃爍、聲控消失,接著第二次測試;所有測試次數運行完畢後,顯示屏顯示總次數的平均值,用英文字母表示(A、B、C、D、E、F、G、H、y)如僅測試一次顯示為A24.3KV,如測試六次顯示為F24.3KV;然後列印電壓平均值,油樣測試完畢,此時可重複顯示、列印,按復位鍵後,所有數據消失。
在OPCU狀態下取出油樣,便可更換新油樣再次試驗, 測試完畢在復位狀態下OFF位置關上電源。
測試時指示燈運行過程:
攪拌 時間內,攪拌指示燈亮
靜置時間內,靜置指示燈亮
升壓過程中,上升、合閘指示燈亮
油樣激穿後,調壓器回零,下降指示燈亮
同時下一次攪拌時間開始,攪拌指示燈亮
油樣激穿後,可以選擇光控,光控指示燈亮
維護與保養
1.測試完後用油清洗油杯,用柔軟的麂皮或綢布擦淨電極表面保持光潔,注滿清潔乾燥的油保護油杯。
2.使用或存放本儀器應在乾燥、通風安全的地方。
儀器裝箱單
1、 使用說明書 1份
2、 印表機說明書 1份
3、 專用油杯 1隻
4、 電源線 1根。
