液化天然氣
屬性:
液化天然氣(LiquefiedNaturalGas,簡稱LNG),主要成分是甲烷,被公認是地球上最乾淨的能源。無色、無味、無毒且無腐蝕性,其體積約為同量氣態天然氣體積的1/625,液化天然氣的重量僅為同體積水的45%左右。其製造過程是先將氣田生產的天然氣淨化處理,經一連串超低溫液化後,利用液化天然氣船運送。燃燒後對空氣污染非常小,而且放出熱量大,所以液化天然氣好。
液化天然氣是天然氣經壓縮、冷卻至其沸點(-161.5攝氏度)溫度後變成液體,通常液化天然氣儲存在-161.5攝氏度、0.1MPa左右的低溫儲存罐內。其主要成分為甲烷,用專用船或油罐車運輸,使用時重新氣化。20世紀70年代以來,世界液化天然氣產量和貿易量迅速增加,2005年LNG國際貿易量達1888.1億立方米,最大出口國是印度尼西亞,出口314.6億立方米;最大進口國是日本763.2億立方米。
名片:
中 文 名:液化天然氣 英文名:LiquefiedNaturalGas 分子量:16.04
CAS登錄號:74-82-8 密度:0.42~0.46g/cm3 危險性:符號易燃氣體
歷史由來:
1941年在美國克利夫蘭建成了世界第一套工業規模的LNG裝置,液化能力為8500m3/d。從60年代開始,LNG工業得到了迅猛發展,規模越來越大,基本負荷型液化能力在2.5×104m3/d。據資料[3]介紹,各國投產的LNG裝置已達160多套,LNG出口總量已超過46.18×106t/a。
天然氣的主要成分是甲烷,甲烷的常壓沸點是-161℃,臨界溫度為-84℃,臨界壓力為4.1MPa。LNG是液化天然氣的簡稱,它是天然氣經過淨化(脫水、脫烴、脫酸性氣體)後[4],採用節流、膨脹和外加冷源製冷的工藝使甲烷變成液體而形成的[5]。
工作原理:
液化天然氣流量計是在傳統力感測器的基礎上,隨著新型感測器、電子技術的發展是廈門廈儀研製開發成的第三代電容力感應式流量計,具有很高的靈敏度、準確度,量程範圍寬。
當介質在測量管中流動時,因其自身的動能通過阻流件(靶)時而產生的壓差,並對阻流件有一作用力,其作用力的大小與介質流速的平方成正比,其數學方式表達如下:
F=CdAρ.V2/2
式中:F——阻流件所受的作用力(kg)
Cd——物體阻力係數
A——阻流件對測量管軸向投影面積(mm2)
ρ——工況下介質密度(kg/m3)
v——介質在測量管中的平均流速(m/s)
阻流件(靶)接受的作用力F,經剛性連線的傳遞件(測桿)傳至電容力感測器,電容力感測器產生電壓信號輸出:
V=KF,由此,此電壓信號經前置放大、AD轉換及計算機處理後,即可得到相應的瞬時流量和累積總量。
可測量液化天然氣的流量計主要分類:
液化天然氣靶式流量計
液化天然氣質量流量計【液化天然氣流量計參數】
產品名稱液化天然氣流量計(靶式流量計)
適用介質氣體、液體、蒸汽、漿體、稠油、高粘度介質的流量計量
管徑(DN)DN15~DN3000mm至更大
公稱壓力0.6~4MPa(指連線法蘭公稱壓力,非介質的工作壓力)
工況溫度-20~+500℃(需更高溫度請與工廠聯繫)
測量精度±0.2~±1.5%FS
量程範圍1:3(±0.2%),1:10(±0.5%),1:15(±1.5%)
殼體材質碳鋼;不鏽鋼;
供電方式內置3.6VDC鋰電池(可用兩年);外供24VDC;
輸出信號4~20mA二線制;脈衝0~1000HZ;RS485
防護等級IP65;IP67
防爆標誌本安型ExiallCT4;隔爆型ExdllCT4
表頭顯示累積流量;瞬時流量;滿量程百分比;工況壓力;工況溫度;故障自檢
連線方式管道法蘭式(DN15-300mm);插入式(DN100-N6000mm至更大)。
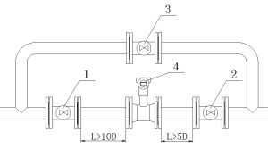
安裝要求可水平、垂直安裝;前後直管道應滿足前10D後5D(D公稱通徑)
特殊連線螺紋式;對夾式;線上拆裝式;(需特殊連線定貨時請說明)
【液化天然氣流量計產品特點】
●無可動部件,耐髒污,安裝簡便免維護
●可選用多種防腐及耐高低溫材質(如哈氏合金,鈦等)
●整機全密封無死角,無任何泄漏點,可耐42MPa高壓
●壓力損失小,僅為標準孔板的1/2△P左右
●感測器不與被測介質接觸,不存在零部件磨損,使用安全可靠
●適用介質範圍廣:能準確測量各種溫度下的氣體、液體、蒸汽流量,可測二相流
●具有多種安裝方式供選擇,如選擇線上插入式,安裝費用低
●具有一體化溫度、壓力補償,直接輸出質量或標方
●具有可選小信號切除、非線性修正、濾波時間可選擇
●計量準確,精度可達到0.2~1.5%
●重複性好,一般為0.05~0.08%,測量快速
●儀表內設自檢程式,故障現象一目了然
●抗干擾,抗雜質能力特強
●多種輸出形式,能遠傳各種參數
●抗震動性強,一定範圍內可測脈動流
【液化天然氣流量計安裝注意事項】
直管段要求:
不允許直接在流量計測量管前後端安裝閥門、彎頭等極大改變流體流態的部件,如果需要在流量計前後管道上安裝閥門、彎頭等部件也應儘量保證前後直管段長度,直管段要求前10D,後5D,對於新完工的工藝管道,應先進行初步吹掃後再安裝流量計。
直管段示意圖:
直管段示意圖