原理
可以將比較器當作一個1位模/數轉換器(ADC)。運算放大器在不加負反饋時從原理上講可以用作比較器,但由於運算放大器的開環增益非常高,它只能處理輸入差分電壓非常小的信號。而且,一般情況下,運算放大器的延遲時間較長,無法滿足實際需求。比較器經過調節可以提供極小的時間延遲,但其頻響特性會受到一定限制。為避免輸出振盪,許多比較器還帶有內部滯回電路。比較器的閾值是固定的,有的只有一個閾值,有的具有兩個閾值。
性能指標
獨立的比較器滯回電壓:比較器兩個輸入端之間的電壓在過零時輸出狀態將發生改變,由於輸入端常常疊加有很小的波動電壓,這些波動所產生的差模電壓會導致比較器輸出發生連續變化,為避免輸出振盪,新型比較器通常具有幾mV的滯回電壓。滯回電壓的存在使比較器的切換點變為兩個:一個用於檢測上升電壓,一個用於檢測下降電壓,電壓門限(VTRIP)之差等於滯回電壓(VHYST),滯回比較器的失調電壓是TRIP 和VTRIP-的平均值。不帶滯回的比較器的輸入電壓切換點為輸入失調電壓,而不是理想比較器的零電壓。失調電壓一般隨溫度、電源電壓的變化而變化。通常用電源抑制比表示電源電壓變化對失調電壓的影響。
偏置電流:理想的比較器的輸入阻抗為無窮大,因此,理論上對輸入信號不產生影響,而實際比較器的輸入阻抗不可能做到無窮大,輸入端有電流經過信號源內阻並流入比較器內部,從而產生額外的壓差。偏置電流(Ibias)定義為兩個比較器輸入電流的中值,用於衡量輸入阻抗的影響。MAX917系列比較器的最大偏置電流僅為2nA。
超電源擺幅:為進一步最佳化比較器的工作電壓範圍,Maxim公司利用NPN管與PNP管相併聯的結構作為比較器的輸入級,從而使比較器的輸入電壓得以擴展,這樣,其下限可低至最低電平,上限比電源電壓還要高出250mV,因而達到超電源擺幅(Beyond-theRail)標準。這種比較器的輸入端允許有較大的共模電壓。
漏源電壓:由於比較器僅有兩個不同的輸出狀態(零電平或電源電壓),且具有滿電源擺幅特性的比較器的輸出級為射極跟隨器,這使得其輸入和輸出信號僅有極小的壓差。該壓差取決於比較器內部電晶體飽和狀態下的發射結電壓,對應於MOSFFET的漏源電壓。
輸出延遲時間:包括信號通過元器件產生的傳輸延時和信號的上升時間與下降時間,對於高速比較器,如MAX961,其延遲時間的典型值可對達到4.5ns,上升時間為2.3ns。設計時需注意不同因素對延遲時間的影響,其中包括溫度、容性負載、輸入過驅動等的影響。
分類
限流比較器過零電壓比較器:典型的幅度比較電路,它的電路圖和傳輸特性曲線如圖。
電壓比較器:將過零比較器的一個輸入端從接地改接到一個固定電壓值上,就得到電壓比較器,它的電路圖和傳輸特性曲線如圖[xulj1]。
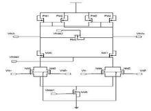
視窗比較器:電路由兩個幅度比較器和一些二極體與電阻構成,電路及傳輸特性圖如圖[xulj2]。高電平信號的電位水平高於某規定值VH的情況,相當比較電路正飽和輸出。低電平信號的電位水平低於某規定值VL的情況,相當比較電路負飽和輸出。該比較器有兩個閾值,傳輸特性曲線呈視窗狀,故稱為視窗比較器。
滯回比較器:從輸出引一個電阻分壓支路到同相輸入端,電路及傳輸特性如圖[xulj3]。當輸入電壓vI從零逐漸增大,且VI小於VT時,比較器輸出為正飽和電壓,VT稱為上限閥值(觸發)電平。當輸入電壓VI>VT’時,比較器輸出為負飽和電壓,VT’稱為下限閥值(觸發)電平。
晶片
LM324滯後比較器常見的晶片有LM324、LM358、uA741、TL081\2\3\4、OP07、OP27,這些都可以做成電壓比較器(不加負反饋)。LM339、LM393是專業的電壓比較器,切換速度快,延遲時間小,可用在專門的電壓比較場合。
選用原則
一隻比較器的工作原理簡單明了。它有一個正腳和一個負腳。當正腳上的電壓較高時,比較器的輸出就“斷言”(或驅動)一個信號。採用集電極開路輸出時,比較器的輸出腳是一隻電晶體的集電極或FET的漏極。採用推輓輸出時,比較器有一個“圖騰柱”輸出,即一個互補的NPN/PNP級,像運算放大器中的一樣。集電極開路輸出用於負載與比較器各自使用不同電源的情況。這種方案能夠實現12V的螺線管,雖然比較器可能只工作在3.3V。集電極開路輸出的另一個作用是當輸出關斷時,儘量減小靜態電流。在圖騰柱級中, N型輸出電晶體中沒有基極電流流過,而有些基極電流則總是流過兩個輸出電晶體中的一個。
不過,集電極開路輸出也有一些缺點。例如,它們需要外接上拉電阻。這些電阻必須在高阻周期內完成上拉任務,這樣當輸出低於關斷時,比較器可以更快地開關,並且上拉電阻使輸出為高。因此,當你需要對稱波形時,就不適合用集電極開路輸出,如時鐘恢復電路。如果你的電路不需要電平轉換,就應選擇推輓輸出,如採用ALD2321APC,它可以提供24mA的輸出驅動能力,靜態電流為90µA。
高速比較器也可能有一個鎖存輸出,這樣就可以將輸出保持在已知狀態,從而滿足其後方數字輸入對設定與保持時間的要求。一旦數字部分讀到了比較器的輸出,就可以釋放鎖存腳,讓輸出跟蹤輸入。
高速比較器也可能使用-5V至0V的ECL(射極耦合邏輯)電平。 PECL(正射極耦合邏輯)輸出有相同的電壓擺幅,但工作在0V至5V。另外還有RSPECL(降幅PECL)輸出。一些高速比較器的兩個輸出腳採用LVDS(低壓差分信令)輸出,圍繞一個1.2V的共模電壓以一種互補方式轉換300mV。你可以將這些輸出直接送給FPGA(現場可程式門陣列)和其它數字電路的LVDS輸入腳。
一旦建立了輸出類型,下一個要考慮的問題就是速度。製造商通常將一款比較器描述為低功耗或高速型。他們一般用CMOS工藝建立低功耗器件,而用雙極器件建立高速器件,這表示出了基本的折中:大功耗的高速、精確器件,以及低功耗的低速器件。另一個折中是增益與高速。低功耗比較器可能要70µs的轉換時間,消耗供電電流不到1µA。高速比較器的回響時間為150ps。有些器件能夠克服速度與功耗的折中。當以最高速率轉換時,比較器消耗的功率要比其靜態功耗高得多。在靜態狀態,電流低。當將比較器工作在較高速度時,必須能夠為電容充電,充電需要電流。在動態模式下,電流隨工作速度的提高而增加。功耗中的另一個因素是晶片的負載。對一個開關電流來說,電容也會成為一個負載,必須考慮到負載中的容性和阻性成份。很多器件有關斷腳,可將耗電降低到1µA以下。
與所有模擬情況一樣,只有在嚴格定義的條件下,聲明的傳播延遲才有意義,因為驅動輸入腳的程度直接影響著傳播延遲。過驅越大,器件就越快。“頻散”( dispersion)是一個器件在各種不同過驅程度下的傳播延遲值區間。過驅與速度之間的關係是一些工程師不願意將比較器速度看作轉換速率函式的一個原因。首先,你必須定義量化為一個有效轉變的輸出電平;通常最大輸出電平為10%~90%。轉換速率亦代表對過驅的一種要求,即讓傳播延遲儘可能短。
在選擇比較器時考慮的另外一個參數是噪聲。然而,製造商經常省略比較器的噪聲規格,而代之以用隨機抖動來測量噪聲。 除了通過器件增益的噪聲信號以外,輸入的孔徑誤差以及輸出的上升與下降時間也可以影響抖動。一個時鐘驅動器件不過是一個針對噪聲最佳化的較低增益比較器。設計者可以在一個CMOS器件中採用較大的輸入電晶體,降低閃爍噪聲,但這種方法增加了輸入電容。
一旦選定了輸出類型,並有了適當的速度與功耗要求,下一個考慮的問題應是比較器的額定電壓。與電源區間有關的一個因素是比較器輸入腳的允許共模電壓。很多工程師都要使用美國國家半導體公司的LM339定時器。不過,其製造商從未準備將該器件用於接近最高電壓軌的輸入上。有些器件允許你將輸出拉至高於或低於電源的電壓區間,但對其它器件,當你將輸入腳拉至低於負電源軌時,其輸出會反相。有軌至軌輸入級的比較器(擴展了輸入共模模式的範圍。這些器件有一個雙輸入級,採用與P型輸入級並聯的N型電晶體或FET。 P型輸入級的輸入電壓工作在接近地或負電壓軌處,而N型輸入級則當輸入擺至正電壓軌時工作。 IC設計者一般會使器件在第1級或低於正電壓軌2V之間作切換。有些結構能將偏移電壓降至最低,當掃過一個軌至軌器件。
比較器的另外一個重要規格是輸入偏移電流,即當器件工作時,流進或流出輸入管腳的電流量。CMOS產品有低的偏移電流,代表輸入腳ESD(靜電放電)結構中泄漏的失配。溫度每上升10°C,輸入偏移電流加倍。高速比較器的偏移電流可以很顯著,但一般不會成為問題,因為一般會用低阻電路驅動這些高速比較器。雙極器件的輸入偏移電流取決於兩個輸入之間的關係。在比較器中,一個差分輸入對的基極電壓60mV差值會在該對的集電極電流和輸入偏移電流中得到一個高10倍的差值。因此,可以讓一個引腳拉出或吸入兩倍於額定的輸入偏移電流,而另外的引腳則幾乎沒有輸入偏移電流,這取決於哪個引腳有更高的電壓。
套用
利用四個比較器構成一個電流檢測電路,可用於指示輸入電流的四種狀態,電阻“Shunt”用於將輸入電流轉換為電壓信號,R1和R2用於設定運算放大器的增益,並為比較器提供所需要的基準電壓。R4~R7可用來設定不同數字輸出狀態所對應的檢測門限。
過零比較器
過零比較器被用於檢測一個輸入值是否是零。原理是利用比較器對兩個輸入電壓進行比較。兩個輸入電壓一個是參考電壓Vr,一個是待測電壓Vu。一般Vr從正相輸入端接入,Vu從反相輸入端接入。根據比較輸入電壓的結果輸出正向或反向飽和電壓。當參考電壓已知時就可以得出待測電壓的測量結果,參考電壓為零時即為過零比較器。
用比較器構造的過零比較器存在一定的測量誤差。當兩個輸入端的電壓差與開環放大倍數之積小於輸出閾值時探測器都會給出零值。例如,開環放大倍數為106,輸出閾值為6v時若兩輸入級電壓差小於6微伏探測器輸出零。這也可以被認為是測量的不確定度。
弛張振盪器
比較器可以用於構造弛張振盪器,其中同時套用到了正反饋和負反饋。正反饋是一個施密特觸發器,這樣組成了一個多諧振盪器。而RC電路在其中增加了負反饋,導致電路開始自發振盪,使整個電路從鎖存器變成了弛張振盪器。
電平轉換使用漏極開路的比較器(例如LM393、 TLV3011和MAX9028)可以構造電平轉換器,用於改變信號電壓。選擇適當的上拉電壓可以靈活地選擇轉換的電壓值。例如使用MAX972比較器可以把±5V的信號轉換成3V信號。
模數轉換器
比較器的作用是比較一個輸入信號是否高於某一給定值,因此可以將輸入的模擬信號轉成二進制的數位訊號。包括ΔΣ調製在內的幾乎所有的數模轉換器都含有比較器,用於對輸入的模擬信號進行量化。
電壓比較器
電壓比較器可以看作是放大倍數接近“無窮大”的運算放大器。電壓比較器的功能:比較兩個電壓的大小(用輸出電壓的高或低電平,表示兩個輸入電壓的大小關係): 當”+”輸入端電壓高於”-”輸入端時,電壓比較器輸出為高電平; 當”+”輸入端電壓低於”-”輸入端時,電壓比較器輸出為低電平。
電壓比較器的作用:它可用作模擬電路和數字電路的接口,還可以用作波形產生和變換電路等。利用簡單電壓比較器可將正弦波變為同頻率的方波或矩形波。簡單的電壓比較器結構簡單,靈敏度高,但是抗干擾能力差,因此人們就要對它進行改進。改進後的電壓比較器有:滯回比較器和視窗比較器。運放,是通過反饋迴路和輸入迴路的確定“運算參數”,比如放大倍數,反饋量可以是輸出的電流或電壓的部分或全部。而比較器則不需要反饋,直接比較兩個輸入端的量,如果同相輸入大於反相,則輸出高電平,否則輸出低電平。電壓比較器輸入是線性量,而輸出是開關(高低電平)量。一般套用中,有時也可以用線性運算放大器,在不加負反饋的情況下,構成電壓比較器來使用。
可用作電壓比較器的晶片:所有的運算放大器。常見的有LM324 LM358 uA741 TL081\2\3\4 OP07 OP27,這些都可以做成電壓比較器(不加負反饋)。LM339、LM393是專業的電壓比較器,切換速度快,延遲時間小,可用在專門的電壓比較場合,其實它們也是一種運算放大器。
功能
比較器的兩路輸入為模擬信號,輸出則為二進制信號,當輸入電壓的差值增大或減小時,其輸出保持恆定。從這一角度來看,也可以將比較器當作一個1位模/數轉換器(ADC)。
比較器與運算放大器區別
視窗比較器電路視窗比較器電路
運算放大器在不加負反饋時,從原理上講可以用作比較器,但由於運算放大器的開環增益非常高,它只能處理輸入差分電壓非常小的信號。而且,在這種情況下,運算放大器的回響時間比比較器慢許多,而且也缺少一些特殊功能,如:滯回、內部基準等。比較器通常不能用作運算放大器,比較器經過調節可以提供極小的時間延遲,但其頻響特性受到一定限制,運算放大器正是利用了頻響修正這一優勢而成為靈活多用的器件。另外,許多比較器還帶有內部滯回電路,這避免了輸出振盪,但同時也使其不能當作運算放大器使用。

