關於遲滯比較器的解釋
遲滯比較器又可理解為加正反饋的單限比較器。
單限比較器,如果輸入信號Uin在門限值附近有微小的干擾,則輸出電壓就會產生相應的抖動(起伏)。在電路中引入正反饋可以克服這一缺點。
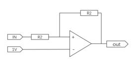
遲滯比較器的電路結構如下圖1
圖1 遲滯比較器結構圖遲滯比較器的工作原理
遲滯比較器
遲滯比較器
遲滯比較器
遲滯比較器
遲滯比較器
遲滯比較器,輸出為 ,此時, 。輸入信號由大變小時,小到比 小一點時,輸出跳變為 ,此時 。
遲滯比較器
遲滯比較器
遲滯比較器
遲滯比較器
遲滯比較器
遲滯比較器,輸出為 ,此時, 。輸入信號由小變大時,大到比 大一點時,輸出跳變為- ,此時 。
由上分析可以看出,遲滯比較器有兩個門限電壓。輸入單方向變化時,輸出只跳變一次。輸入由大變小時,對應小的門限電壓;輸入由小變大時,對應大的門限電壓。在兩個門限電壓之間,輸出保持原來的輸出。
電壓傳輸特性如圖2所示。
遲滯比較器不難看出,當輸出狀態一旦轉換後,只要在跳變電壓值附近的干擾不超過ΔU之值,輸出電壓的值就將是穩定的。但隨之而來的是解析度降低。因為對遲滯比較器來說,它不能分辨差別小於ΔU的兩個輸入電壓值。遲滯比較器加有正反饋可以加快比較器的回響速度,這是它的一個優點。除此之外,由於遲滯比較器加的正反饋很強,遠比電路中的寄生耦合強得多,故遲滯比較器還可免除由於電路寄生耦合而產生的自激振盪。
遲滯比較器門限寬度(回差)
U+:上門限,U-:下門限
遲滯比較器門限寬度
遲滯比較器↑ → 比較器靈敏度↓ → 抗干擾能力增強
遲滯比較器
遲滯比較器
遲滯比較器
遲滯比較器與 、 和 有關。
遲滯比較器作用
上拉電阻會影響比較器輸出的高電平的數值,尤其是“OC門“輸出格式的比較器),從而影響門限電壓,需要考慮。主要是影響上門限,可以把它歸入正反饋。
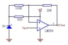
遲滯比較器電路的分析
遲滯比較器提到比較器,那么肯定會有一個基準,我們稱其為Vref,也就是圖中的那個3V的穩壓管。500Ω的電阻是穩壓管的偏置電阻,限流作用。這個Vref通過100K電阻加到了358的同相端,同時,Vout也通過20K的正反饋加到了358的同相端,這兩個電壓是疊加的,那么根據疊加定理,可以寫出同相端電壓(Vp)的公式。
遲滯比較器其門限為:
遲滯比較器
遲滯比較器門限寬度為:
遲滯比較器由358的datasheet可知,358的輸出擺幅為0-(Vcc-1.5),代入上式計算,所以該比較器的門限電壓為:
遲滯比較器
遲滯比較器即本電路的滯回範圍是4.25-0.5=3.75V。
當反相端輸入電壓超過4.25V時,比較器輸出低電平0V,當反相端電壓即輸入電壓降至0.5V以下時,比較器翻轉,輸出高電平Vcc-1.5V即,4.5V。
同時,由上面公式可知,門限寬度與基準電壓無關,只與輸出擺幅和兩電阻大小相關。

