電子套用
整流: 調整氣流、水流或電流的形態,或能對氣流、水流或電流的形態進行調整。
在電力電子方面:將交流電變換為直流電稱為AC/DC變換,這種變換的功率流向是由電源傳向負載,稱之為整流。
整流電路是利用二極體的單嚮導電性將正負變化的交流電壓變為單向脈動電壓的電路。在交流電源的作用下,整流二極體周期性地導通和截止,使負載得到脈動直流電。在電源的正半周,二極體導通,使負載上的電流與電壓波形形狀完全相同;在電源電壓的負半周,二極體處於反向截止狀態,承受電源負半周電壓,負載電壓幾乎為零。
半波整流
半波整流是利用二極體的單嚮導電性進行整流的最常用的電路,常用來將交流電轉變為直流電。
半波整流利用二極體單嚮導通特性,在輸入為標準正弦波的情況下,輸出獲得正弦波的正半部分,負半部分則損失掉。
整流右圖是一種最簡單的整流電路。
它由電源變壓器B 、整流二極體D 和負載電阻Rfz ,組成。變壓器把市電電壓(多為220伏)變換為所需要的交變電壓e2,D 再把交流電變換為脈動直流電。
下面從右圖的波形圖上看著二極體是怎樣整流的。
整流變壓器次級電壓e2,是一個方向和大小都隨時間變化的正弦波電壓,它的波形如圖所示。在0~π時間內,e2為正半周即變壓器上端為正下端為負,此時二極體承受正向電壓面導通,e2通過它加在負載電阻Rfz上。在π~2π 時間內,e2為負半周,變壓器次級下端為正上端為負。這時D承受反向電壓,不導通,Rfz上無電壓。在2π~3π時間內,重複0~π 時間的過程;而在3π~4π時間內,又重複π~2π時間的過程…這樣反覆下去,交流電的負半周就被"削"掉了,只有正半周通過Rfz,在Rfz上獲得了一個單一右向(上正下負)的電壓,如圖所示,達到了整流的目的。但是,負載電壓Usc以及負載電流的大小還隨時間而變化,因此,通常稱它為脈動直流。
這種除去半周、留下半周的整流方法,叫半波整流。不難看出,半波整流是以"犧牲"一半交流為代價而換取整流效果的,電流利用率很低(計算表明,整流得出的半波電壓在整個周期內的平均值,即負載上的直流電壓Usc =0.45e2 )因此常用在高電壓、小電流的場合,而在一般無線電裝置中很少採用。
全波整流
原理
整流全波整流使交流電的兩半周期都得到了利用。其各項整流因數則與半波整流時不同。全波整流電路如圖所示。它是由次級具有中心抽頭的電源變壓器Tr、兩個整流二極體D1、D2和負載電阻RL組成。變壓器次級電壓u21和u22大小相等,相位相反,即 u21 = - u22 = 式中,U2 是變壓器次級半邊繞組交流電壓的有效值。全波整流電路的工作過程是:在u2 的正半周(ωt = 0~π)D1正偏導通,D2反偏截止,RL上有自上而下的電流流過,RL上的電壓與u21 相同。在u2 的負半周(ωt =π~2π),D1反偏截止,D2正偏導通,RL上也有自上而下的電流流過,RL上的電壓與u22相同。可畫出整流波形如圖Z0704所示。 可見,負載RL上得到的也是一單向脈動電流和脈動電壓。其平均值分別為:GS0705流過負載的平均電流為:GS0706選擇整流二極體時,應以此二參數為極限參數。
工作過程
全波整流電路的工作過程是:在u2的正半周(ωt=0~π)D1正偏導通,D2反偏截止,RL上有自上而下的電流流過,RL上的電壓與u21相同。在u2的負半周(ωt=π~2π),D1反偏截止,D2正偏導通,RL上也有自上而下的電流流過,RL上的電壓與u22相同。可畫出整流波形如圖Z0704所示。可見,負載凡上得到的也是一單向脈動電流和脈動電壓。其平均值分別為:GS0705流過負載的平均電流為GS0706流過二極體D的平均電流(即正向電流)為加在二極體兩端的最高反向電壓為選擇整流二極體時,應以此二參數為極限參數。
作用
全波整流輸出電壓的直流成分(較半波)增大,脈動程度減小,但變壓器需要中心抽頭、製造麻煩,整流二極體需承受的反向電壓高,故一般適用於要求輸出電壓不太高的場合。
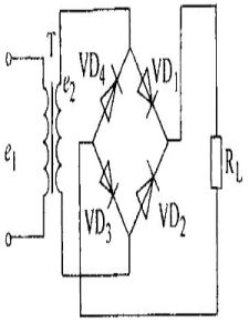
橋式整流
原理
橋式整流電路的工作原理如下:e2為正半周時,對D1、D3加正向電壓,Dl、D3導通;對D2、D4加反向電壓,D2、D4截止。電路中構成e2、D1、Rfz 、D3通電迴路,在Rfz 上形成上正下負的半波整流電壓,e2為負半周時,對D2、D4加正向電壓,D2、D4導通;對D1、D3加反向電壓,D1、D3截止。電路中構成e2、D2Rfz 、D4通電迴路,同樣在Rfz 上形成上正下負的另外半波的整流電壓。
如此重複下去,結果在Rfz 上便得到全波整流電壓。其波形圖和全波整流波形圖是一樣的。從圖5-6中還不難看出,橋式電路中每隻二極體承受的反向電壓等於變壓器次級電壓的最大值,比全波整流電路小一半。橋式整流是對二極體半波整流的一種改進。橋式整流器利用四個二極體,兩兩對接。輸入正弦波的正半部分是兩隻管導通,得到正的輸出;輸入正弦波的負半部分時,另兩隻管導通,由於這兩隻管是反接的,所以輸出還是得到正弦波的正半部分。 橋式整流器對輸入正弦波的利用效率比半波整流高一倍。
6脈整流輸入電壓電流波形圖橋式整流是交流電轉換成直流電的第一個步驟。橋式整流器 BRIDGE RECTIFIERS,也叫做整流橋堆。橋式整流器是由多隻整流二極體作橋式連線,外用絕緣塑膠封裝而成,大功率橋式整流器在絕緣層外添加金屬殼包封,增強散熱。橋式整流器品種多,性能優良,整流效率高,穩定性好,最大整流電流從0.5A到50A,最高反向峰值電壓從50V到1000V。
橋式整流的輸入電流波形有較大畸變,會對電網產生諧波污染,右圖為6脈二極體整流的輸入電壓電流波形圖。
選擇和運用
需要特別指出的是,二極體作為整流元件,要根據不同的整流方式和負載大小加以選擇。如選擇不當,則或者不能安全工作,甚至燒了管子;或者大材小用,造成浪費。
異常整流
異常整流anomalous rectification內向的整流作用。即指在膜上通電的時候,內向的電流易於流動,由此而造成的超極化的大小比同一強度的外向電流所造成的去極化要小的情況。也就是由於膜對K+的通透性隨方向而改變所引起的現象,首先是在蛙的肌肉中發現,用這種材料第一次明確地觀察到由於外液中K+濃度的增加,膜的靜止電位降到零附近的事實。另外對蝲蛄肌肉也觀察到了一般的休止電位。特別是在心肌上得到了進一步的發展,用這一材料根據去極化的改變。膜的K+通透性反而減少,這在維持動作電位的峰值上是有用的。它和延遲整流發生的方向相反,而且對膜電流變化的回響在時間上也遲,但也有在同一膜中兩種整流作用並存的情況。由於與恆場(constantfield)理論預想的整流作用方向相反,所以稱為異常整流。

