電腦配置
系統要求
搶答器連線埠:空閒的USB接口
套用軟體:Office2007
安裝方法
a)將光碟插入CD驅動器。b)運行安裝程式:搶答系統1.0.0.exe。
c)按照安裝精靈的指示進行安裝。
運行軟體
搶答器打開PowerPoint2007,會顯示搶答系統1.0.0。
軟體界面主要由以下5個模組組成:
a)題目編輯;
b)賽前設定;
c)比賽控制; d)賽後統計;e)關於。
功能介紹
1、題目編輯:對現有格式的題目(文本文檔、word、Excel)導入,2、題目刪除:刪除已經導入且不要的題目。
3、顯示/隱藏面板:對題庫列表面板、參數設定面板以及控制臺的顯示和隱藏。
4、搶答模式:搶答模式分為淘汰搶答式、快速搶答式、直接搶答式、無線搶答式。淘汰搶答式記錄所有在設定時間內搶答的台號,並播報搶答或者犯規的台號。快速搶答式只記錄第一個搶中的台號,不論是犯規還是正常搶中。直接搶答式,沒有倒計時,可設定有效搶答時間,只記錄第一個搶中的台號。無線搶答式沒有倒計時和有效搶答時間。
5、顯示主界面:用於會場開始投影界面。
6、硬體設定:設定搶答台號以及測試搶答設備的連通性。
7、軟體設定:對排行榜,聲音,加減法動畫等設定。
8、掃描台號:重新掃描所連線搶答設備。
9、搶答組設定:新建,編輯,刪除搶答組。
10、獎項設定:暫未啟用,可忽略。
11、進入搶答:搶答比賽過程中使用,對題目的類型,環節,題目的選擇等。
12、賽後統計:搶答比賽所得到結果進行導出。Excel格式。
13、關於:本軟體簡要說明。
軟體特點
功能更強大
搭配全新升級版軟體,採用嵌入式PPT設計,可支持三種格式題庫導入(文本文檔、WORD、Excel),15O道題導入只需20秒,導入的題目直接以PPT方式展現,可直接在展現頁面進行題目再修改。此款軟體還提供多種背景模板,供客戶選擇使用,點擊任何一款即可自動導入到題目中。非常簡單便捷。搶答精度更高
國內首台可以將所有選手搶答時間同步顯示出來並自動排序的搶答器,且精度高達0.00001秒。開創搶答領域新時代,讓比賽沒有爭議且更具娛樂性。主機接線更少
一條主線串連所有分組計分顯示屏;最大程度減少了布線的繁瑣。搶答模式更齊全:根據多年的大賽經驗,將各類大型賽事所用的搶答模式歸結為四種:即淘汰模式、快速式、直接式、無限時式,全部納入此款軟體,所以功能相當齊全。
搶答節奏可調
目前國內搶答器搶答開始令的語音都是固定的,客戶無法調節,新款搶答器增加了可調節功能,客戶可以根據自己的需要來自行調節比賽節奏,同時軟體還提供男生、女生兩種語音主持模式,更具人性化。軟體操作簡單
操作方面進行了多種自動識別功能,簡化比賽操作步驟,正式比賽時只需操作5、6個按鍵即可完成比賽。電子搶答器
1電子搶答器的中心構造一般都是由搶答器由單片機以及外圍電路組成,其搭配的配件不同又分為,非語音非記分搶答器和語音記分搶答器。
多適用於學校和企事業單位舉行的簡單的搶答活動。
非語音記分搶答器構造很簡單,就是一個搶答器的主機和一個搶答按鈕組成,在搶答過程中選手是沒有記分的顯示屏。
語音記分搶答器是有一個搶答器的主機和主機的顯示屏和選手的記分顯示屏。搶答按鈕
根據多年的大賽經驗搶答盒對比賽現場氣氛起到非常重要的作用。知識競賽是屬於娛樂學習的範疇,所以比賽的現場氣氛非常重要,搶答盒的2個技術指示燈可直接影響比賽氣圍:1,搶答盒行程多少。2,搶答盒體積大小。
1,搶答盒行行程。直接決定比賽的現場氣氛,而決定搶答盒行程的有2點:1,模具的行程。2,按鈕的行程。模具行程要在5~6MM為最佳,按鈕行程在2~3mm為最佳,這樣既能保證搶答的精確度,又可以保證比賽現場氛圍。搶答盒的行程如果小於5mm,,選手在搶答時場面就會顯得過於安靜,從現場看感覺還有搶答已經搶答結束了。但行程在5~6mm的選手搶答幅度就會很大,比賽氣氛就會熱鬧很多。
2,搶答盒大小要適中,如果太小的話,搶答時一般用手指點搶答,這樣太輕也不利於比賽現場氣氛,本公司設計的這種搶答盒,適用手掌大力拍打來搶答,這樣能很好的烘托出比賽的激烈程度。
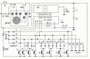
電路圖設計
搶答器電路圖設計電路原理如附圖,它由IC1和一個編碼開關以及控制器等組成。編碼開關是由IC1中的輸入端A、B、C、D與二極體和按鍵組成。驗證編碼開關是否正確,只要按住任意一個按鍵。使它有一個正電平輸入,數碼管就會顯示相應的數字來。A、B、C、D這四條編碼線。分別是1、2、4、8。3則是由1+2同時輸入一個正電平獲得,5則由1+4獲得,6則由2+4獲得,7則由1+2+4獲得,二極體是起反向截止作用的。
控制器是由可控矽和IC1的控制端(IC1的⑦、①、②、⑥腳)構成。當任意按下一個按鍵時,可控矽都會被觸發導通,使IC1的控制端始終保持有一個高電平的輸入.因此所按的數字得以鎖存。這樣,後按下的按鍵就不能起作用,數碼管就只顯示先按下的鍵號。
這裡的可控矽另一端與音樂片的正極相連,當可控矽導通時,使音樂片得以通電發聲,從而完成整個搶答功能。該音樂片上電即能觸發,也能自動停止,因此無需設暫停鍵。
當按下復位鍵時,可控矽被切斷電源而截止,IC1的控制端則由高電平轉變為低電平而清零,為下一次搶答做準備。

