基本內容
應力腐蝕(stess corrosion)
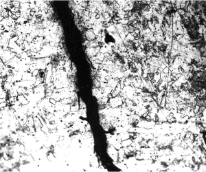
應力腐蝕導致的裂紋應力腐蝕是指零件在拉應力和特定的化學介質聯合作用下所產生的低應力脆性斷裂現象。
應力腐蝕由殘餘或外加應力導致的應變和腐蝕聯合作用產生的材料破壞過程。應力腐蝕導致材料的斷裂稱為應力腐蝕斷裂。
它的發生一般有以下四個特徵:一、一般存在拉應力,但實驗發現壓應力有時也會產生應力腐蝕。二、對於裂紋擴展速率,應力腐蝕存在臨界KISCC,即臨界應力強度因子要大於KISCC,裂紋才會擴展。三、一般應力腐蝕都屬於脆性斷裂。四、應力腐蝕的裂紋擴展速率一般為10- 6~10-3 mm/min,而且存在孕育期,擴展區和瞬段區三部分
應力腐蝕機理的機理一般認為有陽極溶解和氫致開裂
應力腐蝕試驗方法
恆變形試驗
恆變形法是使試樣發生一定的變形,對它在試驗環境中的SCC敏感性進行評定的方法。這種方法所使用的試樣形狀和手段很多,常用的有U形、C形環、彎梁試樣等,一般利用卡具或螺栓固定試樣的變形以載入應力。這種方法的優點是簡便、經濟、試樣緊湊,適合於在有限空間的容器內進行長時間的成批試驗。這類試樣通過塑性變形至預定形態,應力來自加工變形產生的殘餘應力。應力大小隨材料的力學性能、成形及加工硬化性能等而異。在這類試驗中有許多是定性的,應力不能測知,一般應力大於材料的屈服強度。因為生產中設備的殘餘應力也常達到或超過屈服強度,所以這類試樣最符合實際情況,適合於工程選材試驗。另有幾類固定應變試樣可以預先確定應力大小,通常在彈性應力範圍內,也有些達到塑性範圍。恆變形試驗方法根據不同的樣品又可分為彎梁法、C形環法、音叉試驗法、U形彎曲法和CBB法。
恆載荷試驗
利用砝碼、力矩、彈簧等給試樣加上一定的載荷而達到載入的目的,這種載入方法稱為載荷法。這種載入應力的方式往往被用來模擬工程構件可能受到的工作應力或外加應力。可採用直接拉伸載入,也可對彎曲試樣載入實現恆載荷的應力腐蝕試驗。恆載荷法雖然載入是恆定的,但試樣在暴露過程中由於腐蝕和產生裂紋其橫截面不斷減小,因此斷裂面上的有效應力是不斷增加的。與恆變形試驗相比,必然導致試樣更快斷裂。所以,恆載荷試驗條件更為嚴苛,試樣壽命更短,SCC的臨界應力更低。直接拉伸載入最簡單的方法是把試樣的一端固定,在另一端直接懸掛砝碼。對於大截面的高強度金屬材料,可以採用槓桿系統載入。實驗室試驗用的較多的是小截面試樣。與大截面試樣相比,對引發SCC具有更大的敏感性、可以更快地獲得試驗結果、試驗操作比較方便的優點。彎曲試樣載入又可分為三點載入、四點彎曲載入和懸臂樑載入三種。
慢應變速率試驗
慢應變速率試驗(SSRT),是在一定環境中將拉伸試件放入特製的慢應變速率試驗機中,以恆定不變的相當緩慢的應變速度通過試驗機十字頭位移而把載荷施加到試件以強化應變狀態來加速SCC過程的發生和發展。由於試驗處於環境室中,可在慢拉伸過程中同時研究其它因素如溫度、電極電位和溶液pH值等對應力腐蝕過程的影響。該試驗可採用無裂紋試樣或缺口試樣,將試樣在特定的腐蝕介質和惰性介質中緩慢拉斷後,就可以根據延伸率等參數的不同和斷口形貌及二次裂紋的特徵來評定特定材料—介質體系對應力腐蝕破裂的敏感性。與前兩種方法相比,慢應變速率法具有較大的優越性。首先,慢應變速率法對應力腐蝕開裂有較高的靈敏性。其次,用慢應變速率法可以得到很多有用的信息,可定量地判斷應力腐蝕破裂敏感性的大小。慢應變速率法的缺點是設備複雜,確定應變速率值的影響因素很多,對材料過分苛刻。此外慢應變速率法不能提供更多的信息,在比較腐蝕環境和空氣中的拉伸曲線時,不容易比較裂紋的潛伏期和擴展期,很難估計裂紋擴展速度。
斷裂力學試驗
斷裂力學試驗方法採用帶有預製裂紋的試樣,通常是在光滑試樣上用機械方法加工一個切口,然後用疲勞載荷在切口根部產生裂紋,也可用機械突入法等方法產生裂紋。然後對試樣加一定載荷並置入環境中進行試驗。採用預製裂紋試樣,把線彈性斷裂力學套用於應力腐蝕試驗,可以確定金屬材料在特定介質中的臨界應力場強度因子KISCC和裂紋擴展速率da/dt,確定構件中可允許的最大缺陷尺寸及構件的壽命。斷裂力學方法的優點是,試驗簡單、試驗周期較短;通過KI可以準確地確定裂紋尖端的應力狀態;不同形狀試樣的試驗結果具有可比性;試驗結果的重現性較好;可在工程設計上用於安全評定和壽命評估。斷裂力學所用的預製裂紋試樣提供了有利於裂紋發展所必須的介質電化學條件,從而縮短了孕育期。
根據環境介質的不同又可分為3.5%NaCl溶液試驗、沸騰MgCl3溶液試驗、連多硫酸溶液試驗、熱鹽法、Mattsson溶液試驗等。3.5%NaCl溶液間浸試驗主要用於試驗鋁合金和鐵基合金SCC敏感性,是一種加速試驗方法。可用於選材、質量控制檢驗和發展新合金等。沸騰氯化鎂溶液試驗是一種檢測不鏽鋼及有關合金的SCC敏感性的標準試驗。連多硫酸溶液試驗用於測定不鏽鋼或其他有關材料(Ni-Cr-Fe)在連多硫酸溶液中對延晶SCC的相對敏感性。熱鹽環境試驗是一種檢測鈦合金氫脆和SCC敏感性的試驗方法。熱鹽試驗首先用噴塗的方法在載入應力的試樣表面復蓋一層NaCl鹽膜,然後將塗鹽試樣暴露於高溫下。通常是根據合金的力學性能和預計的使用條件來確定暴露溫度和應力水平,而暴露時間隨合金、應力、溫度和選擇的破壞判據而定。pH=7.2的Mattson溶液是評定Cu-Zn合金對SCC敏感性的一種標準試驗溶液。

