簡要介紹
自激多諧振盪器利用深度正反饋,通過阻容耦合使兩個電子器件交替導通與截止,從
而自激產生方波輸出的振盪器。常用作方波發生器。
多諧振盪器是一種能產生矩形波的自激振盪器,也稱矩形波發生器。“多諧”指矩形波中除了基波成分外,還含有豐富的高次諧波成分。多諧振盪器沒有穩態,只有兩個暫穩態。在工作時,電路的狀態在這兩個暫穩態之間自動地交替變換,由此產生矩形波脈衝信號,常用作脈衝信號源及時序電路中的時鐘信號。
構成:
1、分立元件構成
2、運放構成
3、集成門電路構成
4、集成施密特觸發器組成的
5、電晶體穩頻的
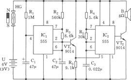
6、555積體電路組成
典型電路
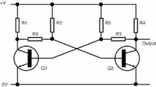
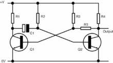
非穩態多諧振盪器電路
非穩態多諧振盪器電路圖說明了典型非穩態多諧振盪器電路的組態
。
基本操作模式此電路運作在以下兩種狀態:
狀態一
Q1導通
Q1的集電極電壓為接近0V
C1由流經R2及Q1_CE的電流放電
由於電容C1提供反電壓,使得Q2截止
C2經由R4及Q1_BE充電
輸出電壓為高(但因C2經由R4充電的緣故,較電源電壓稍低)
此狀態一直持續到C1放電完成。由於R2提供基極偏置使得Q2導通:此電路進入狀態二
狀態二
Q2導通
Q2的集電極電壓(即是輸出電壓)由高電位變為接近0V
由於電容C2提供反電壓,使Q1瞬間截止
Q1截止,使得Q1集電極電壓上升到高電位
C1經由R2及Q2_BE充電
C2流經R3以及Q2_CE的電流放電
由於電容C2提供反電壓,使得Q1截止
此狀態一直持續到直到C2放電完畢,由於R3對Q1基極提供偏置電壓,Q1導通:此電路進入狀態一
電路啟動過程當電路剛接上電源時,兩個電晶體都是截止狀態。不過,當這兩個電晶體的基極電壓一起上升時,由於電晶體製造過程中不可能把每個電晶體的導通延時控制得一樣,所以必然有其中一個電晶體搶先導通。於是此電路便進入其中一種狀態,而且也保證可以持續振盪。
振盪周期粗略的來說,狀態一(輸出高電位)的持續時間與R1、C1相關,狀態二的持續時間與R2、C2相關。因為R1、R2、C1、C2都可以自由配置,因此可以自由決定振壓周期及duty cycle。
不過,在每個狀態的持續時間是由電容在充電開始時的初始狀態(電容兩端的電壓)決定的,而這又與前一個狀態中的放電量有關;前一個階段的放電量又由放電過程中電流通過的電阻R1、R4與放電過程的持續時間決定…。總而言之,在剛啟動電路時,要花費頗長的時間把電容充電(一般而言電容兩端在未啟動時是完全放電的),不過之後的各個階段的持續時間便會變短並趨於穩定。
因為多諧振盪器是利用電流的充電過程控制周期,所以振盪周期同時也與輸出端流出多諧振盪器的電流量有關。
由於種種不穩定因素對多諧振盪器振盪周期的影響,因此在實作中通常使用更精確的計時積體電路取代單純的多諧振盪器電路。
單穩態多諧振盪器
單穩態多諧振盪器雙穩態多諧振盪器
雙穩態多諧振盪器
