具體地說,如果一開始多諧振盪器處於0狀態,那么它在0狀態停留一段時間後將自動轉入1狀態,在1狀態停留一段時間後又將自動轉入0狀態,如此周而復始,輸出矩形波。
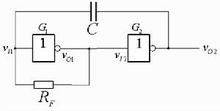
非門多諧振盪器圖6.4.1 對稱式多諧振盪器電路
對稱式多諧振盪器是一個正反饋振盪電路[圖6.4.1,]。和是兩個反相器,和是兩個耦合電容,和是兩個反饋電阻。只要恰當地選取反饋電阻的阻值,就可以使反相器的靜態工作點位於電壓傳輸特性的轉折區。上電時,電容器兩端的電壓和均為0。假設某種擾動使有微小的正跳變,那么經過一個正反饋過程,迅速跳變為1,電路進入第一個暫穩態。電容和開始充電。電容的充電電流方向與參考方向相同,正向增加;隨著的正向增加,從逐漸上升; 電容的充電電流方向與參考方向相反,負向增加。隨著的負向增加,從逐漸下降。因為經和兩條支路充電而經一條支路充電,所以充電速度較快,上升沿到時還沒有到下降沿。上升到使跳變為1。理論上,向下跳變,也將向下跳變。考慮到輸入端鉗位二極體的影響,最多跳變到1。下降到使跳變為0,這又使從向上跳變,即變成1,電路進入第二個暫穩態。經一條支路反向充電(實際上先放電再反向充電),逐漸下降。經和兩條支路反向充電(實際上先放電再反向充電),逐漸上升。的上升速度大於的下降速度。當上升到時,電路又進入第一個暫穩態。 此後,電路將在兩個暫穩態之間來回振盪。
非門多諧振盪器
| 非門多諧振盪器 |
非門多諧振盪器非對稱式多諧振盪器是對稱式多諧振盪器的簡化形式[圖6.4.6]。這個電路只有一個反饋電阻和一個耦合電容。反饋電阻使的靜態工作點位於電壓傳輸特性的轉折區,就是說,靜態時,的輸入電平約等於,的輸出電平也約等於。因為的輸出就是的輸入,所以靜態時也被迫工作在電壓傳輸特性的轉折區。
非門多諧振盪器圖6.4.6 非對稱是多諧振盪器電路
環形振盪器[圖6.4.10]不是正反饋電路,而是一個具有延遲環節的負反饋電路。
非門多諧振盪器圖6.4.10 最簡單的環形振盪器
非門多諧振盪器圖6.4.19 石英晶體多諧振盪器
石英晶體具有優越的選頻性能。將石英晶體引入普通多諧振盪器就能構成具有較高頻率穩定性的石英晶體多諧振盪器[圖6.4.19]。我們知道,普通多諧振盪器是一種矩形波發生器,上電後輸出頻率為的矩形波。根據傅立葉分析理論,頻率為的矩形波可以分解成無窮多個正弦波分量,正弦波分量的頻率為(),如果石英晶體的串聯諧振頻率為,那么只有頻率為的正弦波分量可以通過石英晶體(第個正弦波分量,),形成正反饋,而其它正弦波分量無法通過石英晶體。頻率為的正弦波分量被反相器轉換成頻率為矩形波。因為石英晶體多諧振盪器的振盪頻率僅僅取決於石英晶體本身的參數,所以對石英晶體以外的電路元件要求不高。

