背景
由於能源和經濟發展的不平衡,高壓直流輸電的大容量、遠距離的輸電優勢,在我國“西電東送,全國聯網”戰略中發揮了重要作用。然而傳統的兩端直流僅能實現點對點的直流功率傳送,隨著經濟發展和電網的建設,必然要求電網能夠實現多電源供電以及多落點受電,因此在兩端直流輸電系統上發展而來的多端直流(MTDC)輸電系統受到了越來越多的關注。
多端直流輸電系統由3個或3個以上的換流站及連線換流站之問的高壓直流輸電線路組成。它與交流系統有3個或3個以上的連線連線埠,能夠實現多個電源區域向多個負荷中心供電,比採用多個兩端直流輸電系統更為經濟。多端直流輸電系統中的換流站既可作為整流站運行,也可作為逆變站運行,運行方式更加靈活,能夠充分發揮直流輸電的經濟性和靈活性。
近年來,隨著兩端直流輸電技術的日臻完善,越來越多的國家開始積極探討和研究多端直流輸電技術的套用,如中國、印度和紐西蘭。可以預見,多端直流輸電工程將在今後的遠距離、大容量電力傳輸中發揮重要的作用。
由於多端直流輸電系統的設備製造、控制保護、模型與計算等相對兩端直流輸電系統更為複雜,許多關鍵問題也尚未得到合理解決,因此深入研究相關問題,使之理論成熟繼而實現工程化將是未來工作的重點,具有重大的理論和工程意義。
發展及實例
目前,世界上已有3項多端直流輸電工程投入運行(義大利一科西嘉一撒丁島3端、加拿大魁北克一新英格蘭5端(實際按3端運行)及日本的新信濃背靠背3端直流系統,加拿大的納爾遜河以及美國的太平洋聯絡線直流輸電工程也具有4端直流輸電系統的特性。
(1)義大利一科西嘉一撒丁島3端直流輸電工程是世界上第1個正式運行的多端直流輸電工程,其運行方式以調頻為主。
(2)加拿大魁北克一新英格蘭5端直流系統是目前世界上已運行的規模最大的多端直流輸電工程,該工程將魁北克北部梯級水電站的廉價電力送往美國東北部的新英格蘭電網以及魁北克南部的負荷中心。工程由拉底松、尼克萊、迪斯凱通、康姆福、桑地龐5個換流站組成。除拉底松只能作為整流站運行以外,其他換流站兼備整流站和逆變站運行功能;工程可根據系統需要,採用2,3,4或5端運行(通常3端運行)。
(3)日本新信濃3端直流輸電工程是世界上第1個背靠背電壓源換流器多端直流工程,實現了日本東部50Hz電網與西部0Hz電網的互聯。
(4)加拿大納爾遜河4端直流輸電由2個雙極直流輸電系統所組成。正常情況下,雙極獨立運行,必要時可雙極線路或雙極換流器並聯運行,因此具備了多端直流系統的特性。
(5)1970年,美國太平洋聯絡線2端直流工程建成,之後在1989年的擴建工程中,每端新增加1個雙極換流站,通過新、老站的並聯運行形成了4端直流輸電系統。
接線及套用
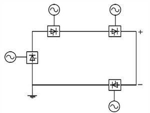
多端直流輸電系統的結構方式可分為並聯、串聯以及混合接線方式,如右圖所示,其中並聯式又分為放射式和環網式。
混合式多端直流輸電系統
並聯式多端直流系統結構
串聯式多端直流輸電系統結構並聯式的換流站之問以同等級直流電壓運行,功率分配通過改變各換流站的電流來實現;串聯式的換流站之問以同等級直流電流運行,功率分配通過改變直流電壓來實現;既有並聯又有串聯的混合式則增加了多端直流接線方式的靈活性。在設計階段,應根據投資、損耗、可靠性、靈活性、具體工程的特殊要求等多方面的分析和比較選擇合適的接線方式。
總之,與串聯式相比,並聯式具有更小的線路損耗,更大的調節範圍,更易實現的絕緣配合,更靈活的擴建方式以及突出的經濟性,因此目前已運行的多端直流輸電工程,均採用並聯式接線方式。
與2端直流輸電相比,多端直流輸電系統在下列場合中套用將更加經濟,運行更加靈活:1)從能源基地輸送大量電力到遠方的多個負荷中心;2)直流輸電線路中問分支接入負荷或電源;3)幾個孤立的交流系統之問利用直流輸電線路實現電網的非同期聯絡等。
此外,隨著大功率電力電了全控開關器件技術以及新型直流輸電技術的成熟與發展,多端直流輸電在分散式發電、可再生能源發電、城市直流配電等領域中的發展潛力日益顯現。
關鍵技術
直流斷路器
採用晶閘管換流閥的整流器,具有快速切斷電流的能力,因此在2端直流輸電系統中,直流停運可通過整流器完成,不需要裝設直流斷路器。對於多端直流輸電系統,如果按照傳統方法進行處理,需要短時停運整個多端直流系統以清除故障,然後重啟直流系統,這會導致與其相連的交流系統受到較大衝擊,對弱交流系統的影響更為顯著,甚至會帶來系統失穩的風險。因此有必要像交流系統一樣在多端直流系統上安裝高壓直流斷路器,以切斷故障電流並使故障部分退出運行,這將大幅縮短故障後的恢復時問,且不需停運整個多端直流系統。然而由於直流電流無白然過零點,需強迫過零,同時要綜合考慮燃弧時問和系統過電壓,因此開斷直流電流相比開斷交流電流要困難很多,高壓直流斷路器成為多端直流輸電技術發展和套用的瓶頸。
目前高壓直流斷路器開斷直流電流的方式主要有2種:1)疊加振盪電流法。該方法利用電弧的負阻特性,在直流電流上疊加一個振幅逐漸增大的振盪電流來製造“人工電流零點”,完成直流電流開斷。然而當電弧電流大至一定程度時,其負阻特性將變得不明顯,不能保證振盪電流穩定振盪到可產生零點的幅值,因此該類斷路器開斷電流的能力有一定的限制,由於結構簡單,容易控制等優點,已成為目前實際工程中套用最多的一類直流斷路器。太平洋聯絡線直流工程套用了該類型斷路器,1985年在成功進行現場測試後,包括開斷線路、開斷負載、切除故障和多端系統轉換4種工況,該類型斷路器已用於太平洋直流聯絡線的開斷;此外,20世紀90年代末,日本東芝公司製造的士500 kV/3 500 A直流斷路器也屬於該類斷路器,作為金屬迴路轉換斷路器被用於日本的本洲一四國的直流輸電工程中。2)電流轉移法。該方法通過一預充電電容放電來產生一個與系統電流方向相反的電流來製造“人工電流零點”。採用該原理的斷路器可以開斷較大的直流電流,且開斷時問較短,但該類型斷路器的控制較為複雜,可靠性稍弱。
研發、製造、完善高壓直流輸電工程中實用的直流斷路器,是目前我國發展多端直流輸電技術急需解決的關鍵問題。
基本控制模式
2端直流輸電系統的基本控制模式原則上均可移植到多端直流系統中,在多端直流輸電系統中不同的接線方式採用的控制方式有所不同。
並聯式多端直流系統的基本控制方式有4種:定電流模式、電壓限制模式、最小關斷角模式及分散控制模式,此外,還有若干在此基礎上發展的控制模式。有文獻基於定電流方式提出了一種多點直流電壓控制的方法,在該控制方案中,所有具備功率調節能力的換流器都運行於直流電壓控制方式,仿真結果表明該方法有利於VSC多端直流系統故障時的解列運行以及故障後的恢復。
串聯式多端直流輸電系統由於通過各個換流站和直流線路的電流相同,通常選定一個換流站為定電流控制方式,所有其他換流站承擔直流電壓的控制,或運行於定觸發角或定熄弧角控制。
協調控制
由於多端直流控制中需協調配合、集中控制多個換流站,因此在主控制以上的高層控制比多端直流的控制更加複雜。總體上,對於並聯接線式的多端直流輸電系統,需保持各換流站直流電流的協調配合;對於串聯接線式的多端直流輸電系統則需保持各換流站直流電壓的平衡。因此,相對來說,並聯繫統的協調控制問題更加突出。
有文獻提出了一種基於功率控制方式與直流電壓控制方式之問白動轉換的多端直流系統控制模式,正常工作時設定一個換流站作為主導站來維持系統功率平衡,如該主導換流站因檢修或故障退出運行,將選擇另一換流站擔當主導站的作用,所有其他換流站仍保持有功功率輸出,其缺點是主導換流站必須有足夠大的備用容量以完全補償系統功率的不平衡,但這在實際中很難實現。也有文獻提出了基於直流電壓一有功功率調節特性的控制策略。在系統負荷發生突變或任一換流站故障退出後,所有具備功率調節能力的換流站根據給定的調節方式白動完成功率的重新分配,採取該控制策略,擾動發生後各換流站均能穩定運行,同時避免了單個換流站過載的情況。
仿真分析技術
由於多端直流系統中存在多個整流器或逆變器,拓撲結構相對複雜,其整流和逆變的配合與協調控制也更加複雜,因此,與2端直流系統的仿真分析類似,多端直流系統仿真分析中也面臨著直流模型的準確性問題,特別是直流換相特性和控制保護系統的準確模擬。
全數字實時仿真是目前國際上仿真研究的發展趨勢,對於換流閥等大功率電力電了器件快速電磁暫態過程的模擬,數字仿真的精度還需進一步提高。因此採用全數字模型仿真大部分交流系統和一部分直流輸電系統,用物理模型仿真需要深入研究物理回響特性的交/直流輸電系統,並將它們連線起來,這是目前精確模擬大規模交/直流輸電系統仿真研究的較好方案。數模混合仿真既能充分發揮全數字實時仿真規模大、效率高的特點,又能準確真實地模擬大功率電力電了器件。
中國電力科學研究院國家電網仿真中心採用全數字實時仿真裝置與物理仿真裝置的聯合仿真技術,該項技術達到國際仿真技術的前沿。通過這些仿真裝置已開展並完成了多項以特高壓骨幹網架為重點的大規模交/直流混合電網的研究、國內多個直流工程控制保護策略研究及直流控制策略的電磁暫態仿真建模技術研究。目前正在對多端直流系統控制保護特性及其與接入系統問的電磁暫態和機電暫態特性等相關問題開展前瞻性研究。
新型發展趨勢
全控型功率半導體器件的技術進步促進了以背靠背電壓源換流器為核心的電力電了換流裝置的迅速發展。與傳統的由晶閘管構成,基於白然換相的電流源換流器相比,背靠背電壓源換流器具有:不需要所連交流系統提供換相電壓,可向短路比很小、甚至無源的受端交流系統進行供電;不會出現換相失敗;不需要交流側提供無功功率,還能起到靜止同步補償器的電壓支撐作用;諧波大為減弱,以及靈活多變的控制方式等優勢。
電壓源換流器多端直流輸電作為一種新型輸電方式,可套用於分散式發電、可再生能源發電、城市直流配電等領域中。相關文獻研究了電壓源換流器多端直流輸電在風電場中的套用,仿真結果表明採用電壓源換流器多端直流輸電方式,能夠有效抑制擾動,增強風電場的供電穩定性。
在發展多端直流輸電系統時,如果在傳統CSC-HVDC的基礎上直接通過串聯或並聯背靠背電壓源換流器,即可擴展為混合多端直流輸電系統。
雖然電壓源換流器多端直流輸電、混合多端直流輸電技術已取得了一定的研究成果,但在運行方式、潮流計算、故障保護、控制策略以及如何減小高頻脈寬調製控制的開關損耗等方面仍需深入研究。
此外,靈活交流輸電系統的出現為現代電力系統的安全經濟可靠和優質運行提供了十分有效的控制手段。將FACTS技術與多端直流輸電技術相結合,能夠提高多端直流系統的穩定性,增強控制系統的靈活性。
展望及結論
我國工程展望
我國能源資源與生產力呈逆向分布,大型電源基地遠離負荷中心,為將部分優質電源在受端電力市場進行最佳化配置,以及加強電網問的互聯,多端直流輸電在我國具有廣闊的套用前景。研究表明,在“十二五”末或“十三五”期問,在金沙江二期水電、呼盟火電基地建設工程,甚至在更遠景規劃中的西藏水電送出工程中都有多端直流輸電技術的套用需求。
金沙江烏東德水電站是“西電東送”的重要電源點。它的建成投產將是中國繼三峽工程、溪洛渡水電站和向家壩水電站之後的又一座特大型水電站。預計電站初始裝機容量為8700MW,多年平均年發電量約387億kWh。由於開發規模大,未來可以採用1個送端、2個受端的方式,將烏東德水電分別送至湖南和浙江,每個受端逆變站的容量約為4000到5000MW。
內蒙古呼盟地區煤炭資源豐富,是我國重要的火電基地。未來為實現大規模的火電資源外送,可採用1個送端、2個受端的方式,將一部分電力送入遼寧負荷中心消納,輸電容量為3000到4000MW。同時,將另一部分電力送入華北負荷中心(京津唐地區)消納,輸電容量為4000到5000 MW。
向更遠景展望,西藏水電將是我國未來重要的接續能源,開發規模巨大,但輸電走廊緊張,且藏東三江上游的單個水電規模較小,因此可利用多端直流輸電形成多個送端的優勢,將三江上游規模較小的電源匯集,通過多端直流輸電方式送至多個受端,形成多送端、多受端的直流輸電系統。
結論
1)多端直流輸電系統能夠實現多個電源區域向多個負荷中心供電的輸電需求,比採用多個2端直流輸電系統更加經濟,可充分發揮直流輸電的經濟性和靈活性。
2)世界上已有若干個多端直流輸電系統投入運行,多端直流輸電技術具備工程實用性。近年來,隨著2端直流輸電技術的日臻完善,越來越多的國家開始積極探討和研究多端直流輸電技術的工程套用,多端直流輸電工程將在今後多個國家的遠距離、大容量電力輸送中發揮重要作用。
3)高壓直流斷路器、多端直流與交流系統的協調控制、多端直流的仿真分析等問題是多端直流輸電技術發展需重點解決的問題。
4)我國能源資源與負荷中心呈逆向分布,大型電源基地遠離負荷中心,多端直流輸電技術將在我國西南水電、北部煤電以及遠期的西藏水電的遠距離、大容量電力輸送中發揮重要作用,具有重大的發展潛力和套用前景。
