簡介
雙向可控矽
雙向可控矽具有兩個方向輪流導通、關斷的特性。雙向可控矽實質上是兩個反並聯的單向可控矽,是由NPNPN五層半導體形成四個PN結構成、有三個電極的半導體器件。由於主電極的構造是對稱的(都從N層引出),所以它的電極不像單向可控矽那樣分別叫陽極和陰極,而是把與控制極相近的叫做第一電極A1,另一個叫做第二電極A2。雙向可控矽的主要缺點是承受電壓上升率的能力較低。這是因為雙向可控矽在一個方嚮導通結束時,矽片在各層中的載流子還沒有回到截止狀態的位置,必須採取相應的保護措施。雙向可控矽元件主要用於交流控制電路,如溫度控制、燈光控制、防爆交流開關以及直流電機調速和換向等電路。
二者比較
單向可控矽和雙向可控矽,都是三個電極。單向可控矽有陰極(K)、陽極(A)、控制極(G)。雙向可控矽等效於兩隻單項可控矽反向並聯而成。即其中一隻單向矽陽極與另一隻陰極相邊連,其引出端稱T1極,其中一隻單向矽陰極與另一隻陽極相連,其引出端稱T2極,剩下則為控制極(G)。
單、雙向可控矽的判別
先任測兩個極,若正、反測指針均不動(R×1擋),可能是A、K或G、A極(對單向可控矽)也可能是T2、T1或T2、G極(對雙向可控矽)。若其中有一次測量指示為幾十至幾百歐,則必為單向可控矽。且紅筆所接為K極,黑筆接的為G極,剩下即為A極。若正、反向測批示均為幾十至幾百歐,則必為雙向可控矽。再將鏇鈕撥至R×1或R×10擋複測,其中必有一次阻值稍大,則稍大的一次紅筆接的為G極,黑筆所接為T1極,餘下是T2極。
性能的差別
將鏇鈕撥至R×1擋,對於1——6A單向可控矽,紅筆接K極,黑筆同時接通G、A極,在保持黑筆不脫離A極狀態下斷開G極,指針應指示幾十歐至一百歐,此時可控矽已被觸發,且觸發電壓低(或觸發電流小)。然後瞬時斷開A極再接通,指針應退回∞位置,則表明可控矽良好。
對於1——6A雙向可控矽,紅筆接T1極,黑筆同時接G、T2極,在保證黑筆不脫離T2極的前提下斷開G極,指針應指示為幾十至一百多歐(視可控矽電流大小、廠家不同而異)。然後將兩筆對調,重複上述步驟測一次,指針指示還要比上一次稍大十幾至幾十歐,則表明可控矽良好,且觸發電壓(或電流)小。
若保持接通A極或T2極時斷開G極,指針立即退回∞位置,則說明可控矽觸發電流太大或損壞。可按圖2方法進一步測量,對於單向可控矽,閉合開關K,燈應發亮,斷開K燈仍不息滅,否則說明可控矽損壞。
對於雙向可控矽,閉合開關K,燈應發亮,斷開K,燈應不息滅。然後將電池反接,重複上述步驟,均應是同一結果,才說明是好的。否則說明該器件已損壞。
可控矽參數符號
參數符號說明:
IT(AV)--通態平均電流
VRRM--反向重複峰值電壓
IDRM--斷態重複峰值電流
ITSM--通態一個周波不重複浪涌電流
VTM--通態峰值電壓
IGT--門極觸發電流
VGT--門極觸發電壓
IH--維持電流
dv/dt--斷態電壓臨界上升率
di/dt--通態電流臨界上升率
Rthjc--結殼熱阻
VISO--模組絕緣電壓
Tjm--額定結溫
VDRM--通態重複峰值電壓
IRRM--反向重複峰值電流
IF(AV)--正向平均電流
引腳區分
對可控矽的引腳區分,有的可從外形封裝加以判別,如外殼就為陽極,陰極引線比控制極引線長。從外形無法判斷的可控矽,可用萬用表R×100或R×1K擋,測量可控矽任意兩管腳間的正反向電阻,當萬用表指示低阻值(幾百歐至幾千歐的範圍)時,黑表筆所接的是控制極G,紅表筆所接的是陰極C,餘下的一隻管腳為陽極A。
性能檢測
可控矽質量好壞的判別可以從四個方面進行。第一是三個PN結應完好;第二是當陰極和陽極間電壓反向連線時能夠阻斷,不導通;第三是當控制極開路時,陽極和陰極間的電壓正向連線時也不導通;第四是給控制極加上正向電流,給陰極和陽極加正向電壓時,可控矽應當導通,把控制極電流去掉,仍處於導通狀態。
用萬用表的歐姆擋測量可控矽的極間電阻,就可對前三個方面的好壞進行判斷。具體方法是:用R×1k或R×10k擋測陰極和陽極之間的正反向電阻(控制極不接電壓),此兩個阻值均應很大。電阻值越大,表明正反向漏電電流愈小。如果測得的阻值很低,或近於無窮大,說明可控矽已經擊穿短路或已經開路,此可控矽不能使用了。
用R×1k或R×10k擋測陽極和控制極之間的電阻,正反向測量阻值均應幾百千歐以上。
用R×1k或R×100擋,測控制極和陰極之間的PN結的正反向電阻在幾千歐左右,如出現正向阻值接近於零值或為無窮大,表明控制極和陰極之間的PN結已經損壞。反向阻值應很大,但不能為無窮大。正常情況是反向阻值明顯大於正向阻值。
萬用表選電阻R×1擋,將黑表筆接陽極,紅表筆仍接陰極,此時萬用表指針應不動。紅表筆接陰極不動,黑表筆在不脫開陽極的同時用表筆尖去瞬間短接控制極,此時萬用表電阻擋指針應向右偏轉,阻值讀數為10歐姆左右。如陽極接黑表筆,陰極接紅表筆時,萬用表指針發生偏轉,說明該單向可控矽已擊穿損壞。
結構控制
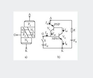
單向可控矽為具有三個PN結的四層結構,由最外層的P層、N層引出兩個電極――陽極A和陰極K,由中間的P層引出控制極G。電路符號好像為一隻二極體,但好多一個引出電極――控制極或觸發極G。SCR或MCR為英文縮寫名稱。
單向可控矽結構從控制原理上可等效為一隻PNP三極體和一隻NPN三極體的連線電路,兩管的基極電流和集電極電流互為通路,具有強烈的正反反饋作用。一旦從G、K迴路輸入NPN管子的基極電流,由於正反饋作用,兩管將迅即進入飽合導通狀態。可控矽導通之後,它的導通狀態完全依靠管子本身的正反饋作用來維持,即使控制電流(電壓)消失,可控矽仍處於導通狀態。控制信號UGK的作用僅僅是觸發可控矽使其導通,導通之後,控制信號便失去控制作用。
單向可控矽的導通需要兩個條件:
1)、A、K之間加正向電壓;
2)、G、K之間輸入一個正向觸發電流信號,無論是直流或脈衝信號。
若欲使可控矽關斷,也有兩個關斷條件:
1)、使正嚮導通電流值小於其工作維持電流值;
2)、使A、K之間電壓反向。
特性曲線
可見,可控矽器件若用於直流電路,一旦為觸發信號開通,並保持一定幅度的流通電流的話,則可控矽會一直保持開通狀態。除非將電源開斷一次,才能使其關斷。若用於交流電路,則在其承受正向電壓期間,若接受一個觸發信號,則一直保持導通,直到電壓過零點到來,因無流通電流而自行關斷。在承受反向電壓期間,即使送入觸發信號,可控矽也因A、K間電壓反向,而保持於截止狀態。可控矽器件因工藝上的離散性,其觸發電壓、觸發電流值和導通壓降,很難有統一的標1準。可控矽器件控制本質上如同三極體一樣,為電流控制器件。功率越大,所需觸發電流也越大。觸發電壓範圍一般為1.5V―3V左右,觸發電流為10mA―幾百mA左右。峰值觸發電壓不宜超過10V,峰值觸發電流也不宜超過2A。A、K間導通壓降為1―2V

