卷材剪下強度(tear strength)
卷材承受切向剪下力的能力,以MPa表示。
卷材剪下強度實驗
B.1 原理
將經標準養護的粘接試樣用(25±5)mm/min的速度作剪下拉伸,試樣示意圖見圖B.1。

圖 B.1 剪下強度試驗試樣示意圖

圖B.2連線端頭 圖B.3柱銷

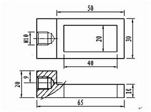
圖B.4模具
B.2 試驗設備及材料
拉力機一台(量程≥3000N,保證拉伸力測試值在量程的20%~80%之間,精度1%);
剪下強度試驗模具(見圖B.2、圖B.3、圖B.4,材質:鋼,具有足夠剛度,可重複利用)
鋼絲繩、卡子、鋼絲刷、膩刀。
B.3 試樣製備
B.3.1 模組製作
用矽酸鹽水泥(P.O32.5R)、標準砂、水,按重量比1: 2.5:0.55拌合均勻,分別加入兩個模具中。人工插搗,插搗至表面出漿為止,刮除多餘砂漿並抹平,在標準養護室[溫度為(20±3)℃、濕度為90%以上]靜止24h,然後用鋼絲刷刷去與卷材貼上端面的漿膜,並將表面處理乾淨,無附著物,處理面保證濕潤,無明水(可適當加水濕潤),直接粘接卷材。
B.3.2試樣粘接
B.3.2.1按5.2.1的規定裁取卷材試片;
B.3.2.2將模組粘接面金屬部分塗一薄層石蠟,注意石蠟不要塗到砂漿面上,按廠家提供的配套聚合物及其要求製作聚合物水泥。用膩刀將裁好的卷材一表面與其中一模組粘接面分別塗刮聚合物水泥,塗刮應適當用力,保證聚合物水泥完全浸入卷材表面空隙,然後將卷材與模組對心粘接並排氣壓實,保證粘接率100%,放置15min;向卷材另一表面及模組粘接面分別塗刮聚合物水泥,塗刮辦法同上,然後將模組與卷材對心粘接並排氣壓實,保證粘接率100%。
B.3.2.3清除多餘的聚合物水泥,標準養護室中養護,養護齡期為7d。
B.4 試驗程式
B.4.1 小心將試件裝配好,上拉力機用(25±5)mm/min的速度分別對每塊試樣作剪下拉伸;
B.4.2 記錄每一樣塊的最大拉伸力。
B.5 計算
剪下強度(MPa)= 最大拉伸力(N)/ 有效剪下面積(800mm2)
B.6判定
以3個試樣算術平均值符合標準規定為合格。發生畸小值判定是操作原因的,允許用備用試件補做。
