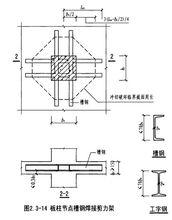
剪力架的設計:型鋼剪力架的設計應符合《無粘結預應力混凝土結構技術規程》JGJ/T 92-93第4.3.8條的相關規定。
剪力架圖集《06SG429後張預應力混凝土結構施工圖表示方法及構造詳圖》中對於剪力架的構造也有相關規定。
06SG429圖集中的規定
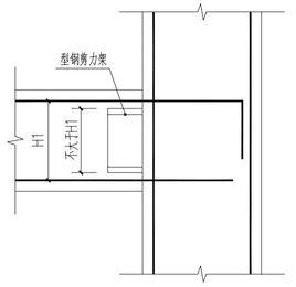
剪力架(Shear plane)又稱型鋼剪力架(鍵),是指鋼筋混凝土板柱—剪力牆結構中對於無柱托版且無梁板受沖切承載力不足時所採用的互相垂直並通過柱子截面的型鋼。
剪力架的設計:型鋼剪力架的設計應符合《無粘結預應力混凝土結構技術規程》JGJ/T 92-93第4.3.8條的相關規定。
剪力架圖集《06SG429後張預應力混凝土結構施工圖表示方法及構造詳圖》中對於剪力架的構造也有相關規定。
06SG429圖集中的規定出版社: 正文語種: 159
基本信息 內容簡介 作者簡介貝雷架也稱為“裝配式公路鋼橋”,原名叫“321”公路鋼橋。是我國的戰備公路鋼橋。貝雷架是形成一定單元的鋼架,可以用它拼接組裝成很多構件、設備。
簡介 簡史 組成部分 適用範圍衍架結構是格構化的一種梁式結構。
定義: 結構特點: 種類:集中引起位移過大而破壞。底層柱在豎向荷載和水平地震剪力的聯合作用下,沿斜...的附加軸力和附加剪力(老的抗震規範無此要求)。其餘情況均應採用鋼筋混凝土...的地震作用計算方法一般為底部剪力法,其中地震影響係數一律取αmax...
來源與定義 注意要點 抗震牆布置以上地震作用下,多數框架節點被破壞。核心區未開裂前,箍筋應力很小,剪力由混凝土承受。當剪力達到核心區混凝土極限抗剪能力的60%一70%時,混凝土有...樑柱節點核心區承受的剪力比柱身承受的剪力大得多。柱身剪力按柱底彎矩與柱頂...
節點核心區 柱節點核心區 抗剪能力計算?3.25 怎樣按底部剪力法求水平地震作用?3.26 等效重力荷載係數...剪力?5.12 怎樣計算對稱三肢牆的內力、側移和等效剛度?5.13 怎樣...-抗震牆結構的內力和側移?6.7 怎樣調整框架-抗震牆結構中框架的地震剪力...
基本信息 內容提要 本書目錄)(按塑性理論設計) 第8章 牆架 8.1 概述 8.2 牆架結構布置 8.3 牆架構件內力及截面計算 8.4 牆架構件的構造 8.5 牆架構件計算實例 【例題】面板面積為8m×15m架空...
建築鋼結構設計手冊 輕型鋼結構設計手冊(精) 鋼結構設計手冊(第三版)管理工作帶來一定困難。同時,由於有些廠採用鋼管的材質和規格不符合設計要求,門架...腳手架 基本部件 門式腳手架 門式腳手架是以門架、交叉支撐、連線棒、掛扣式腳手板或水平架、鎖臂等組成基本結構,再設定水平加固桿、剪刀撐、掃地桿、封口...
簡介 基本部件 用途 規範 比較基本信息作 者:宋岢岢 著 叢 書 名:出 版 社:中國石化出版社ISBN:9787511405319 出版時間:2011...
基本信息 編輯推薦 內容簡介