組成
冷凍水系統主要由制冷機組的蒸發器換熱管、冷凍水循環泵、分水器、集水器、膨脹水箱、補水泵、水處理裝置以及相應的閥門、管路等構成的閉式系統。
用途
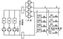
冷凍水系統冷凍水系統由冷凍水循環泵通過管道系統連線冷凍機蒸發器及用戶各種用冷水設備(如空調機和風機盤管)而組成。它監測與控制任務的核心是:
(1)保證冷凍機蒸發器通過足夠的水量以使蒸發器正常工作,防止凍壞。
(2)向冷凍水用戶提供足夠的水量以滿足使用要求。
(3)在滿足使用要求的前提下儘可能減少循環水泵電耗。
冷凍水系統負責將製冷裝置製備的冷凍水輸送到空氣處理設備,一般可分為閉式系統和開式系統。
對於變流量調節系統,常採用閉式系統。閉式系統的特點是和外界空氣接觸少,可減緩對管道的腐蝕,製冷裝置採用管殼式蒸發器,常用於表面冷卻器的冷卻系統。而定流量調節系統,常採用開式系統,其特點是需要設定冷水箱和回水箱,系統的水容量大,製冷裝置採用水箱式蒸發器,用於噴淋室冷卻系統。
為了保證閉式系統的水量平衡,在總送水管和總回水管之問設定有自動調節裝置,一日供水量減少而管道內壓差增加,使一部分冷水直接流至總回水管內,保證製冷裝置和水泵的正常運轉。
分類
冷凍水系統可分為以下幾類:
雙管系統
雙管系統是目前用得最多的系統,特別是住以夏季供冷為主要目的的南方地區。雙管系統由一根供水管和一根回水管組成,冬季供熱水和夏季供冷水都是在同一套管路中進行雙管系統的主要優點是系統簡單,初投資小,但存在以下缺點:
(1)由於冬季供熱水和夏季供冷水時供、回水溫差的差別較大,使冬、夏季水系統中循環水量的差別較大,從節能方向考慮,需要設定冬、夏季分開使用的水泵。
(2)由於各空調房間熱、濕負荷的變化規律不一樣,尤其在過渡季節,會出現朝陽而的房問要求供冷水而背陰面房間要求供熱水的現象,同一套雙管系統難以滿足所有空凋房間的調節要求。
三管系統
三管系統每個末端空氣處理盤管沒有冷、熱兩條供水管,回水共用一根回水管。在機組的進¨處設有三通閥進行冷、熱水供應控制,室溫控制較靈活,適應負荷變化的能力強,可較好地進行全年的溫、濕度調節,但能量損失大,初期投資比雙管系統高。
清洗
中央空調冷凍水是處在封閉系統中循環,水分不蒸發,循環水不產生濃縮,不存在難溶鹽的過飽和問題,水溫也較低,因此冷凍水系統可以說不具備水垢生長的條件。冷凍水系統主要產生油泥垢、銹垢,它是由腐蝕產生的含水氧化物以及外來物質主要為粘泥、設備引入油膏等聚集而成的疏鬆、多孔或膠凝狀物構成的,常可看到大量的微生物源。因此冷凍水系統化學清洗操作主要是去除設備和管道水側表面上的油污、浮銹,其化學清洗操作中鹼洗的比重較大,從而減少腐蝕金屬的潛在危險。

