再生中繼器
中繼器是網路物理層的一種介質連線設備,即中繼器工作在OSI的物理層。
中繼器具有放大信號的作用,它實際上是一種信號再生放大器。因而中繼器用來擴展區域網路段的長度,驅動長距離通信。電磁信號在網路傳輸介質上傳遞時,由於衰減和噪音使有效數據信號變得越來越弱。為保證數據的完整性,它只能在一定的有限距離內傳遞。在IEEE 802.3標準中,幾種主要介質傳輸距離設計規格如下表所示:
再生中繼器中繼器將接收到的弱信號中的數據提出,新的信號與原來的完全相同,但是它的信號強度大大提高了。
特點
中繼器優點是安裝簡單容易,造價低廉,主要的缺點是它再生電子干擾及錯誤信號;另外由於中繼器雙向傳遞網路段間的所有信息,所以它很容易導致網路上的信息擁擠,同時當某個網段有問題時,會引起所有網段的中斷。其擴展規模(長度、站點數)也不能突破單級的限制,新的發展趨勢是用禁止雙絞線UTP作為網路傳輸介質。如在樓宇規整化布線系統中UTP為主要規範性傳輸介質。屬於中繼器的乙太網UTP集線器也大量使用。
為適套用戶的需求,市場上有各種各樣的中繼器產品:多路復用器、多口中繼器,還有模組中繼器、緩衝中繼器等。
從理論上講可以採用中繼器連線無限數量的媒介段,然而實際上各種網路中接入的中繼器數量因受時延和衰耗都有具體的限制,如在IEEE802.3標準中,它最多允許四個中繼器連線五個網段。假如使用粗同軸電纜構造一個以太區域網路,每一段粗纜最大長度為800米,則利用四個中繼器可以將整個網路擴展到4000米。
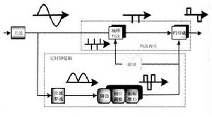
再生中繼器的組成如圖1所示。它主要由均衡放大電路、定時提取電路、判決及碼形成電路等3個部分組成。均衡放大電路的作用是對接收到的失真波形進行放大和均衡;定時提取電路的作用是在收到的信碼流中提取定時時鐘,以得到與發端相同的主時鐘脈衝,做到收發同步;判決及碼形成電路則是對已被放大和均衡的信號波形進行抽樣、判決,並根據判決結果形成新的、與傳送端相同的脈衝。
目前,再生中繼器已向集成化的方向發展,集成再生中繼器具有體積小、工作穩定和便於大批量生產等優點。
圖1 再生中繼器的組
再生中繼器來自
"http://baike.eccn.com/eewiki/index.php/%E5%86%8D%E7%94%9F%E4%B8%AD%E7%B9%BC%E5%99%A8"

