邏輯分析儀技術指標
1、邏輯分析儀的通道數
在需要邏輯分析儀的地方,要對一個系統進行全面地分析,就應當把所有應當觀測的信號全部引入邏輯分析儀當中,這樣邏輯分析儀的通道數至少應當是:被測系統的字長(數據匯流排數)+被測系統的控制匯流排數+時鐘線
邏輯分析儀2、定時採樣速率
在定時採樣分析時,要有足夠的定時解析度,就應當有足夠高的定時分析採樣速率,但是並不是只有高速系統才需要高的採樣速率,現在的主流產品的採樣速率高達 2GS/s ,在這個速率下,我們可以看到 0.5ps 時間上的細節。
3、狀態分析速率
在狀態分析時,邏輯分析儀採樣基準時鐘就用被測試對象的工作時鐘(邏輯分析儀的外部時鐘)這個時鐘的最高速率就是邏輯分析儀的高狀態分析速率。也就是說,該邏輯分析儀可以分析的系統最快的工作頻率。現在的主流產品的定時分析速率在 300MHz ,最高可高達 500MHz 甚至更高。
4、邏輯分析儀的每通道的記錄長度
邏輯分析儀的記憶體是用於存儲它所採樣的數據,以用於對比、分析、轉換(譬如將其所捕捉到的信號轉換成非二進制信號)。
5、邏輯分析儀的測試夾具
邏輯分析儀通過探頭與被測器件連線,測試夾具起著很重要的作用,測試夾具有很多種,如飛行頭和蒼蠅頭等。
工作原理
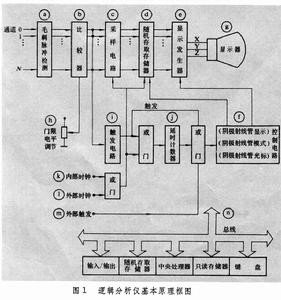
邏輯分析儀的基本工作原理,是通過它的多路先入先出隨機存儲器(亦即移位暫存器),在設定的條件下快速寫入被測信息,再以慢速讀出,經有控處理後在顯示器上顯示被測脈衝邏輯定時關係(圖1)。邏輯分析儀的核心是多路先入先出隨機存儲器,由各輸入通道0~N 輸入被測數據脈衝序列,並行地依次按原有時序存入隨機存儲器中。存滿後,後繼數據把最先存入的數據頂出(使之消失)並繼續銜尾存入。這樣,在被測數據流中,存儲器始終保存著最新的一段數據流。在規定的指令觸發下,存儲器停止存入,並將所存內容通過顯示發生器和各種控制電路嘳顯示於顯示器嘵上。中介存儲器的並行路數(即位數)稱為數據寬度;每路所能存儲的數據序列長度稱為數據深度。這兩項是邏輯分析儀的主要技術指標。
邏輯分析儀經比較器嘜比較整形後的信號,送至採樣電路,在時鐘脈衝噁
的控制下進行採樣。採樣有兩種方式:①利用時鐘脈衝的前沿和後沿進行採樣的稱為採樣方式;②利用時鐘脈衝產生窄脈衝,並一直保持到下一個時鐘脈衝,用這種新生成的脈衝進行採樣的稱為鎖存方式。
特點
邏輯分析儀的作用是利用便於觀察的形式顯示出數字系統的運行情況,對數字系統進行分析和故障判斷。其主要
邏輯分析儀有足夠多的輸入通道
具有多種靈活的觸發方式,確保對被觀察的數據流準確定位(對軟體而言可以跟蹤系統運行中的任意程式段,對硬體而言可以檢測並顯示系統中存在的毛刺干擾)。
具有記憶功能,可以觀測單次及非周期性數據信息,並可診斷隨機性故障。
具有延遲能力,用以分析故障產生的原因。
具有限定功能,實現對欲獲取的數據進行挑選,並刪除無關數據。
具有多種顯示方式,可用字元、助記符、匯變語言顯示程式,用二進制、八進制、十進制、十六進制等顯示數據,用定時圖顯示信息之間的時序關係。
具有驅動時域儀器的能力,以便復顯待測信號的真實波形及有利於故障定位。
具有可靠的毛刺檢測能力。邏輯分析儀是利用時鐘從測試設備上採集和顯示數字信號的儀器,最主要作用在於時序判定高效率的數據域測試通用儀器,又稱數據域示波器,用於數字系統邏輯電路的分析和檢修。邏輯分析儀可以擁有從16個通道、32個通道、64個通道和上百個通道數不等,因此邏輯分析儀具備同時進行多通道測試的優勢。
分類
邏輯分析儀觸發方式
邏輯分析儀的觸發方式 ,它與傳統示波器顯示後事觸發(顯示觸發後發生的事件)大不相同。它顯示觸發前已存入存儲器內的事件。這種方式稱為往事觸發。具體的觸發方式可分為以下四種。①延遲觸發:若在某一時刻t1按下觸發按鍵,實際觸發發生在t2=t1+τ時刻,延遲值τ可以為正、零或負值,這樣就會顯示出直到t1後τ秒內發生的事件。這就相當於移動顯示視窗的時間軸,可由往事觸發改變為部分的即事觸發(也稱中間觸發),乃至全部的即事觸發(也稱後事觸發)。這種觸發方式可有效地用於觀測偶然出現的跳動故障。
②限定觸發:利用外部時鐘脈衝並增加二根或多根限定輸入線,還可在面板上用控制按鈕設定一定的限定條件,當滿足這些限定條件時即自動觸發。限定的輸入線也可以由用戶自行規定,以相“與“或者相“或“的方式進行觸發。這種觸發方式便於觀測某一循環程式在每次執行中的有關信息,也可以在容量有限的存儲器中記存多次循環的有關結果。
③組合觸發也稱“字“觸發。當待測的幾個輸入信息序列的邏輯組合與所設定的觸發“字”完全符合時就產生觸發。這種觸發便於捕捉軟體程式運行中某一程式指令來進行觸發,一旦出現這一特定的“字”時就產生觸發。
④毛刺觸發:用中毛刺脈衝檢測嘙來捕獲輸入信號中的毛刺脈衝(一種脈衝寬度很窄的干擾信號,脈衝寬度約為 5納秒,幅度大於250毫伏),用它作為觸發信號來觀測外部干擾引起的故障。
顯示方式
邏輯分析儀邏輯分析儀有多種顯示方式。
①定點顯示方式:邏輯分析儀對被測信息採用比較、採樣和存儲等電路進行整形,顯示十分方正的脈衝波形。採用這種顯示方式的邏輯分析儀,稱為定時關係分析儀。它可以並排顯示多路偽波形圖,從而方便地檢查各路之間的相對定時關係。
②狀態顯示方式:通過圖1嘳的電路,將每一個時鐘周期內以定點方式顯示的低電平L顯示成數字0,高電平H顯示成數字1(二進制顯示)。這種顯示方式適於觀測軟體程式邏輯的執行情況。、b中還表示了兩種顯示方式相應的時間關係。採用狀態顯示方式的邏輯分析儀,稱為邏輯狀態分析儀。
③映像顯示方式:存入存儲器中的全部二進制信息在顯示器上均有相應的坐標位置,均用光點及其流向(光尾指向)來表示。這種顯示方式的特點是:在顯示器上可一次顯示存儲器中的全部信息,在需要觀測軟體程式全貌時,或要大概分析全部程式執行情況時最為方便。
④數據比較顯示方式:較新型的邏輯分析儀設定有參考存儲器,可以先測一個正常電路,把它的邏輯狀態存入參考存儲器中,然後再測一個可能有故障的電路,把它的邏輯狀態序列與參考序列並排顯示在顯示器的左右兩半邊進行比對,或只顯示有誤之處。
⑤自動比對清單顯示方式:新型邏輯分析儀採用微處理器和匯流排結構,這樣,就可以自動比對、自動觸發、自動顯示並自動地在出錯狀態加亮位。各種觸發限定條件、觸發時間、顯示方式等信息,也可用文字列表以清單形式顯示。為了方便用戶還可設計成自動解碼,譯成8、10、16進制顯示,甚至以各種計算機機器語言或計算機語言進行顯示。這種新型自動比對清單顯示方式的邏輯分析儀稱為智慧型邏輯分析儀。
功能
邏輯分析儀定時分析是邏輯分析儀中類似示波器的部分,它與示波器顯示信息的方式相同,水平軸代表時間,垂直軸代表電壓幅度。定時分析首先對輸入波形的採樣,然後使用用戶定義的電壓閾值,確定信號的高低電平。定時分析只能確定波形是高還是低,不存在中間電平。所以定時分析就像一台只有1 位垂直解析度的數字示波器。但是,定時分析並不能用於測試參量,如果你用定時分析測量信號的上升時間,那你就用錯了儀器。如果你要檢驗幾條線上的信號的定時關係,定時分析就是合理的選擇。如果定時分析前一次採樣的信號是一種狀態,這一次採樣的信號是另一種狀態,那么它就知道在兩次採樣之間的某個時刻輸入信號發生了跳變,但是,定時分析卻不知道精確的時刻。最壞的情況下,不確定度是一個採樣周期。
2、跳變定時
如果我們要對一個長時間沒有變化的採樣並保存數據,跳變定時能有效地利用存儲器。使用跳變定時,定時分析只保存信號跳變後採集的樣本,以及與上次跳變的時間。
3、 毛刺捕獲
數字系統中毛刺是令人頭疼的問題,某些定時分析儀具有毛刺捕獲和觸發能力,可以很容易的跟蹤難以預料的毛刺。定時分析可以對輸入數據進行有效地採樣,跟蹤採樣間產生的任何跳變,從而容易識別毛刺。在定時分析中,毛刺的定義是:採樣間穿越邏輯閾值多次的任何跳變。顯示毛刺是一種很有用的功能,有助於對毛刺觸發和顯示毛刺產生前的數據,從而幫助我們確定毛刺產生的原因。
4、狀態分析
邏輯電路的狀態是:數據有效時,對匯流排或信號線採樣的樣本。定時分析與狀態分析的主要區別是:定時分析由內部時鐘控制採樣,採樣與被測系統是異步的;狀態分析由被測系統時鐘控制採樣,採樣與被測系統是同步的。用定時分析查看事件 “ 什麼時候 ” 發生,用狀態分析檢查發生了“ 什麼 ”事件。定時分析通常用波形顯示數據,狀態分析通常用列表顯示數據。

