原理
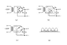
全波整流使交流電的兩半周期都得到了利用。其各項整流因數則與半波整流時不同。全波整流電路如圖所示。它是由次級具有中心抽頭的電源變壓器Tr、兩個整流二極體D1、D2和負載電阻RL組成。變壓器次級電壓u21和u22大小相等,相位相反,即
u21 = - u22 =
式中,U2 是變壓器次級半邊繞組交流電壓的有效值。
全波整流電路的工作過程是:在u2 的正半周(ωt = 0~π)D1正偏導通,D2反偏截止,RL上有自上而下的電流流過,RL上的電壓與u21 相同。
在u2 的負半周(ωt =π~2π),D1反偏截止,D2正偏導通,RL上也有自上而下的電流流過,
RL上的電壓與u22相同。可畫出整流波形如圖Z0704所示。 可見,負載RL上得到的也是一單向脈動電流和脈動電壓。其平均值分別為:GS0705
流過負載的平均電流為:GS0706
選擇整流二極體時,應以此二參數為極限參數。
主要作用
全波整流輸出電壓的直流成分(較半波)增大,脈動程度減小,但變壓器需要中心抽頭、製造麻煩,整流二極體需承受的反向電壓高,故一般適用於要求輸出電壓不太高的場合。
全波整流電路
雙半波整流電路
雙半波整流電路變壓器次級中心抽頭的全波整流電路。從圖2的電路很容易看出,它是兩個半波整流電路結合而成的,所以也稱為雙半波整流電路。變壓器的中心抽頭為地電位,把交流電壓正、負半周分成兩部分。正弦交流電正半周時二極體DA導通,電流通過DA到負載;負半周時二極體DB導通,電流通過DB也到負載。和半波整流電路相比,在交流電壓的正、負半周上都有電流通過負載。雖然每個時刻流到負載的電流並未增加,但平均輸出電流比半波整流加倍,流過每個管的電流為負載電流的1/2。有載時平均輸出電壓是變壓器次級半個繞組電壓有效值的0.9倍
。
橋式全波整流電路
經常使用的整流電路是橋式全波整流電路。它的變壓器次級只有一個繞組,接在由四隻二極體組成的電橋上。四隻管又分成兩對,沒對串聯起來工作。當正弦交流電的正半周到來時,即變壓器次級上端為正時,二極體DA和DC導通而二極體DB和DD截止,如圖3b所示。當正弦交流電壓的下半周到來時,即變壓器上端相對於下端為負時,二極體DB和DD導通而二極體DA和DC截止,如圖3c所示。可以看出,不論是DA和DC導通,或是DB和DD導通,流過負載的電流方向都是一致的,在負載上產生的電壓都是上正下負。輸出波形與變壓器具有中心抽頭的全波整流器的整流波形相同,如圖3d。每一個脈衝波形對應兩個導通管
。
橋式全波整流電路另外,當DA和DC管導通時,可近似將它們看作短路,變壓器次級的反向峰值電壓是加到截止管DB和DD上的(兩管並聯),所以每隻管承受的反向峰值電壓為√2Erms。加到電阻性或電感性負載上的輸出電壓為變壓器次級有效值電壓的0.9倍;加到電容性負載的輸出電壓是變壓器次級有效值電壓的√2倍。一般估算認為,帶負載時輸出電壓為1.2Erms。兩對二極體交替工作,輸出電流比半波整流器加大了一倍,每隻管流過的電流ID僅為負載電流Id的一半,即ID=1/2Id
。
三相全波整流
單相半波整電路
單相半波電阻性負載整流電路:由於半導體二極體D的單嚮導電特性,只有當變壓器B次級電壓U2為正半周時,才有電流IL流過負載RL,而負半周時IL則被截斷,使負載兩端的電壓UL成為單向脈動直流電壓,U=為其直流成分
。
單相全波整流電路
單相全波容性負載整流電路:電源變壓器B的次級繞組具有中心抽頭0;因此,可以得到電壓值相等而相位相差180°的交流電壓U21和U22,分別經二極體D1和D2整流。在未加入電容C(即阻性負載)時,當變壓器B次級繞組1的交流電壓為正、2端為負時,D1導通,D2截止,流經負載的電流為ID1,另半個周期時,則2端為正,1端為負,此時D2導通,D1截止,流經負載的電流ID2。ID1和ID2交替流經負載,使負載電流IL為單向的連續脈動直流
。
單相橋式整流電路
容性負載單相橋式整流電路:它的四臂是由四隻二極體構成,當變壓器B次級的1端為正、2端為負時,二極體D2和D4因承受正向電壓而導通,D1和D3因承受反向電壓而截止。此時,電流由變壓器1端通過D4經RL,再經D2返回2端。當1端為正時,二極體D1、D3導通,D2、D4截止,電流則由2端通過D3流經RL,再經D1返回1端。因此,與全波整流一樣,在一個周期內的正負半周都有電流流過負載,而且始終是同一方向
。
三相半波整流電路
整流變壓器次級接成星形,各相出頭與整流二極體(或矽整流器)相連,變壓器的零點為“負”極,各整流管輸出端連成一點為正極
。
三相全波整流電路
三相全波整流電路:三相全波整流電路實際是由兩套三相半波整流器相串聯組成的。第一套三相半波整流器是由變壓器次級線圈L1、L2、L3和整流管D1、D2、D3組成的,第二套三相半波整流器是由L1、L2、L3和D4、D5、D6組成的。設在最初時,相對於0點的正電壓最大值在c相,而負電壓最大值在b相。電流由0點流經L3、D3、A+、負載L、R、B-、D5、L2,回到0點。如果下一個瞬時,a相最大,負載電流就會從c相移到a相上,此時電流,沿著0點、D1、A+、負載L、R、B-、D5、L2,流回0點。同理可以分析三相全波整流器每經過60°的工作情況
。

