簡介
光衰減器是一種非常重要的纖維光學無源器件,它可按用戶的要求將光信號能量進行預期地衰減,常用於吸收或反射掉光功率餘量、評估系統的損耗及各種測試中。目前,系列化光衰減器已廣泛套用於光通信領域,給用戶帶來了方便。
一種插入光路中可使光信號功率按設定要求衰減的光器件。用它來調節光通信系統或測試系統所傳輸的光信號的功率,使系統達到良好的工作狀態。也常用以檢測光接收機的靈敏度和動態範圍。
光衰減器可分為固定型衰減器、分級可調型衰減器、連續可調型衰減器、連續與分級組合型衰減器等。其主要性能參數是衰減量和精度。
通常在玻璃基片上蒸發或濺射金屬膜或採用有高吸收作用的摻雜玻璃製成衰減片。通過控制鍍膜厚度或控制玻璃的摻雜量及其厚度的方法來獲得所需的衰減量。也有用兩段光纖對接時的耦合損耗來製成衰減器的。
系列化光衰減器的工作原理
1光衰減器分類為
光衰減器:
1. 位移型光衰減器:
橫向位移型光衰減器
縱向位移型光衰減器
2.衰減片型光衰減器
3.智慧型型光衰減器
系列化光衰減器中,不同類型的光衰減器原理不同。
2位移型光衰減器的工作原理
位移型光衰減器利用光纖的衰減量隨其對中精度而變化的原理,有意在對接光纖時,使光纖之間發生一定位移,從而達到衰減一定光能量的目的,位移型光衰減器,製作時可採用橫向位移法和縱向位移法。
3位移型固定衰減器的種類
位移型固定衰減器可分成轉換器式和變換器式兩類。
(1)轉換器式光固定衰減器轉換器式光固定衰減器性能穩定,兩端均為轉換器接口,衰減量分5、10、15、20、25 dB五種,使用極為方便,可直接與各類型連線器配合使用,僅需將連線器中的轉換器取下,換上同型號光衰減器,即可達到衰減光信號的目的,根據不同的連線埠,有如下幾種種類型:
轉換器式光:FC型、SC型、ST型
固定衰減器:FC-SC型、FC-ST型、SC-ST型
(2)變換器式光固定衰減器
變換器式光固定衰減器的一端為連線器插頭,另一端為轉換器連線埠。其性能穩定,衰減量分5、10、15、20、25 dB五種。使用時,僅需在連線器處插入同型號變換式光衰減器,即可線上路中達到衰減光信號的目的,根據不同的連線埠,有如下幾種類型:
SC→FC型、ST→FC型、SC→ST型
變換器式固定衰減器: ST→SC型、FC→SC型、FC→ST型
C型、SC型、ST型
4衰減片型光衰減器
衰減片型光衰減器直接將具有吸收特性的衰減片,固定在光路中來達到衰減光信號目的。衰減片採用吸收型玻璃片或在玻璃基片上鍍吸收膜的方法來製作。衰減片型光衰減器可分為步進式雙輪可變光衰減器和連續可變衰減器。
5步進式雙輪可變光衰減器
步進式雙輪可變光衰減器的結構如圖1所示。採用準直器出射的平行光路,光路中插入了兩個具有固定衰減量的衰減圓盤,每個衰減圓盤上分別裝有0、5、10、15、20, 25 dB六個衰減片,通過旋轉這兩個圓盤,使兩個圓盤上的不同衰減片相互組合,即可獲得5、10、15、20、25、30、35、40、45、50 dB的十檔衰減量。當然,如果想獲得其它衰減範圍的步進式衰減器,只要對衰減盤上的濾光片及位置做相應的改變,便可很容易地達到預期目的。
圖1 步進式雙輪可變光衰減器結構圖6連續可變光衰減器
連續可變光衰減器總體結構和工作原理同雙輪步進式可變光衰減器的相似(如圖2所示)。但它是由一塊步進衰減片和一片連續變化的衰減片組合而成,步進衰減片的衰減量為0、10、20、30、40、50 dB六檔,連續變化衰減盤的衰減量為0~15dB,因此,總的衰減量調節範圍為: 0~65dB。這樣,通過步進衰減片的粗檔和可變衰減片的細檔的共同作用,即可達到連續衰減光能量的目的。
圖2 雙輪連續式可變光衰減器結構圖7智慧型型光衰減器
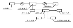
步進式雙輪及雙輪連續式可變光衰減器的工藝很成熟,性能也很穩定,使用極普遍,但由於採用了機械旋鈕調節衰減量、刻度盤讀數等方法,影響了精度。而智慧型型光衰減器則可以克服這種不足。智慧型型光衰減原理框圖如圖3所示,
圖3 智慧型型光衰減器原理圖它通過電路控制微型電機,帶動齒條,使濾光片平移,再將數據編碼盤檢測到的實際衰減量信號反饋到電路中進行修正,從而達到自動驅動、自動檢測和顯示光衰減量的目的。因此,智慧型型光衰減器具有精度高、衰減量連續可調、體積小、便於攜帶、使用簡單方便的特點。智慧型光衰減器的衰減單元採用圖4所示原理,與前面衰減器相比,除濾光片改用全程連續變化中性濾光片外,衰減單元中其它元件均一樣。由於所用濾光片的吸收效率隨濾光片的平移方向呈線性變化,所以,當電機沿著垂直於光路的方向帶動濾光片移動時,就達到了衰減光信號的目的。
圖4 智慧型光衰減器衰減單元示意圖光衰減器的性能
目前,光衰減器的市場越來越大,在無源器件中,其產量僅次於連線器、耦合器等。由於光固定衰減器具有價格低廉、性能穩定、使用簡便的優點,所以,其市場比可變光衰減器大一些。而光可變衰減器由於其靈活性,市場需求仍穩步增長。衰減器是光通信系統中不可缺少的重要無源器件之一,有著廣泛的套用前景。近年來,國外一些大的光學器件公司仍在不斷開發各種新型的高性能光衰減器產品,以求獲得性能更高、體積更小、價格更適宜的光衰減器。
基本介紹
光衰減器是用於對光功率進行衰減的器件,主要用在光纖系統的指標測量、短距離通信系統的信號衰減以及系統試驗等場合。光衰減器要求重量輕、體積小、精度高、穩定性好、使用方便等。它可以分固定式、分級可變式、連續可調式幾種。
可調光衰減器光學測量中一般採用可調式光衰減器。在測量光接收機靈敏度時,通常把它置於光接收機的輸入端,用來調整接收光功率的大小。使用光衰減器時,要保持環境清潔乾燥,不用時要蓋好保護帽。移動時要輕拿輕放,嚴禁碰撞。
基本用途
手持式可調光衰減器分固定衰減量的衰減器和可調衰減量的衰減器,用途:
1、平衡各波長信號增益,用於BA前端;
2、線路中,WDM系統功率控制;
3、閉環輸出功率控制;
4、光探測端功率保護。
常用種類
光衰減器FC法蘭盤式光衰耗器(金屬材質)
FC陰陽插頭式光衰耗器(金屬材質)
SC陰陽插頭式光衰耗器(有金屬材質,但大多是塑膠材質)
LC陰陽插頭式光衰耗器(塑膠材質)
儀表式可調光衰耗器
FC法蘭盤式可調光衰耗器(金屬材質,帶彈簧,旋轉可調)
傳輸設備板卡式電可調光衰減器

