概念
螢光燈(Fluorescent lamp),或稱 日光燈、 燈管、 螢光管、 光管,是一種照明裝置,屬於弧光燈的一種。它使用電力在氬或氖氣中激發水銀蒸氣,形成等離子並發出短波紫外線,紫外線被磷質吸收後,磷會發出可見的光以照明,這樣發出可見光的方式屬於螢光。
一般的螢光管以玻璃製造,在兩端裝有插口以連線電源及固定螢光管的位置。
與電燈泡不同,螢光管必須設有鎮流器,與啟輝器配合產生讓氣體發生電離的瞬間高壓。
為了取代傳統白熾燈,近年來發展出將燈管、鎮流器、啟輝器結合在一起,配合使用白熾燈燈座的改良型螢光燈泡,稱為節能燈、“節能燈”或“慳電膽”,可以在不更換燈具基座的情況下,直接取代白熾燈使用。
原理
圖1.螢光管的光譜分析圖螢光管內充滿了低壓氬氣或氬氖混合氣體及水銀蒸氣,而在玻璃螢光管的內側表面,則塗上一層磷質螢光漆,在燈管的兩端設有由鎢製成的燈絲線圈。當電源接通後,首先電流通過燈絲加熱並釋放出電子,電子會把管內氣體變成等離子(plasma),並令管內電流加大,當兩組燈絲間的電壓超過一定值之後燈管開始產生放電,使水銀蒸氣發放出253.7nm及185nm波長的紫外線,螢光管內側表面的磷質螢光漆會吸收紫外線,並釋放出較長波長的可見光。發出的光線顏色由磷質成分的比例控制,而玻璃管則避免有害的紫外線及其他有害物質如水銀泄漏出來。
螢光管的放電電流與導通電阻之間存在一個正反饋關係:當更多電流流進螢光管後使得更多氣體被離子化,使得管內的導通電阻不斷降低,如此便會令更多電流入螢光管內。如果將螢光管直接接到固定電壓的電源,螢光管將會因電流不斷上升而很快被燒毀,因此需要以一個輔助電路控制進入螢光管的電流在一固定水平,而這個電流控制電路通常被稱為鎮流器。傳統鎮流器實際上是一個電感,當導通電阻降到很低的時候,鎮流器固定的感抗和銅耗使導通電流近似於定值,開始穩定工作。傳統鎮流器需搭配一個稱為啟輝器(Starter,俗稱“士賴達”、“跳泡”)的小元件才能使燈絲間的壓差達到使螢光管足以放電的程度,最新的電子式鎮流器則不需要啟輝器,因為啟動工作已被包含在鎮流器內。
規格
日光燈管如果照直徑來分類,可分成T2、T3.5、T4、T5、T6、T8、T9、T10、T12等規格,所謂的T5就是直徑為5/8英寸(約16毫米)的日光燈管;T8直徑為1英寸(約25毫米);T9直徑為9/8英寸(約29毫米)的日光燈管。
白熾燈的比較
優點
T8、T9螢光管與同一光度的傳統電燈泡(白熾燈)相比有更高的發光效率,因為更高比例的電能被轉化為可見光,所以同一亮度的螢光管比白熾燈溫度要低。白熾燈一般只能把大約2%的輸入能量轉化為可見光,同一亮度的T8、T9螢光管一般只需前者消耗的約1/3至1/4的電能,使用壽命亦較傳統燈泡更長。
螢光燈管可以提供多種色溫選擇,相較於白熾燈及鹵素燈色溫多介於2700~3300k之間,螢光燈還可以買到6500k、5500k、5000k、4000k等多種色溫。
雖然T8、T9螢光燈的購買成本略高於白熾燈,但它可節省更多能源及電費,較長的壽命亦令其更換成本相對下降,對商業而言亦可節省更換燈泡的人力成本。
缺點
螢光管未能提供穩定的光源,而是閃爍的光源,其閃爍頻率與驅動電壓的頻率有關,雖然人眼不易察覺,但可產生閃光燈效應(strobe effect),在一些工作環境可能造成危險,例如轉動的風扇,假如其頻率與螢光管相同,就會看似停止不動。螢光管亦會令攝錄機拍攝的片段出現閃爍,雖然傳統燈泡亦會出現閃爍,但其強度則較低。螢光管亦不能使用標準的亮度調節開關。
電子式鎮流器已經基本解決這個問題。傳統的電感式鎮流器採用市電(頻率為50~60Hz)直接驅動螢光管,而電子式鎮流器採用高頻振盪反饋式鎮流(高頻開關切換式諧振電路限流),其輸出的驅動電壓頻率已大大提高,螢光管的閃爍頻率也相應提高,人的肉眼已經不會被這種高頻閃爍影響。
國際大廠已經開始陸續停產T9燈管,改推薦T5燈管,僅剩下台灣燈管品牌仍在大量生產,可以預期在供給量減少的情況下,T9燈管會比較少見。然T8燈管因為沒有T9燈管的主要缺點--汞含量過高,但T8燈管較T5耗電也逐漸減少,若非T5燈具與光源顯著降價,T8,T9還是會被大量使用。
螢光燈管的演色性較低,傳統白熾燈及鹵素燈有100的演色性,市售螢光燈管的演色性大多超過80,演色性超過90的螢光燈管就比較難購買;因此螢光燈管的光線較為不自然不舒適。
補充
光源對物體的顯色能力,即光源使物體呈現其本身色彩的能力,稱為顯色性,是通過與同色溫的參考或基準光源(白熾燈或畫光)下物體外觀顏色的比較。光所發射的光譜內容決定光源的光色,但同樣光色可由許多,少數甚至僅僅兩個單色的光波縱使而成,對各個顏色的顯色性亦大不相同。相同光色的光源會有相異的光譜組成,光譜組成較廣的光源較有可能提供較佳的顯色品質。當光源光譜中很少或缺乏物體在基準光源下所反射的主波時,會使顏色產生明顯的色差(color shift)。色差程度愈大,光源對該色的顯色性愈差。顯色指數係數(Kaufman)仍為定義光源顯色性評價的普遍方法。
能正確表現物質本來的顏色需使用顯色指數(Ra)高的光源,其數值接近100,顯色性最好。要鮮明地強調特定色彩,表現美的生活可以利用加色的方法來加強顯色效果。採用低色溫光源照射,能使紅色更加鮮艷;採用中等色溫光源照射,使藍色具有清涼感;採用高色溫光源照射,使物體有冷的感覺。
節能燈的比較
優點
相對於相同亮度的節能燈,燈管的價格較為便宜。
最高級的T8燈管可以達到99的高演色性,而最高級的節能燈的演色性只能超過90,演色性高的光源會讓顏色自然,且對視力及健康有利。不少人會因為認為日光燈/節能燈是劣質光線而使用白熾燈或鹵素燈,但若使用演色性達99的燈管,則會有更多人能接受螢光燈管,則可以減少發熱光源的需求。
缺點
隨著科技不斷進步,節能燈已較年代久遠的T8、T9日光燈配合傳統鎮流器省電,特別是螺旋狀的日光燈。然新一代T8燈管配上預熱型電子鎮流器,仍遠較節能燈省電。節能燈的發光效率約每瓦55~60流明,而配合電子鎮流器的新一代T8燈管,其發光效率可達每瓦80流明以上。許多T8/T9燈管的演色性差,多數節能燈能達到80以上的演色性。節能燈更換容易。
T5日光燈
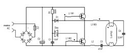
圖2.電子式鎮流器電路圖T5日光燈最早出現於1995年,是商業化生產的日光燈中,最為省電的一種,然而其燈具和T8、T9的管並不相容,必須花錢採購專用燈具,此為其普及的障礙之一。
理論上T5管必須配合電子鎮流器使用,在T8配合電子鎮流器可以在理論上在接近T5管的效率,但實際環境下仍是T5管明顯地有較高效率,原因是兩者的最佳工作溫度不同。 T5使用固態汞,其最佳工作溫度約為攝氏35度,而T8使用的是液態汞,其最佳工作溫度大約是25℃。根據香港機電工程署的一份測試報告,螢光燈在操作時,其本身溫度會比環境溫度高約10℃,若有加燈罩的情況下更會比環境溫度高15℃。因此在一般有空調的環境中,加上螢火燈自身的發熱後,螢火燈的工作溫度約在35至40℃之間,剛好是T5螢火燈的最高效率的工作溫度內;而在更高溫度的環境中(無空調的地方),T5也比T8有更高效率。
不過,T5燈有高輸出和高效率兩種,前者在同樣長度、同瓦數時較亮,後者較省電,選購時要略為注意。
T5管內在磷的表面加上了一層薄膜,這層薄膜防止汞被磷吸收,因此T5管使用的汞較少;同時也防止了因為磷吸收了汞後效率降低,所以T5管在長期使用後光度比較穩定,在工作經過其壽命的40%後,光度也只有5%的下跌。
T5日光燈省電效果也比現今的傳統燈泡、節能燈和LED都來的好,;由於直徑比較小,故使用的玻璃、螢光粉和汞都較傳統的T8、T9節省,可以說是最省電也相對環保的照明工具,但缺點是價格較高(但仍比LED便宜很多很多)。 T5燈管的演色性比不上演色性最高的T8燈管。
T5日光燈最好是採用預熱型啟動電子鎮流器,但仍有些產品採用傳統的電感式鎮流器或是瞬時啟動無預熱型電子鎮流器,此類產品較為耗電、易產生閃爍,而且也使螢光燈的壽命縮短,購買時宜特別留意。
而T5燈管的最大對手是CCFL燈管,CCFL燈管的效率或許略低於T5燈管、但也相差不遠,CCFL壽命極長、耐點滅、單支含汞量已經很低、整體汞消耗量則更低,因此整體環保效益更佳。
對仍使用傳統型鎮流器配合T8燈管之使用者而言,最具成本效益的升級方式乃是更換成新型的預熱式電子鎮流器(優點是不閃爍、省電、相對耐點滅、延長燈管壽命,缺點是要1~2秒才能點亮),如果需要高品質光線則是在換了鎮流器後、再換成演色性大於90甚至達98的T8燈管,如果想要長壽命、最低汞污染及經常點滅則是換成CCFL燈管,而不是換成T5燈。
效率
| 型式 | 光源效率 (LM/W) | 平均壽命 (小時) | 特性 | 使用範圍 |
| 管型燈管 Tubular-lamp | 60至104 | 5000至12000 | 有各種不同的光色可以選擇,可達到高照度併兼顧經濟性 | 辦公室,商場,住宅,一般公共建築 |
| PL燈管 PL-LAMP | 46至87 | 8000至10000 | 體積小,壽命長,效率高,省電 | 局部照明,安全照明方向指標照明 |
| SL省電燈管 | 39至50 | 6000 | 若演色性要求不高、能直接取代普通白熾燈泡 | 大部分使用普通白熾燈泡的場所均可以使用 |
比較
螢光燈的光效類似於一體式螢光燈(CFL)。
| 白熾燈 | 鹵素燈 | 節能燈 | LED | |
| 售價 | $0.41 | $1.17 | $0.99 | $3.99 |
| 功率(瓦特) | 60 | 43 | 14 | 8.5 |
| 平均光通(流明) | 860 | 750 | 775 | 800 |
| 光效(流明/瓦特) | 14.3 | 17.4 | 55.4 | 94.1 |
| 色溫(開爾文) | 2700 | 2920 | 2700 | 2700 |
| 演色性(CRI) | 100 | 100 | 82 | 80 |
| 壽命(小時) | 1,000 | 1,000 | 10,000 | 15,000 |
| 可用年數(每天6小時) | 0.46 | 0.46 | 4.6 | 6.8 |
| 20年電費(0.11美元/KWh) | $289 | $207 | $67 | $41 |
| 20年總開支 | $307 | $259 | $70 | $53 |
| (按白熾燈亮度比例折合) | $307 | $297 | $78 | $57 |
| 基於每日六小時用量計算(20年共43,800小時) |
競爭者
除了節能燈外,目最強力的競爭者為高強度氣體放電燈,長遠來看最有潛力的競爭者則是冷陰極螢光燈管或者發光二極體固態照明技術。
但是LED目前有價格偏高、散熱器過大、演色性差及發光效率仍待加強等缺點,要和普通T8、T9日光燈管甚至T5日光燈管競爭仍需等到很長一段時間,尚未成熟。
冷陰極螢光燈管為大多數液晶顯示器所採用的背光光源,其壽命為一般螢光燈的三倍以上,且具有反覆啟動也不易光衰的特性。然此項技術多在LCD廠商手中,傳統三大照明廠均不打算推展此項商品,為其普及的障礙。
雖然全世界的專家們都相信LED終將取代所有日光燈管和節能燈,但這一天的來臨依舊是遙遠而未可知。
鑒於螢光燈的適用場所大都為較低空間的室內一般性照明,HID並非其主要競爭對手。目前來看,LED是其最主要的也是最有潛力的競爭者。國內市場已經開始採用LED照明產品來替代螢光燈的嘗試,除了價格仍處不利態勢,LED已經超越了螢光燈。如果不是簡單地替換燈管,而是燈具整體更換,或者是新建照明系統,則LED甚至在造價方面也沒有太顯著的劣勢。比如一個600*600標準螢光燈盤,若採用同光通量的LED燈盤,其價格後者無非前者的1.5~2倍,而壽命等性能大幅度提升了,更遑論環保意義。
環境問題
螢光管內有水銀成分,對人體有害。胡亂棄置螢光管會對環境造成損害,因此處理棄置的螢光管成為一個問題。目前只有部分國家和地區(例如:韓國、巴西、台灣)會對廢棄的螢光管實行回收,並把螢光管安全地處理掉。由於在螢光管內僅能使用水銀蒸氣,實際的水銀含量是很低的(少於1mg),回收時要先抽氣也造成回收的困難度。而固態汞螢光燈管的逐漸普及則可以減輕這方面的難度。

