振盪電路
振盪電路的作用
振盪電路是一種能量轉換裝置,它無需外加信號,就能自動地把直流電轉換成具有一定頻率、一定振幅和一定波形的交流信號。可作為各種信號源及調幅或調頻的載波信號等。
振盪電路的分類
振盪器可分為兩大類:一類是正弦波振盪器,其輸出波形是正弦波,用途極為廣泛。如各種頻率的正弦波信號發生器,本振、載波振盪器等。另一類是非正弦波振盪器,其輸出波形明顯不是正弦波,而是包含豐富的諧波。如方波、尖頂脈衝、鋸齒波、三角形波等。它們廣泛地用於計數、計時及RC振盪電路和晶體振盪器中。
振盪電路的振盪條件
振盪電路的方框圖如圖1所示。如果從輸出電壓u中取出與輸入電壓u同相位的正反饋電壓u,且u=u,則就可用反饋的信號代替輸入信號。這樣放大電路不要輸入信號也能夠保持輸出電壓u。這時正反饋放大電路就變成了自激振盪器。由此可見,一個放大電路產生振盪的條件是:
(1)相位條件振盪電路中必須有一個由放大器和正反饋網路構成的反饋環,要保證反饋到放大電路輸入端的電壓相位與原輸入電壓相位一致,形成正反饋。
(2) 幅度條件為了持續振盪,穩定輸出,反饋到放大電路輸入端的電壓不得低於原輸入電壓。
另外,為了輸出某一特定頻率,還需要有選頻網路。
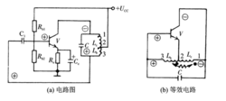
圖1 振盪器的方框圖變壓器反饋式振盪器
低頻振盪器電路如圖2所示,其中C、L作為選頻網路,電路類似於調諧放大器,但無需外加輸入信號,而是通過變壓器耦合把輸出信號反饋到輸入端。一般滿足幅度起振平衡條件是沒問題的,關鍵是相位平衡條件,即要求是正反饋。從圖中標的瞬時極性可知,滿足正反饋要求,可以產生振盪。
其他形式的振盪器簡介
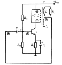
(1)電感三端式振盪器
又稱哈特萊振盪器,是一種套用比較廣泛的振盪電路,如圖3所示。其瞬時極性滿足相位平衡條件,振盪頻率為
低頻振盪器
圖3 電感三端式振盪器(2) 電容三端式振盪器
又稱考畢茲振盪器,電路如圖4所示。三極體三端分別接一個電感或電容,因此叫三端式振盪器。
圖4 電容三端式振盪器(3)RC振盪器
LC振盪器一般用於要求振盪頻率較高的電子設備中,若要求產生的頻率較低,如幾十千赫以下,LC振盪器所需要的電感和電容值都比較大,因此低頻振盪器一般用RC振盪器。關鍵是要滿足相位平衡條件,一級RC相移網路如圖5所示。
圖5 RC相移網路一級RC電路產生的相移在0°~90°之間,若用RC串、並聯組成如圖6所示相移網路,則其相移為-90°~+90°。
圖6 RC串、並聯相移網路