概念
二次放電是指由於雷電衝擊過電壓的作用,在雷擊點以外其他點發生的再次放電。二次放電可能引起爆炸和火災,也可能造成電擊,跨接是防止二次放電的基本方法。例如,第一類防雷建築物獨立架設的防雷裝置與不相連線的導體之間的距離不得小於3 m。
水中高壓放電的二次放電現象
研究背景
圖 1 實驗裝置示意圖當負載為空中的一段金屬絲(或箔)時,衝擊大電流裝置的主放電迴路等效為RLC串聯迴路。按照RLC串聯迴路的零輸入回響,迴路電流 i(t) 的波形取決於衰減係數β的大小(β=R/2L)。當β很小時為衰減振盪;當β增大到臨界阻尼時為臨界振盪;當 β 進一步增大到過阻尼時電流不再產生振盪,而是如同 RC 迴路零輸入回響,成單調下降。然而水中高壓放電比空中複雜得多,研究述及的一種現象是空中所沒有的,就是放電分兩次完成。放電開始時電流有一次振盪,然後回零,經過一段較長時間後,又發生振盪。我們用電測方法發現這一現象後,再利用高速攝影捕捉到了二次放電的分幅和掃描的直觀圖象。
典型的二次放電電流、電壓波形
圖2 二次放電現象的高速陰影照片通過大量實驗發現,當充電電容為 180μF,充電電壓為 1.4kV,極間距為 20—30mm 時,易產生二次放電。圖2為二次放電現象的高速陰影照片。拍攝頻率為 6.25 萬幅/s。照片的第一幅是第一次放電。銅絲已氣化發光,銅絲周圍的陰影區是衝擊波傳播的痕跡(因為衝擊波速度高而拍攝頻率相對較低,衝擊波不能清晰成象)。第三幅顯示出電極間已經熄弧,衝擊波傳播的陰影直徑已經擴大了數倍。水下爆炸的爆炸氣體形成高壓氣團,亦稱氣球、氣泡。從第三幅起氣泡逐漸擴大,至第 51 幅時,氣泡中出現光團。這是第二次放電的結果。兩次放電相隔 50 個畫幅,即800μ。
圖3 二次放電全過程的高速陰影照片圖3為第二次放電全過程的高速陰影照片。拍攝頻率6.25 萬幅/s,相鄰照片的時間間隔 32μs,第一幅照片在起爆後 750μs。第一幅氣泡已增長較大,從第二幅開始,在氣泡中央出現光團,迅速擴大、變小、再次擴大,然後逐漸熄弧。持續時間約 200μs。圖3說明二次放電發生在氣泡增長較大的時刻並且電弧只存在於氣泡內。
研究結論
綜上所述,水中高壓放電在充電電容較大、充電電壓較低的情況下,對於一個特定的極間距範圍存在二次放電現象。當放電分兩次完成時,第一次放電時間短,電漿半徑小;第二次放電時間長,約為前者100 倍以上;電漿半徑大,是前者10倍以上;兩者電流峰值相近,後者稍大。兩次放電的間隔為亞毫秒至毫秒。第一次放電銅絲剛剛氣化形成高溫、高壓、高速的爆炸氣體,電漿在密度很高的爆炸氣體中產生。由於充電電壓較低,第一次放電後電離很難維持,放電中斷,電壓維持在 1000V 左右,緩慢下降。這時,由於爆炸氣體膨脹形成氣泡,隨著爆炸氣體高速運動氣泡體積不斷擴大,密度、壓力下降,當壓力降至氣體擊穿電壓對應的臨界壓力時,再次產生電漿,形成第二次放電。亦即二次放電現象是由於氣泡的存在和擴張。第二次放電的波形、周期與第一次放電不同。因為形成的條件不同,放電迴路參數也不相同。水中高壓放電的物理過程非常複雜。由於比空中高壓放電的衝擊波速度高,電漿穩定性好,水中高壓放電的套用研究成為眾多學者關注的領域之一。研究發現水中高壓放電存在的二次放電現象以及相關的電漿形成、箍縮、穩定性等問題值得深入研究。
二次放電線上檢測蓄電池內阻
直流操作電源系統是變電站不可缺少的二次設備。該系統由整流電源和蓄電池組組成。在正常情況下,整流電源為變電站、發電廠內直流設備供電,同時給蓄電池組充電,保證蓄電池處於滿容量狀態。當發生交流停電時,蓄電池組放電,保證直流設備不會停電。隨著變電站等級的提高,蓄電池的容量呈遞增狀態 ,而蓄電池的費用也呈遞增狀態。尤其是500 kV變電站及發電廠用的直流操作電源系統,蓄電池組在整套設備中的費用比重遠大於整流電源所占費用比重。
為了及時得到每節蓄電池的工作情況,並且減少維護的工作量(電力系統正在大力推行變電站無人值守),在較為重要的變電站,特別是 110 kV以上等級的變電站及發電廠的直流操作電源系統中大多要求配置蓄電池檢測裝置。沿用的蓄電池巡檢裝置,主要是檢測蓄電池組中每節蓄電池的端電壓。端電壓能直接反映蓄電池的過充和欠充,而且在放電狀態下能在一定程度上反映各節電池的狀態。但由於蓄電池組長期處於浮充電狀態,而性能很差或連線不良的蓄電池在浮充電狀態時,端電壓的變化並不明顯,而等到蓄電池放電時發現異常,往往為時已晚。因此,先進的蓄電池檢測裝置應具備容量檢測功能。
蓄電池內阻檢測原理
圖4 蓄電池內阻等效圖文獻 給出了蓄電池的內部等效電路模型,如圖4所示,電流在蓄電池內部的傳導包括金屬路徑和電化學路徑。金屬路徑包括極柱、匯流排、板柵以及板柵與塗膏間的電阻;電化學路徑包括極板、電解質和隔膜的電阻。並聯的極板與它們之間的介電物質構成電容 C。由於使用蓄電池設備的頻率較低,因此電感可忽略不計。
根據電流傳導路徑的不同 , 將蓄電池內阻分為金屬電阻R和電化學電阻R兩大部分,則圖4可簡化。R隨著金屬的腐蝕、蠕變和硫化等因素緩慢變化,在一個較短的時間內,可認為是常量;而 R則隨著容量的狀態發生變化,但是這部分變化又被並聯的電容容抗變化所掩蓋。相關文獻採用交流法對蓄電池內阻進行測量,即在蓄電池兩極注入低頻交流電流信號 I,檢測在蓄電池兩極產生的低頻交流電壓值U,則蓄電池內阻 R =U/I。這種方法的優點是可以實現蓄電池內阻的線上測量,即進行內阻測量時蓄電池組無需脫離直流母線。但由於蓄電池等效電路中的C閾值比較大,導致容抗很小,因此,採用交流法檢測蓄電池內阻時,檢測到的實際上是由 R 和 C 串聯的阻抗,而 R 被忽略了。
二次放電檢測蓄電池內阻
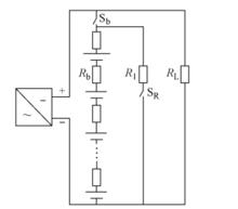
圖5 離線式瞬間大電流放電測內阻原理將蓄電池組進行整組放電,分別記錄每節蓄電池的U和U,結合放電電流I,可得到每節蓄電池的內阻。但這種方法套用於電力直流操作電源系統有難以克服的缺點。將單節蓄電池等效為一直流電壓源與其內阻的串聯,則蓄電池組與整流電源及負載的連線如圖5所示。通常情況下,蓄電池開關S閉合,蓄電池組與整流電源並聯在直流母線上,交流停電整流電源無輸出時,蓄電池作為後備電源為負載 R提供不間斷電源。在蓄電池組與整流電源並聯且整流電源有輸出的情況下,閉合放電開關 S 進行內阻測試,要保證蓄電池組本身的放電電流在預定的 0.3 C~0.5 C 之內,則必須根據整流電源的限流值來確定放電電阻R的大小。這顯然難以適應工程推廣的需要,而且放電瞬間直流母線電壓跌落也會造成負載設備運行不穩定。
常見的做法是在進行蓄電池內阻測試時,將蓄電池開關 S 斷開,即蓄電池組進行內阻測試時脫離母線,該方式被稱為離線式測試。離線式瞬間大電流放電測內阻雖然時間很短,但畢竟難以完全保證負載的不間斷供電,因此該方式難以為重要的變電站中的直流操作電源系統所接受。
實際上,蓄電池內阻與環境溫度、電池的充電狀態和放電速率等都有關係,例如環境溫度過低會導致蓄電池容量下降、內阻增加,因此,獨立的單體蓄電池的內阻不能說明蓄電池的狀態,蓄電池內阻測量的作用更多地顯示為同一蓄電池組內各節蓄電池的比較,為確定落後電池提供依據。
研究結論
以二次放電技術實現蓄電池組的線上內阻檢測,為每節蓄電池配置一塊測試單元,與一台監測單元相配合,組成分散式蓄電池監測系統,可對蓄電池組實現完善的實時監測。與傳統的蓄電池巡檢裝置相比,該系統具有以下2個顯著特點,非常適合工程套用:
1)測試單元由於體積較小,並且以每節蓄電池端電壓作為其輸入電源,因此可就近連線,甚至置於蓄電池表面。與蓄電池一一對應,連線線的危險性大大降低,只要注意正負即可。
2)測試單元通過端子上的 RS- 485 匯流排,與上位機只有 2 根通信線相連,取代了傳統蓄電池巡檢裝置的大量採樣長線,現場簡潔,走線方便。
由於每節蓄電池配置一塊測試單元,必然造成裝置成本提高。就該裝置的特點而言,蓄電池組中的蓄電池數量越多,該裝置相對於傳統通過採樣線集中採集蓄電池端電壓的裝置,在安全性和測量精度方面的優勢越明顯,但成本也急劇增加。因此,該裝置套用於2 V蓄電池組成的蓄電池組會受制於其偏高的成本。但若套用於12 V蓄電池組成的蓄電池組,以 220 V 系統為例,18 塊或19 塊測試單元的成本不過 1000 多元,與傳統的蓄電池巡檢儀相比,其性價比具有很大的優勢。

