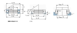
SKF53207軸承尺寸參數型號:53207軸承品牌:SKF軸承系列:推力球軸承,單向,帶球面軸承座墊圈SKF53207軸承用途可以用於:整熨設備洗滌設備,吹瓶機,乳品機械,間壁式換熱器,起重機,真空泵,疲勞試驗機,注塑機配件,砂磨機,除濕機,上光機,制丸機,裁斷機,滾動導軌,電子元件成型機,等等用途。SKF53207軸承樣本圖片SKF 53207軸承樣本圖