SAMM法的運用步驟
矩陣法是一種把思考的要素排列成縱行和橫行,從而可以簡易地表明要素相互關係的方法。SAMM法就是將檢核表的項目排成橫行,把屬性列舉排成縱行。形成一個矩陣,簡明地表示這些要素相互之間的關係。
然後,按照項目的順序檢查各個屬性,並強制他們發生關係,從中得到啟發,萌發構想。
SAMM法的使用原則
1、越是縮小問題的焦點,就越容易產生構想。
2、越是搞清相關性,就越容易萌發創造。此法按項目順序檢查屬性,並努力使它們發生聯繫,可從中得到啟發,產生創造思維的火花。
3、強調簡化的原則,即做到不易、簡易、變易、互易。
4、注意綜合。
5、條理化、系統化。
該技法的使用領域較廣,在改進和開發產品中套用最為有效。在使用時可以1人進行,也可以小組討論運用。
SAMM法螺絲刀實例分析
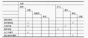
首先,在矩陣的橫行中排列奧斯本的檢核表的幾個項目(如下表,已使之簡化)。然後,使用屬性列舉法,列出螺絲刀的屬性,這些屬性可歸納為下列5點:
(1)圓棒狀的鋼鐵製成的軸
(2)木製的手柄
(3)楔子型的前端
(4)可以用手操作
(5)供旋轉和擰轉之用。
如果把這些屬性排成縱行,就可以形成下表所示的矩陣。
SAMM法.利用該矩陣,就可以按照檢查項目對各個屬性逐一進行檢查。
如果按照圖中所列的情況進行檢查:去掉圓型的鋼鐵軸?那可不行。那么,代用品呢?是啊,即使不是圓形的軸…..組合起來的話?如果加上什麼呢?…..需要把形體改小嗎?
按照這樣的思路,根據檢核表的研究項目進行思考,可以發現下列的改進辦法(上表中的X表示改進要點)。
(1)如果把軸改成六角形,用鉗子夾住也可以擰螺絲。
(2)用塑膠製作手柄以提高強度。
(3)使前端可以替換,以便有多種用途。
(4)利用電動進行操作
(5)採用使壓力變換成擰轉力的機構。
