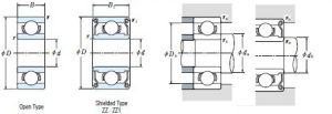
NSK602軸承規格尺寸
型號:602軸承
品牌:NSK軸承
系列:微型深溝球軸承
NSK602軸承尺寸參數
系列:微型深溝球軸承
型號:602
內徑:2
外徑:7
厚度:2.8
外形尺寸(mm)B1:3.5
外形尺寸(mm)rmin:0.15
外形尺寸(mm)r1倒角最小:0.15
Cr額定動載荷(N):385
Cr額定靜載荷(N):127
Cr額定動載荷(kg):39
Cr額定靜載荷(kg):13
極限轉速Grease脂潤滑:63000
極限轉速Oil油潤滑:75000
安裝尺寸(mm)a.最小:3.2
安裝尺寸(mm)db最大:3.8
安裝尺寸(mm)a最大:05.8
安裝尺寸(mm):06.2
安裝尺寸(mm)a最大:0.15
安裝尺寸(mm)b最大:0.15
Mass重量:0.51
NSK602軸承用途
可以用於:
NSK602軸承樣本圖片
NSKNSK 602軸承樣本圖

