LUGB-J經濟型渦街流量計
一 用途和特點
1 用途
LUGB-J經濟型渦街流量計廣泛用於石油、化工、電力、輕工等部門工業管道中測量液體或氣體的流量。由於感測器材料為1Cr18Ni9Ti,也可用於城市供水、供熱、鍋爐供水、醫療行業流體管道的流量測量。
2 特點
(1)結構簡單,無可動部件,安裝維修方便,壽命長。
(2)壓力損失小,量程範圍寬。
(3)壓電應力檢測體獨立地安裝在旋渦發生體後方,減少了介質中髒物的影響。
(4)檢測元件不直接與被測介質接觸,尤其適合於惡劣環境下的流量測量。
(5)可現場顯示,也可遠傳,還可與計算機控制系統聯網。
二 結構和工作原理
1 結構
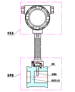
LUGB-J渦街流量感測器由檢測器、轉換器兩大部分組成。
檢測器由表體、旋渦發生體、檢測體組成。
轉換器由外殼及電壓脈衝信號板組成。
經濟型渦街流量計結構圖2 工作原理
LUGB渦街流量感測器是利用卡門渦街原理,用來測量蒸汽、氣體及低粘度的液體的流量儀表。當流體流過與被測介質流向垂直放置的旋渦發生體時,在其後方兩側交替地產生兩列旋渦,稱之為卡門渦街,如下圖2所示。在一定雷諾數範圍內(2×104~7×106),旋渦所產生的頻率f與介質的平均速度V及旋渦發生體的迎流面寬度d之間有下列關係:
f=St 式中St為斯特勞哈爾數,它是無量綱常數,當ReD=2×104~7×106時約為0.15~0.22,通過壓電元件檢測出旋渦產生的頻率f,就可計算出平均流速V,從而確定管道內的體積流量:QV=,其中K為儀表係數(脈衝數/單位體積)
經濟型渦街流量計原理圖三 型號及主要技術參數
1 型號
經濟型電磁流量計型號2 主要技術參數
公稱通徑
DN25、DN40、DN50、DN65、DN80、DN100、DN125、DN150、DN200、DN250、DN300
被測介質
氣體、液體、蒸汽
公稱壓力
2.5MPa(>2.5MPa協商供貨)
精度等級
液體1級氣體1.5級
環境溫度
現場直讀式感測器:0℃~55℃;脈衝信號感測器:-20℃~70℃。
被測介質溫度
-20℃~+160℃100℃~+280℃100℃~+350℃
流量範圍
見表2、表3、表4
輸出信號類型
電壓脈衝信號(三線制):低電平≤2V 高電平≥6V
供電電源
採用外電源時:12~24VDC/30mA(-20%~+15%)
材料
ZG0Cr18Ni9

