產品概述
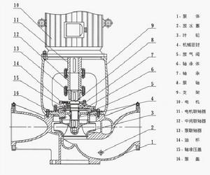
ISGB型便拆立式管道泵特別是在整體結構上進行大膽突破設計。採用獨立軸承體、泵軸支撐,解決了原來立式泵靠電機軸承支撐的不足之處;採用優秀水力模型的葉輪,消除了原立式泵軸向力大的不足之處;電機採用Y系列標準通用電機,解決原立式泵加長軸電機配套更換難的問題;同時100%的便拆結構,解決了更換大功率水泵的軸承、機械密封、葉輪、泵軸的難題。
ISGB型便拆立式管道泵具有運轉更平穩、使用壽命長、配套更方便、維護保養更輕鬆等等,無可代替的優點。
產品特點
1、立式結構,安裝調試方便,獨特設計的電機和泵體採用聯接體聯接,同心度高、加工精度高,占地面積大大減少,縮減了泵房建築投資30%一60%。底腳穩固、結構緊湊、精美的鑄造和外觀處理賦予立式離心泵新的美感,使產生品煥發藝術的魅力,可以和國外著名廠家立式泵媲美。
2、運行平穩、噪音極低。
3、軸承採用精密軸承,精度高、可靠性好、壽命長。
4、葉輪採用可自平衡軸向力的水力模型,使得泵軸承和機械密封使用壽命大大延長。
5、電機軸承座內的軸承都配有加油孔和放油孔,對軸承的維護保養十分方便。
6、可拆卸硬性中間聯軸器,使泵起動無振動、無噪音,旋轉部件設有可靠的安全防護罩,安全性極好。
7、機械密封採用不鏽鋼、碳化鎢、氟橡膠等材料製成,耐高溫、高壓,運行壽命長,無滲漏,對軸無磨損,保證工作環境整潔。
8、ISGB型便拆立式管道泵蓋結構設計獨特,只要卸下硬性中間聯軸器、泵蓋螺母,即可十分輕便取出軸承座。泵蓋、泵軸、葉輪等組合件,進行更換機械密封和葉輪,而不必拆卸電機、泵體和管道,維修方便快捷。
工作條件
1、泵系統最高工作壓力為1.6MPa,即泵吸入口壓力+泵揚程≤1.6MPa(泵揚程工作壓力大於1.6MPa時應在訂貨另行提出,以便在製造時泵的過流部件和聯接部件採用鑄鋼)。
2、輸送介質為清水或物理化學性質類似清水的其它液體。(輸送介質帶有細小顆粒的應在訂貨時另行說明,以便裝配耐磨式機械密封)
3、環境溫度≤40℃,海拔高度≤1000m,相對濕度≤95%。
結構圖

