1. ISDN的用戶―網路接口
1.1 接口結構
ISDN用戶―網路接口有兩種接口結構,即BRI和PRI。
BRI (Basic Rate Interface):基本速率接口,提供2個64kbit/s速率的信道和1個16kbit/s速率的信道,也即是2個B信道和1個D信道,總共144kbit/s的信息通路。B信道是用來傳送語音和數據等用戶信息的通路。D信道是用來傳送信令信息和低速分組數據的信道。BRI是大部分用戶所用的接口,用戶可以在這種接口上接入最多達8個的各種類型終端,進行語音、數據和圖像等多種業務的通信。
PRI也稱為基群速率接口,是一種線路類型的通常叫法。PRI(30B+D)速率為2.048Mb/s,可以類比E1線路。它一般套用於:第一、運營商提供的語音服務,線路大小2.048Mb/s,接入ISDN網後可以直接使用電話機與外部通信;第二、從路由器到PBX設備語音線路,可以在PBX的設備下面接Fax和電話機。電話機可以通過路由器與區域網路IP Phone取得聯繫。
PRI接口中B信道的速率與BRI的B信道速率一樣,但其D信道的速率是64kbit/s,這樣D信道就可為更多的B信道提供控制服務。PRI根據各國或地區數字傳輸系統的不同分別有23B+D和30B+D兩種結構。如美國、日本和中國台灣省使用1544kbit/s的一次群速率,其PRI使用23B+D接口結構。歐洲國家和祖國大陸均採用2048kbit/s的一次群速率,PRI使用30B+D結構。由於PRI可以為用戶提供高可靠、大容量的通信頻寬,又由於目前光纖接入的普及,PRI接入非常方便,所以集團用戶大量採用PRI進行接入。
PRI還可支持H信道。H信道分為H0、H11和H12三種,分別支持384kbit/s、1536kbit/s和1920kbit/s的速率。但由於目前支持ISDN的局間信令ISUP並不支持H信道的連線,所以H信道並沒有得到廣泛套用。
1.2 功能群和參考點
為定義ISDN的用戶―網路接口的配置並建立相應的接口標準,ISDN採用功能群和參考點的概念。
功能群是用戶接入ISDN所需的一組功能,參考點是用來分割功能群的點。功能群和參考點都是抽象概念,功能群可由一個或多個設備完成,參考點可以對應也可以不對應一個物理接口。具體的功能群和參考點示意如圖1所示。
ISDN接口協定(1)網路終端1(NT1,Network Termination 1)
NT1包含OSI第一層功能,即用戶線傳輸終端的有關功能。NT1處於網路的邊界,完成電氣物理特性的轉換,如傳輸速率、線路碼型變換和TDM等。
此外,NT1還負責線路的維護功能。例如,環路測試和性能監視等。NT1還可以用一點對多點的方式支持多個終端的同時接入。
(2)網路終端2(NT2,Network Termination 2)
NT2包含OSI的1~3層功能,可完成交換和集中功能。支持NT2功能的設備有能完成集中和交換功能的ISDN PABX。
(3)1類終端設備(TE1,Terminal Equipment 1)
具備標準ISDN接口的終端設備稱為TE1。TE1接口符合S參考點標準,可直接接入ISDN。典型的設備有數字話機和G4傳真機。TE1完成用戶側信令的控制功能和某種高層功能。
(4)2類終端設備(TE2,Terminal Equipment 2)
所有不具備標準ISDN接口的終端設備稱為TE2,如模擬電話機、計算機和G3傳真機。此類終端必須經過終端適配器才能接入ISDN。
(5)終端適配器(TA,Terminal Adaptor)
TA為TE2提供適配功能,這些功能包括速率適配和協定轉換等。不同功能的非標準設備需不同的TA為其提供適配功能。
參考點U對應於用戶線。由於各國的情況不同,U接口的標準不盡相同。NT1與NT2之間的參考點是T參考點。雖然NT1都置於用戶一側,一般仍將T作為用戶與網路的分界點。T參考點之後的設備維護由用戶負責,而運營商負責T參考點之前設備的維護。S參考點是終端設備接入點,它將用戶終端設備和與網路有關的功能分開。在沒有NT2設備的情況下,S參考點和T參考點重疊,稱為S/T參考點。R參考點是非標準設備接入TA的接口。
2.物理層協定
2.1 S/T接口物理層協定
2.1.1 參考配置
ISDN基本速率接口S/T參考點的配置結構主要有兩種,如圖2所示。
ISDN接口協定點對點結構:只有一個TE連線到NT。TE和NT之間的最大距離是1km,這主要是線路傳輸的限制:在96kHz頻率點上最大的傳輸衰減要小於6dB。
點對多點方式時,NT和TE採用匯流排型連線方式。匯流排結構有短無源匯流排和延長無源匯流排2種。TE通過一條無源匯流排接入NT,由於每個TE接入都會引起附加的衰耗和時延。為讓接收器正常工作,必須讓匯流排在沒有TE接入的情況下傳輸時延小於2ms,因此將匯流排上的最大TE個數限制為8個。短無源匯流排上TE可任意布放,高阻抗電纜(150W)時,NT和最遠的TE的距離小於200m,TE到匯流排連線的最大距離為10m。這種結構也是最常用的一種。延長無源匯流排要求TE之間集中於50m的範圍內,TE不超過3個,但是TE距NT1的距離可以大於200m。
2.1.2線路編碼
在S/T接口中,NT與TE之間數據傳輸採用4線傳輸方式,也就是收發分離方式。採用的線路編碼為AMI編碼,即偽三進制碼。AMI編碼用線路無信號(0電平)表示二進制“1”,用正負交替的脈衝表示二進制“0”。S/T接口傳送速率是192kbit/s,其中B信道速率為64kbit/s,D信道速率為16kbit/s。因此2B+D占用144kit/s,剩餘48kbit/s的信息通路用於完成控制、定時和同步等信息的傳送。
2.1.3 幀結構
S/T參考點幀的長度是48bit,幀周期250ms,幀頻4kHz,信號的傳送速率為192kbit/s。但兩個傳輸方向上的幀結構略有不同。圖3中還表示每個比特可能的脈衝極性。每20幀構成1個復幀,也就是復幀的幀周期為5ms,頻率為200Hz。
ISDN接口協定1幀的48bit分配給B1、B2信道各16bit,D信道4bit,另外的12bit作為控制信號供定時、同步等功能使用,其中各比特的含義如下。
F:幀定位比特,1幀的第1bit,標誌1幀的開始,總是正脈衝(相當於二進制“0”)。
L:直流平衡比特,它的作用是保持1幀內的正負脈衝數相等,也就是使1幀中總是含有偶數個二進制“0”。
E:D返回比特,它只包含在NT至TE方向的幀內,其作用是返回NT從TE剛收到的D信道比特上的二進制值。
F:輔助幀定位比特,它的功能是幫助實現幀定位,其值總是“0”。
N:輔助幀定位比特,它只包含在NT至TE方向的幀內,N= F。
A:激活比特,用於S/T接口的激活。
M:復幀定位比特,用於復幀的定位。
B1、B2:信息通路數據,空閒時送二進制“1”。
D:信令通路數據,TE至NT1方向上,空閒時送二進制“1”。NT1至TE方向上,空閒時送二進制“1”或高級數據鏈路控制(HDLC)標識“01111110”。
F比特總是正脈衝,其後的L比特是負脈衝,以後信號中出現的第1個二進制“0”仍是負脈衝,這個點稱為線路碼的“破壞點”。在連續3幀中從F比特起在等於或小於13bit內出現成對的線路碼破壞點則認為收發雙方已經獲得幀定位。如果在過去的3幀時間內檢測不到破壞點,則認為幀失步。TE至NT幀的組成見表1,每個單獨的組由其最後1bit(L比特)來平衡直流。
ISDN接口協定NT傳送的各幀包含1個返回信道(E比特),用來重發從TE收到的D比特。返回D信道是供D信道接入控制用的。NT至TE幀的組成見表2,幀的最後1bit(L比特)用來平衡每個完整的幀。
ISDN接口協定2.1.4 D信道接入規程
S/T參考點採用匯流排接入、多點配置方式時,網路根據D信道的信令控制B信道的接入,所以B信道不存在競爭。而匯流排上的所有TE均可使用D信道傳送信令信息,於是D信道就產生接入競爭。D信道接入規程就是要保證在多點配置情況下只有一個而且僅有一個TE能成功完成D信道信息的傳輸,這個規程也適用於點對點配置。
這個規程是這樣的:當一個TE沒有第2層幀要傳送時,它應在D信道上傳送一組二進制碼“1”。即在TE至NT方向上的幀間時間填充應是一組二進制碼“1”。多個TE在匯流排上進行邏輯“與”的操作,所以只有當所有TE都傳送“1”,NT才會收到“1”。
當NT沒有第二層幀要傳送時,它應傳送一組二進制碼“1”或若干個HDLC標誌,即在NT至TE方向上幀間時間填充應是一組二進制碼“1”或8比特組“01111110”的多次重複。如果幀間時間填充是若干HDLC標誌時,一個幀末端的標誌可以是下一幀的開始。
當NT從多個TE接收到一個D信道比特時,NT在下一個可利用的返回D信道比特位置向TE返回該二進制碼值。若所有TE均傳送“1”,NT到TE的下一個E比特為“1”,否則為“0”。
當一個TE處於激活狀態時,TE監測該返回D信道,對連續的二進制碼“1”進行計數。如果檢測到一個“0”比特,該TE就重新啟動對連續的“1”比特的計數。當前的計數值稱為 C,若 C=11時,就不再增大。一個TE若在E比特中檢測到連續 X個“1”,就可認為D信道空閒。
D信道上傳送不同類型的信息具有不同的優先權。一類優先為第二層信令信息幀,二類優先為所有其他各類信息,如分組數據。一類優先信息優先於二類優先信息傳送。此外,為保證在每個優先權類里所有爭用的TE能合理地接入D信道,一旦一個TE已經成功地完成了一個幀的傳輸,就賦予它在該類中一個較低的優先權。所有的TE都已有機會在該優先權類中的正常級傳送信息時,則讓該TE返回其在該優先權類中的正常級。
優先權原則基於這樣的要求:對於一類優先權,只有當 C等於或大於 X1時,TE才可以開始第二層幀的傳輸。對於二類優先權,只有當 C等於或大於 X2時,TE才可以開始第2層幀的傳輸。正常優先權級別 X1=8, X2=10。較低優先權級別 X1=9, X2=11。
當在D信道上傳送信息時,TE監測所接收的返回D信道,並把傳送的最後一個比特和一個可用的D返回比特進行比較。如果所傳送的比特和所接收到的返回比特相同,則該TE
可繼續傳輸。如果所收到的返回比特和所傳送的比特不同,說明還有其他的TE使用D信道,則該TE應立即停止傳輸,並返回到D信道監測狀態。
2.1.5 激活和去激活
S/T接口上使用激活與解除激活程式,使TE和NT在不通信時的功耗降至最低。激活和解除激活過程受到第二層和管理實體的控制,第一層和第二層、同層管理實體之間利用原語進行通信。
第一層和第二層原語有:
PH-AR(activate request)激活請求;
PH-AI(activate indication)激活指示;
PH-DI(deactivate indication)解除激活指示。
第1層和管理實體之間的原語有:
MPH-AI(activate indication)激活指示;
MPH-DR(deactivate request)解除激活請求;
MPH-DI(deactivate indication)解除激活指示;
MPH-EI(error indication)錯誤指示。
激活、解除激活的控制信號見表3。
ISDN接口協定2.2供電
2.2.1供電方式
按照傳統電話網的概念,終端是由電話交換機供電的。但是ISDN的每個S/T接口允許接入多個終端,不同種類的終端功率也各不相同,而且2台ISDN終端可以同時工作。這種情況下全部由交換機向ISDN終端供電是不可能的。因此,ISDN採用常態供電和受限供電兩種方式。NT1使用市電,並通過NT1向ISDN終端TE或TA供電,這稱為常態供電方式。當用戶所在地停電時,交換機只保證向S/T接口上的1台數字話機提供電話通信最基本的電源,這稱為受限供電方式。
一般情況下,NT1均應處於常態供電狀態,只有當不能處於常態供電時才進入受限供電方式。一旦恢復常態供電供電能力,則退出受限供電方式。同時,在兩種供電狀態切換時均不應導致正在進行的通信中斷。
2.2.2 交換局向NT1供電要求
只有在受限供電方式時,交換局才向用戶側供電。當NT1處於激活狀態下和數字話機處於受限供電時,交換局線路終端LT用戶接口上向用戶側供電的輸出電壓是95V,最大可提供2.8W功率。
2.2.3 NT1電源要求
NT1的電源可從電網中汲取電能並對ISDN終端實施常態供電,或者從交換局中汲取電能對ISDN終端實施受限供電。NT1能對受電情況進行識別,自動優選電網供電,當電網供電不能維持正常工作,自動切換至受限供電。一旦電網供電恢復,自動倒回常態供電。
NT與TE之間有8條線相連,其中中間的4條線既是數據的傳輸線,又是電源線,必須使用。NT從這4條線上以幻像電路方式向TE供電。這8條線的功能分配見表4,a、b、g和h使用任選。
受限供電方式下,NT1輸入電壓在59~100V之間,最大汲取的功率為1300mW。輸出電壓為42V,輸出功率不小於420mW。
常態供電方式下,輸入為220V交流電(中國),輸出電壓為42V,輸出功率不小於9300mW。
另外,通過幻像電路向TE供電,受限供電的極性與常態供電的極性正好相反。不管是受限供電還是常態供電,NT1的輸出端都可承受直接短路。
ISDN接口協定2.2.4 PRI協定
PRI只採用點對點配置,接口的電氣特性應符合G.703標準。我國採用2048kbit/s的一次群速率,也就是一幀為256bit,分成32個時隙,每個時隙8bit,幀重複頻率為8kHz。時隙編號為0~31,0時隙用於幀同步和差錯檢測,16時隙為D信道,傳送信令信息。
一次群速率用戶―網路接口處於常激活狀態,因此在接口中沒有激活/去激活規程。表5是PRI的電氣特性。
ISDN接口協定2.2基本速率數字傳輸系統的特性
線路終端(LT)、數字傳輸系統和NT1構成數字線路系統,圖4是數字環路模型。BRI的數字傳輸系統的介質是本地用戶線路。用戶是通過用戶線路與本地交換機相連。由於各國的情況不同,ITU-T未對U接口特性做統一的規定。在U接口中,收發都在一對雙絞線上進行,我國ISDN U接口用戶數字環路規定採用回波抵消法技術實現2線的雙向信息傳輸。使用回波抵消法時,兩個方向的信號使用相同的頻帶,同時線上路上傳送信號,線路兩端各有一個混合線圈將兩個方向的信號分開。但是混合線圈的接收端會收到本端的傳送信號以及一部分傳送到對端反射回來的信號。這些信號稱為回波,回波形成對接收信號的干擾。回波抵消法就是使用一定的計算方法估計傳送信號可能產生的回波,然後將接收信號與估計的回波信號相減得到實際對方傳送的信號。
ISDN中使用的數字本地環路與模擬線環路不同,要滿足無加感線圈、不含明線、儘可能避免橋接分支等條件。本地數字環路的電氣特性可參考表6,誤碼性能應滿足表7中的規定。ISDN需要傳送高速數據信息,因此線路的誤碼性能指標要比一般用戶線嚴格得多,如嚴重誤碼率的百分比應低於0.015%。
ISDN接口協定
ISDN接口協定幀字用於分配B、D和CL(附加位)信道的比特位置,以及用於波特同步。復幀的第1幀的幀字代碼為:
IFW=-3-3+3+3+3-3+3-3-3
其餘幀的幀字代碼為:
FW=+3+3-3-3-3+3-3+3+3
可以看到這兩個代碼的極性正好相反。
1幀中最後6bit為CL,分別為M1~M6,信道速率為4kbit/s。其中每個復幀的24bit分配給嵌入運行信道(EOC),12bit分配給循環冗餘校驗(CRC)功能,另外12bit分配給其他功能或作為備用。EOC的功能代碼見表9。
ISDN接口協定對2B+D及復幀中M4比特進行CRC計算,計算的結果在下一個復幀中的CL指定位置傳輸。
3 數據鏈路層協定
3.1功能
ISDN的數據鏈路層協定稱為LAPD(Link Access Procedure on D Channel)協定。通常,把D信道的數據鏈路協定和網路層協定統稱為一號數字用戶信令(DSS1,No.1 Digital Subscriber Signalling)協定。
LAPD主要功能有:
(1)幀的分割、同步和透明傳送;
(2)同一D信道上多個數據鏈路的復用;
(3)保持接收的幀順序和傳送的順序一致;
(4)檢測數據鏈路上的傳輸、格式和操作錯誤;
(5)用重發的方法糾正錯誤;
(6)當發生不可糾正的錯誤時通知管理實體;
(7)流量控制。
3.3 幀類型
3.3.1信息(I)
信息幀的功能是通過數據鏈路連線傳送第3層信息,它在點對點數據鏈路連線的多幀操作中使用。
3.3.2置異步平衡擴展方式(SABME)
SABME是用來建立數據鏈路連線,從而進行多幀操作。收到SABME之後,用UA進行回響,並將 V(S)、 V(R)和 V(A)歸0。
3.3.3 切斷(DISC)
DISC用來結束多幀操作,接收端用UA回響。
3.3.4 無編號信息(UI)
UI是未編號的信息幀,用於非證實方式信息傳送。
3.3.5 接收準備好(RR)
RR有3個作用:首先,它表示已準備好接收I幀;其次,證實編號小於和等於 N(R)-1的I幀已被正確接收;另外,P=1的RR命令幀還有詢問對端數據鏈路層實體狀態的作用。
3.3.6 拒絕(REJ)
REJ用於證實編號小於和等於 N(R)-1的I幀已被正確接收,但要求從編號 N(R)開始重發。
3.3.7 接收未準備好(RNR)
RNR表示本端處於忙狀態,不能再接收I幀。
3.3.8 無編號證實(UA)
UA是對SABME和DISC的回響。
3.3.9 切斷方式(DM)
DM表示不能建立或保持數據鏈路。
3.3.10 幀拒絕(FRMR)
FRMR表示收到了無效的幀,如長度不正確的監視幀或無編號幀、無效的 N(R)。
3.2幀結構
LAPD的幀結構如圖6所示。
F——標誌欄位(Flag)
標誌欄位的編碼是“01111110”,它的作用是標誌一幀的開始和結尾。它既可以作為上一幀的結尾標誌,又可以標誌下一幀的開始。因此在一幀中,除了F之外的其他欄位中不允許出現這樣的碼組。所以,LAPD採用插零和刪零的方法防止“01111110”碼組的出現。就是在傳送端,每傳送5個連續的“1”比特之後就插入一個“0”比特;在接收端,每接收到5個連續的“1”
比特之後就刪除後面的一個“0”比特。
A——地址欄位
地址欄位的主要用途是標誌D信道上的多個數據鏈路,地址段的長度是2個位元組,格式如圖7所示。地址欄位包含有地址欄位擴展比特(EA)、命令/回響指示比特(C/R)、數據鏈路層業務接入點標識符(SAPI)及終端端點標識符(TEI)。
ISDN接口協定TEI(Terminal Endpoint Identifier)是終端端點標誌,用來區別不同的用戶終端設備。TEI共7bit,取值範圍是0~127。TEI有自動分配和人工分配兩種方法,它的取值範圍見表10。
在一個用戶終端設備中,可能存在不同的第三層實體,他們對應不同的SAPI。SAPI和TEI加在一起既標識了一個獨立的用戶第三層實體,又標識了D信道上一個惟一的邏輯鏈路,因此TEI+SAPI又叫做數據鏈路連線標識(DLCI,Date Link Connection Identifier)。
C/R比特是地址段的第2個bit,它的用途是區分該幀是命令幀還是回響幀。在表12中,在用戶側,傳送命令幀時,C/R比特為“0”;傳送回響幀時,C/R比特為“1”。而網路側則相反,傳送命令幀時,C/R比特為“1”;傳送回響幀時,C/R比特為“0”。
ISDN接口協定
ISDN接口協定
ISDN接口協定
ISDN接口協定地址的長度由地址欄位八比特組的第一個比特來表示,即地址擴展比特EA。EA=0表示下一個位元組仍是地址段,EA=1表示地址段結束。LAPD的地址段長度為2位元組,所以第1個EA固定為“0”,第2個EA固定為“1”。C——控制欄位LAPD中的幀有三種類型格式:編號信息幀(I)、監視幀(S)以及無編號信息幀(U)。編號信息幀用於傳送用戶數據,監視幀用於傳送控制信息,無編號幀傳送鏈路控制信息和非證實方式傳送用戶數據。這三種幀的控制欄位格式是不同的,見表13。
I幀用來在第3層實體之間傳送信息。 N(S)、 N(R)和P功能是各自獨立的。
S幀用來執行數據鏈路的監視功能,傳送控制信息。例如證實I幀、請求重新傳送I幀和請求暫時停止傳送I幀。
U幀用於附加鏈路控制功能和非證實方式傳送信息。這種幀不包含順序編號。
所有幀的控制段均含有P/F比特。傳送幀為命令幀,該比特為探尋比特(P),P=1表示要求對方發迴響應;傳送幀為回響幀,該比特為終止比特(F),F=1表示這個回響幀是對對方探尋的回答。
每個I幀都是按順序編號的,編號的值從0至 N-1( N為順序編號的模)。這裡模等於128,順序編號在0~127之間循環。
當使用I命令幀時,每個點對點數據鏈路連線端點都有一個相應的傳送狀態變數 V(S)。 V(S)表示按順序要傳送的下一個I幀的序號。每次順序傳送一個I幀, V(S)加1。 V(S)可以是0~127的任意值。
當使用I命令/回響幀時,每個點對點數據鏈路連線端點都有一個相應的證實狀態變數 V(A)。 V(A)表示對端已經證實的最後收到的I幀。
只有I幀具有 N(S)。 N(S)為所傳送幀的序號。當傳送一個I幀時, N(S)= V(S)。
當使用I幀或監視幀時,每個點對點數據鏈路連線端點都有一個相應的傳送接收變數 V(R)。 V(R)表示按順序要接收的下一個I幀的序號。當接收到的I幀的 N(S)= V(R), V(R)值加1。 V(R)可以是0~127的任意值。
I幀或監視幀包含一個接收序號 N(R)。 N(R)表示下一個期望接收的I幀的傳送序號,也表明鏈路層實體已準確接收了對端傳送的序號小於和等於 N(R)-1的全部I幀。
I——信息欄位
信息欄位僅在I幀和U幀中出現,S幀中不含信息欄位。信息欄位的內容由整數個八比特組組成,所允許的最大八比特組數目為260。
FCS——幀校驗序列
FCS是一個16bit的錯誤檢測碼,由傳送端根據傳送數據內容按照一定的算法計算得到。
3.3 層間原語
數據鏈路層與第一層和第三層以及管理實體的通信是採用原語的方式來實現的。原語的類型有以下四種。
REQUEST(請求):當高層或層管理實體向其下一層或層管理實體向同層請求服務時使用。
INDICATION(指示):由提供服務的層用於通知其高層或層管理實體。
RESPONSE(回響):層管理實體對INDICATION原語的回響。
CONFIRM(證實):提供所請求服務的層用於證實動作已完成。
原語的一般句法是:XX-類屬名稱-類型-參數。
其中XX可以是以下的任何一種。
DL:第三層與數據鏈路層通信。
PH:數據鏈路層與物理層通信。
MDL:層管理與數據鏈路層通信。
MPH:管理實體與物理層通信。
3.4 幀交換過程
3.4.1 TEI管理
TEI是ISDN用戶終端的身份標識,ISDN終端要在網路中通信首先要具備TEI。自動分配的TEI值的管理權屬於網路。這些管理是基於TEI分配程式、TEI檢測程式、TEI取消程式、TEI身份核實程式。所有用於TEI管理程式的訊息都在SAPI=63、TEI=127的UI命令幀內的信息欄位中傳送。訊息的格式如圖8所示,表14列出TEI管理程式使用的訊息。管理實體標識符的編碼為“00001111”。參考號碼的取值是0~65535,它是申請TEI的用戶終端的臨時標記,用於區分同時請求分配的若干用戶設備。訊息類型的目的是標識所發訊息的功能(見表15)。行動指示語表示相關的TEI值,E比特是擴展比特。
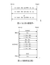
ISDN接口協定圖9表明TEI的分配程式。當使用自動分配TEI程式的用戶終端初次接入用戶―網路接口,此時用戶終端處於TEI未分配狀態。在請求建立數據鏈路或用UI幀進行非證實方式傳送數據之前,必須先向網路申請TEI。用戶向網路傳送UI身份請求訊息,Ai欄位=127,請求分配TEI值。網路收到此訊息,選擇一個TEI值,向用戶設備傳送一個身份分配訊息,Ai欄位為已分配的TEI值。若網路沒有可用的TEI值,就向用戶設備傳送一個Ai欄位=127的身份拒絕訊息。
其他的TEI檢測程式、TEI取消程式和TEI身份核實程式在此不一一描述。
ISDN接口協定數據鏈路實體接收到對端的SABME後,如果它能進入多幀操作狀態,就向對端回送UA進行確認,同時將 V(S)、 V(R)和 V(A)置“0”。如果它不能進入多幀操作狀態,就向對端回送DM進行回響。
② 信息傳送
當收到SABME並傳送UA回響,或收到對所傳送的SABME的UA回響後,任意一方都可以傳送I幀和監視幀進行數據傳送。傳送I幀時,控制欄位參數 N(S)和 N(R)將分別置為傳送狀態變數 V(S)和接收狀態變數 V(R)。傳送I幀結束後,傳送狀態變數 V(S)加1。每收
到一個期望的幀,即 N(S)= V(R),接收變數 V(R)加1。在下一個I幀或監視幀中置 N(R)= V(R), N(S)= V(S),對接收的幀加以證實。
③ 鏈路釋放
如果鏈路層實體收到第三層實體要求釋放鏈路的命令,就可以傳送DISC幀,啟動釋放程式。接收到DISC的對端鏈路層實體傳送UA回響,釋放鏈路,結束多幀操作。
表15列出了全部原語。其中DL-DATA原語是採用證實方式傳送第三層訊息,DL-UNITDATA
原語是採用非證實方式傳送第三層訊息,MDL-UNITDATA是採用非證實方式傳送層管理訊息。要與對端的數據鏈路層通信,就需傳送PH-DATA將數據傳送給物理層。
4. 呼叫控制協定
4.2 訊息的含義和分類
為了實現對呼叫的控制,用戶側和網路側的第三層實體需進行對話,這種對話是通過在D信道上利用數據鏈路層提供的服務交換訊息實現的。控制基本呼叫的訊息可分為四類。
4.2.1 用於呼叫建立的訊息
① 提醒(ALERTING)
由被叫用戶傳送給網路並由網路傳送給主叫用戶,表示被叫用戶開始提醒。
② 呼叫進程(CALL PROCEEDING)
由網路傳送給主叫用戶,表示所請求的呼叫已經開始建立,並且不再接收呼叫建立信息。
③ 連線(CONNECT)
由被叫用戶傳送給網路並由網路傳送給主叫用戶,表示被叫用戶已接受呼叫。
④ 連線證實(CONNECT ACKNOWLEDGE)
由網路傳送給主叫用戶,表示該用戶已得到了呼叫,它也可以由主叫用戶向網路傳送。
⑤ 建立(SETUP)
由主叫用戶向網路或網路向被叫用戶在起始呼叫時傳送,用來請求建立呼叫。
⑥ 建立確認(SETUP ACKNOWLEDGE)
由網路傳送給主叫用戶或由被叫用戶傳送給網路,表示認可SETUP訊息,要求進一步的信息。
4.2.2 用於信息傳遞階段的訊息
① 恢復(RESUME)
由用戶傳送,請求網路恢復暫停的呼叫。
② 恢復證實(RESUME ACKNOWLEDGE)
由網路傳送給用戶,表示請求恢復暫停的呼叫已完成。
③ 恢復拒絕(RESUME REJECT)
由網路傳送給用戶,表示請求恢復暫停的呼叫不成功。
④ 暫停(SUSPEND)
由用戶傳送,請求網路暫停1個呼叫。
⑤ 暫停證實(SUSPEND ACKNOWLEDGE)
由網路傳送給用戶,表示已完成了對暫停呼叫的請求。
⑥ 暫停拒絕(SUSPEND REJECT)
由網路傳送給用戶,表示所請求的暫停呼叫不成功。
4.2.3 用於呼叫清除的訊息
① 拆線(DISCONNECT)
由用戶傳送,請求網路拆除端到端連線;由網路向用戶傳送,表示端到端連線被拆除。
② 釋放(RELEASE)
是對“拆線”訊息的回響,由用戶或網路傳送,表示傳送該訊息的設備已經切斷了通路,並準備釋放通路和呼叫參考,而且接收設備將釋放通路並準備在傳送“釋放完成”訊息之後釋放呼叫參考。
③ 釋放完成(RELEASE COMPLETE)
傳送該訊息的設備已經釋放了通路和呼叫參考,該通路可以重新被使用,並且接收設備將釋放呼叫參考。
4.2.4 其他訊息
① 信息(INFORMATION)
由用戶或網路傳送,以提供附加信息,它可以用來提供與呼叫相關的其他信息,如補充業務。
② 通知(NOTIFY)
由用戶或網路傳送,指示與呼叫相關的信息,如用戶已暫停。
③ 狀態(STATUS)
由用戶或網路在回響“狀態詢問”訊息時傳送,或者在呼叫的任何時間報告某些差錯時傳送。
④ 狀態詢問(STATUS ENQUIRY)
由用戶或網路在任何時間向同層實體請求1個狀態訊息時傳送。狀態詢問訊息必須使用狀態訊息來回響。
4.3 訊息格式
ISDN第三層訊息由整數個位元組組成,均包含協定鑑別語、呼叫參考、訊息類型和其他信息單元四部分內容。協定鑑別語、呼叫參考和訊息類型是所有訊息的公共部分,包含在每種訊息中,第四部分根據不同的訊息確定。其結構如圖11所示。
4.3.1 協定鑑別語
協定鑑別語是每個訊息的第一部分,目的是區分用戶網路接口中不同的控制協定。在N-ISDN中,此標識為“00001000”。
4.3.2 呼叫參考
呼叫參考的目的是在用戶網路接口中區分不同的呼叫或補充業務的登記、取消請求。
呼叫參考是訊息的第二部分。呼叫參考包含呼叫參考值和呼叫參考標識。第1個八位組前4位指示呼叫參考值的長度,呼叫參考的最大長度是3個八位組。一般來說,BRI的呼叫參考值長度為1個八位組,PRI的呼叫參考值長度為2個八位組。
呼叫參考值由發起呼叫的一側分配,與此次呼叫有關的訊息均帶上此呼叫參考值,這個值在整個呼叫過程中保持不變。在呼叫結束或暫停之後,此呼叫參考值可以被分配給以後的新的呼叫。呼叫參考標識可以是“0”或“1”。呼叫的發起方總是將呼叫參考標識置“0”,接收方總是將呼叫參考標識置“1”。
4.3.3 訊息類型
訊息類型用來識別正在傳送的訊息的功能。
4.3.4 信息單元
信息單元是訊息具體要傳送的信息。對於某一種特定的訊息,有些信息單元是必須的,而另一些信息單元是可選的。信息單元分為單位元組信息單元和變長信息單元兩種,格式如圖12所示。變長信息單元具有標誌和長度指示,變長信息單元在訊息中的位置是按編碼從小到大進行排序的,但是單位元組信息單元可以出現在訊息的任何位置。
ISDN接口協定用於基本呼叫的信息單元及功能見表16。
ISDN接口協定4.4 功能
呼叫控制協定提供了通信套用實體之間通過ISDN建立、保持和終結網路連線的方法,而且提供了用於補充業務的申請和操作的通用程式。第三層執行的功能包括以下各項:處理與數據鏈路層通信的原語,產生和解釋同層通信的第三層訊息,管理呼叫控制程式中使用的定時器和邏輯實體,接入資源的管理,保證提供的業務與用戶要求一致的檢測。
除此之外,第三層還執行以下一些功能:選路和中斷、網路連線控制、用戶到網路和網路到用戶的信息傳遞、網路連線的復用、差錯檢測、差錯恢復、排序和重新啟動。
4.5 電路交換控制程式
在請求呼叫建立程式之前,用戶和網路之間必須建立可靠的數據鏈路連線。一次電路交換的建立和釋放過程如圖13所示。首先用戶通過向網路傳送SETUP訊息發出呼叫請求。表17中列出SETUP訊息可能帶有的信息單元以及傳送方向。在SETUP訊息中,“通路識別”和“承載能力”信息單元是必選信息單元。以語音呼叫為例,用戶要在“通路識別” 信息單元中提示本次呼叫使用的通路或可以接受的通路,在“承載能力”信息單元中指明用戶要求的承載業務能力(語音)。若在“被叫號碼”信息單元包含全部的被叫地址信息,此方式稱為整體傳送方式(Enbloc Sending)。若使用重疊傳送方式(Overlap Sending),則在“被叫號碼”信息單元包含了部分的被叫地址信息或不包含“被叫號碼”信息單元。重疊傳送髮式將在以後INFO訊息中繼續傳送被叫地址。其他常見的信息單元還有“高層兼容性”、“低層兼容性”和“主叫號碼”等。
ISDN接口協定網路收到用戶SETUP訊息後,首先將檢查主叫用戶請求的承載業務是否和網路向用戶提供的承載業務相兼容,然後分析被叫地址。如被叫地址不全,則傳送SETUP ACK訊息,等待用戶進一步的被叫地址信息(INFO訊息)。若地址完全,則傳送CALL PROG訊息來證實SETUP訊息,表示網路正在處理呼叫。
網路分析被叫地址,在基本接入接口,若被叫端數據鏈路沒有建立,使用UI幀向被叫用戶傳送SETUP訊息;若被叫端數據鏈路已經建立,則使用I幀向被叫用戶傳送SETUP訊息。同樣的,此訊息中也包含“承載能力”和“通路識別”信息單元以及主叫端傳送的“高層兼容性”和“低層兼容性”等信息。
ISDN接口協定BRI是使用廣播數據鏈路(TEI=127)向被叫傳送SETUP訊息。因此,在接口中的每一個終端都收到了SETUP訊息。終端在回響SETUP訊息之前,將進行兼容性檢查。用戶首先檢查SETUP中的“被叫號碼”信息單元和“被叫用戶子地址”中的信息是否和分配給自己的相一致。在不一致的情況下,用戶將不理睬該呼叫。不理睬呼叫的含義是對SETUP訊息不作任何回響。在一致的情況下,用戶進一步檢查“承載能力”信息單元中網路提供的承載業務與用戶能夠支持的承載業務是否兼容,如果不兼容,則用戶不理睬呼叫或拒絕呼叫。如果SETUP訊息中還有“高層兼容性”和“低層兼容性”信息單元,用戶還需檢查這些信息單元的內容與它支持的功能是否兼容。
通過所有兼容性檢查之後,用戶向網路傳送ALERTING(提醒)訊息,同時終端發出提示信息(振鈴)。網路收到ALERTING訊息之後,也向主叫用戶傳送ALERTING訊息並送回鈴音。當被叫應答呼叫時(用戶摘機),終端向網路傳送CONNECT訊息,這時網路在向被叫用戶傳送CONNECT ACK的同時向主叫用戶傳送CONNECT訊息,切斷回鈴音。此刻呼叫建立完成,用戶進入通話階段。
用戶通話結束,任何一方掛機,終端向網路傳送DISCONNECT(拆線)訊息,請求拆線。需要注意的是,此時剛才使用通路並沒有進入空閒狀態。等到網路收到DISCONNECT訊息,釋放通路,回送RELEASE訊息,通路才真正進入空閒狀態。終端向網路傳送REL COMPLETE訊息,釋放呼叫參考。另外,網路收到DISCONNECT訊息時還要啟動另一側的釋放過程,向另一用戶傳送DISCONNECT訊息和忙音。用戶掛機之後,回送RELEASE訊息,釋放通路。網路再傳送REL COMPLETE訊息,雙方釋放呼叫參考。
4.6補充業務控制程式
補充業務控制程式主要有是鍵盤協定、特徵鍵管理協定和功能協定。其中前兩種協定又稱為激勵協定。激勵協定的特徵是控制完全掌握在網路一側,各種補充業務的鍵盤設施編碼由網路決定,用戶終端不需知曉任何業務調用信息。這樣就降低終端的複雜性,一種終端可以使用多種網路支持的補充業務。
鍵盤協定控制建立在使用“鍵盤設施”(Keypad Facility)和“顯示”(Display)這兩個信息單元的基礎上。用戶通過向網路傳送帶有“鍵盤設施”信息單元的SETUP或INFORMATION訊息調用補充業務。
特徵鍵管理協定建立在使用“特徵激活”(Feature activation)和“特徵指示”(Feature indication)這兩個信息單元的基礎上。特徵鍵管理協定一般套用在呼叫期間的補充業務操作。
功能協定是建立在使用“性能”(Facility)信息單元和性能訊息或其他一些特殊功能訊息的基礎上的,即所謂公共信息單元方式和獨立訊息方式。這兩類方式都可以在網路到用戶和用戶到網路兩個方向交換信息。功能協定不需要人工干預,而是由功能型用戶終端自動完成協定流程。
