詳細介紹
單片機與ISA匯流排ISA插槽是基於ISA匯流排(Industrial Standard Architecture)工業標準結構匯流排的擴展插槽,其顏色一般為黑色,比PCI接口插槽要長些,位於主機板的最下端。其工作頻率為8MHz左右,為 16位插槽,最大傳輸率16MB/sec,可插接顯示卡,音效卡,網卡已及所謂的多功能接口卡等擴展插卡。其缺點是CPU資源占用太高,數據傳輸頻寬太小,是 已經被淘汰的插槽接口。目前還能在許多老主機板上看到ISA插槽,現在新出品的主機板上已經幾乎看不到ISA插槽的身影了,但也有例外,某些品牌的845E主 板甚至875P主機板上都還帶有ISA插槽,估計是為了滿足某些特殊用戶的需求。
ISA匯流排擴展插槽由兩部分組成,一部分有62引腳,其信號分布及名稱與PC/XT匯流排的擴展槽基本相同,僅有很小的差異。另一部分是AT機的添加部分,由36引腳組成。這36引腳分成兩列,分別稱為C列和D列。
ISA匯流排概述
ISA是IndustryStandardArchitecture的縮寫ISA插槽是基於ISA匯流排(IndustrialStandardArchitecture,工業標準結構匯流排)的擴展插槽,其顏色一般為黑色,比PCI接口插槽要長些,位於主機板的最下端。其工作頻率為8MHz左右,為16位插槽,最大傳輸率16MB/sec,可插接顯示卡,音效卡,網卡已及所謂的多功能接口卡等擴展插卡。其缺點是CPU資源占用太高,數據傳輸頻寬太小,是已經被淘汰的插槽接口。
ISA是8/16bit的系統匯流排,最大傳輸速率僅為8MB/s,但允許多個CPU共享系統資源。由於兼容性好,它在上個世紀80年代是最廣泛採用的系統匯流排,不過它的弱點也是顯而易見的,比如傳輸速率過低、CPU占用率高、占用硬體中斷資源等。後來在PC‘98規範中,就開始放棄了ISA匯流排,而Intel從i810晶片組開始,也不再提供對ISA接口的支持。
ISA卡外觀
2ISA匯流排時序
ISA匯流排是IBMPC/AT機(CPU是80286)所用的系統匯流排.。PC/AT匯流排經過標準化之後的名稱。IEEE將ISA匯流排作為IEEEP996推薦標準。這是一個16位兼8位的匯流排標準。如果忽略標準化細節則可認為16位ISA匯流排就是PC/AT匯流排。由於IBMPC/AT與IBMPC、IBMPC/XT機(CPU都是8088)所用的Pc匯流排兼容,所以可認為8位ISA匯流排(16位ISA總的低8位部分)就是PC匯流排。
ISA匯流排的時序和80868088的時序基本相同但也有一些區別。有了8086/8088時序基礎對ISA匯流排時序的理解主要在於以下幾點
①地址和數據已不再分時復用信號線因此在整個匯流排周期內有效。
②和8086/8088的最大模式一樣,存儲器讀/寫和I/O讀/寫的控制信號已分開,進行一種操作只需一個控制信號。
③一個典型的存儲器讀/寫周期還是由T1、T2、T3和T4組成,而I/O讀寫周期和DMA周期都自動插入了一個等待時鐘周期。
④I/OCHRAY相當於8086/8088時序中的READY信號。當匯流排板卡上
的存儲器或I/0電路較慢時,可利用該信號迫使CPU插入等待時鐘周期。但等待時鐘周期不得超過10個。
⑤8位ISA匯流排在存儲器讀/寫周期可用到20位地址,而16位ISA匯流排在存儲器讀寫周期中可使用24位地址。但由於受I/O指令的限制。8位和16位ISA匯流排的I/0讀/寫周期都只能使用低16位地址。
⑥BALE在CPU匯流排周期的T1期間有效,它的基本作用是進行地址鎖存。但也可以作為一個新的CPU匯流排周期已開始的標誌。
⑦AEN有效表示DMAC正在控制系統匯流排所以它可以作為系統處於DMA匯流排周期的標誌。
3ISA匯流排接口
執行ISA匯流排規範的電路稱為。ISA匯流排接口。通過ISA匯流排接口可以為系統擴充存儲器。也可以擴充I/O設備。在實際套用中對後者的需求更大因為機器主機板上一般已經或者可以安裝足夠的存儲器而I/O設備是各種各樣的。系統對I/O設備的需求也不盡相同。正因為如此,ISA匯流排又被歸類於I/O擴展匯流排。注意I/O設備是一個廣義的概念可以是像印表機、硬碟那樣實實在在的設備。也可以是像A/D轉換器、D/A轉換器、計數器那樣的電路。當
I/O設備是一個電路時。通常和匯流排接口做在一個匯流排板卡上習慣稱之為某某接口板(如A/D接口板)或某某接口(如D/A接口)。從ISA匯流排的引腳信號以及匯流排時序看和8086/8088最大模式時的系統三匯流排以及8086/8088的匯流排周期時序差別不大,因此在設計ISA匯流排接口特別是I/O接口時。除了下面三點需要注意外,可以採用與設計8086/8088
接口幾乎相同的方法。這三點是
1.當設計非DMA方式的I/O接口時,應把AEN為低作為該接口工作的使能
條件。以確保在匯流排上進行DMA傳送時該接口不工作,否則DMA傳送時所發出的
地址與該接口設計地址相同時該接口會誤操作。
2.系統對ISA匯流排上的I/O連線埠地址採用部分解碼方法。只解碼A9、AO或
A10、A0。在選擇接口地址時應避開系統已占用的地址以及它們的重疊區。
3如果所要設計的接口中包含需要CPU插入等待時鐘的功能則需設計
一個I/0CHRAY產生電路。以便在必要時使匯流排上的I/OCHRAY線為低電平。
但該電路與匯流排上的I/OCHRAY線的電氣連線以及有效信號出現和持續時
間等方面有一些要求,實際套用時需再參閱其詳細資訊。
匯流排定義
IBM-P、RESET、BCLK:復位及匯流排基本時鐘,BLCK=8MHz。
SA19-SA0:存儲器及I/O空間20位地址,帶鎖存。
LA23-LA17:存儲器及I/O空間20位地址,不帶鎖存。
BALE:匯流排地址鎖存,外部鎖存器的選通。
AEN:地址允許,表明CPU讓出匯流排,DMA開始。
SMEMR#、SMEMW#:8位ISA存儲器讀寫控制。
ISA匯流排引線定義:主要信號說明
MEMR#、MEMW#:16位ISA存儲器讀寫控制。
SD15-SD0:數據匯流排,訪問8位ISA卡時高8位自動傳送到SD7-SD0。
ISA匯流排接口與控制電路SBHE#:高位元組允許,打開SD15-SD8數據通路。
MEMCS16#、IOCS16#:ISA卡發出此信號確認可以進行16位傳送。
I/OCHRDY:ISA卡準備好,可控制插入等待周期。
NOWS#:不需等待狀態,快速ISA發出不同插入等待。
I/OCHCK#:ISA卡奇偶校驗錯。
IRQ15、IRQ14、IRQ12-IRQ9、IRQ7-IRQ3:中斷請求。
DRQ7-DRQ5 、DRQ3-DRQ0: ISA卡DMA請求。
DACK7#-DACK5#、DACK3#-DACK0#:DMA請求回響。
MASTER#:ISA主模組確立信號,ISA發出此信號,與主機內DMAC配合使ISA卡成為主模組,全部控制匯流排。 RESET、BCLK:復位及匯流排基本時鐘,BLCK=8MHz。
SA19-SA0:存儲器及I/O空間20位地址,帶鎖存。
LA23-LA17:存儲器及I/O空間20位地址,不帶鎖存。
BALE:匯流排地址鎖存,外部鎖存器的選通。
AEN:地址允許,表明CPU讓出匯流排,DMA開始。
SMEMR#、SMEMW#:8位ISA存儲器讀寫控制。
ISA匯流排引線定義:主要信號說明
MEMR#、MEMW#:16位ISA存儲器讀寫控制。
SD15-SD0:數據匯流排,訪問8位ISA卡時高8位自動傳送到SD7-SD0。
SBHE#:高位元組允許,打開SD15-SD8數據通路。
MEMCS16#、IOCS16#:ISA卡發出此信號確認可以進行16位傳送。
I/OCHRDY:ISA卡準備好,可控制插入等待周期。
NOWS#:不需等待狀態,快速ISA發出不同插入等待。
I/OCHCK#:ISA卡奇偶校驗錯。
IRQ15、IRQ14、IRQ12-IRQ9、IRQ7-IRQ3:中斷請求。
DRQ7-DRQ5 、DRQ3-DRQ0: ISA卡DMA請求。
DACK7#-DACK5#、DACK3#-DACK0#:DMA請求回響。
MASTER#:ISA主模組確立信號,ISA發出此信號,與主機內DMAC配合使ISA卡成為主模組,全部控制匯流排。C/AT系統,ISA從8位擴充到16位,地址線從20條擴充到24條。
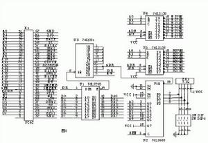
工作原理
如圖所示,基於ISA匯流排的多通道控制電路由地址編碼、
ISA匯流排繼電器通道、光耦隔離電路等部分組成。其工作原理如下:
電路工作時,首先將ISA匯流排的高位地址與板載撥碼開關設定的板基地址進行比較,其低位地址通過地址編碼選通3個讀通道和1個寫通道。讀通道為連線埠1快取、連線埠2快取、連線埠3回讀通道,寫通道為連線埠3快取通道。當工控機需要讀取反饋信號時,反饋信號從接口CN2輸入16路光耦,通過電阻和跳線模組設定其工作模式,數據寫入連線埠1快取和連線埠2快取供工控機讀取;同時每路光耦對應一個LED,實時顯示目前工作狀態。當工控機需要將信號發出時,工控機將數據寫入連線埠3快取,經過繼電器驅動器驅動後,控制8路繼電器,由DB1輸出;同時,每路繼電器對應一個LED,實時顯示目前狀態。寫入連線埠3的數據還可以通過回讀地址將其讀回,回讀地址與寫地址相同。

