套用於逆變器
基本概念
H橋(H-Bridge), ,即全橋(因外形與H相似故得名),常用於逆變器(DC-AC轉換,即直流變交流)。通過開關的開合,將直流電(來自電池等)逆變為某個頻率或可變頻率的交流電,用於驅動交流電機(異步電機等)。
工作原理
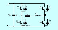
H橋逆變如右圖所示單相橋式逆變電路工作原理開關T1、T4閉合,T2、T3斷開:u0=Ud; 開關T1、T4斷開,T2、T3閉合:u0=- Ud; 當以頻率fS交替切換開關T1、T4和 T2 、T3 時 , 則 在 負載電 阻 R上 獲 得交變電壓波形(正負交替的方波),其周期 Ts=1/fS,這樣,就將直流電壓E變成了 交流電壓uo。uo含有各次諧波,如果想 得到正弦波電壓,則可通過濾波器濾波 獲得。
主電路開關T1~T4,它實際是各種半導體開關器件的 一種理想模型。逆變電路中常用的開關器件有快速晶閘管、可關斷晶閘管(GTO)、功率電晶體(GTR)、功率場效應電晶體(MOSFET)、絕緣柵電晶體(IGBT)。
在實際運用中,開關器件存在損耗:導通損耗(conduction losses) 和換相損耗(commutation losses) 和門極損耗(gate losses)。其中門極損耗極小可忽略不計,而導通損耗和換相損耗隨著開關頻率的增加而增加。
控制方式
H橋的控制主要分為近似方波控制和脈衝寬度調製(PWM)和級聯多電平控制。
近似方波控制
即quasi-square-wave-control, 輸出波形比正負交替方波多了一個零電平(3-level),諧波大為減少。
優點是開關頻率較低,缺點是諧波成分高,需要濾波器的成本大。
脈衝寬度調製
即Pulse width modulation,分為單極性和雙極性pwm. 隨著開關頻率的升高,輸出電壓電流波形趨於正弦,諧波成分減小,但是高開關頻率帶來一系列問題:開關損耗大,電機絕緣壓力大,發熱等等。
多電平
即multi-level inverter,採用級聯H橋的方式,使得在同等開關頻率下諧波失真降到最小,甚至不需要用濾波器,獲得良好的近似正弦輸出波形。
套用於直流電機
由兩個三極體,一個可以對正極導通實現上拉,另一個可以對負極導通實現下拉。
由兩套這樣的電路,在同一個電路中,同時一個上拉,另一個下拉,或相反,兩者總是保持相反的輸出,這樣可以在單電源的情況下使負載的極性倒過來。由於這樣的接法加上中間的負載畫出來經常會像一個H的字樣,故得名H橋。
驅動電路
圖4.12中所示為一個典型的直流電機控制電路。電路得名於"H橋驅動電路"是因為它的形狀酷似字母H。4個三極體組成H的4條垂直腿,而電機就是H中的橫槓(注意:圖4.12及隨後的兩個圖都只是示意圖,而不是完整的電路圖,其中三極體的驅動電路沒有畫出來)。
如圖所示,H橋式電機驅動電路包括4個三極體和一個電機。要使電機運轉,必須導通對角線上的一對三極體。根據不同三極體對的導通情況,電流可能會從左至右或從右至左流過電機,從而控制電機的轉向。
圖4.12 H橋驅動電路圖4.12 H橋驅動電路
要使電機運轉,必須使對角線上的一對三極體導通。例如,如圖4.13所示,當Q1管和Q4管導通時,電流就從電源正極經Q1從左至右穿過電機,然後再經Q4回到電源負極。按圖中電流箭頭所示,該流向的電流將驅動電機順時針轉動。當三極體Q1和Q4導通時,電流將從左至右流過電機,從而驅動電機按特定方向轉動(電機周圍的箭頭指示為順時針方向)。
圖4.13 H橋電路驅動電機順時針轉動圖4.13 H橋電路驅動電機順時針轉動
圖4.14所示為另一對三極體Q2和Q3導通的情況,電流將從右至左流過電機。當三極體Q2和Q3導通時,電流將從右至左流過電機,從而驅動電機沿另一方向轉動(電機周圍的箭頭表示為逆時針方向)。
圖4.14 H橋驅動電機逆時針轉動圖4.14 H橋驅動電機逆時針轉動
使能控制和方向邏輯
驅動電機時,保證H橋上兩個同側的三極體不會同時導通非常重要。如果三極體Q1和Q2同時導通,那么電流就會從正極穿過兩個三極體直接回到負極。此時,電路中除了三極體外沒有其他任何負載,因此電路上的電流就可能達到最大值(該電流僅受電源性能限制),甚至燒壞三極體。基於上述原因,在實際驅動電路中通常要用硬體電路方便地控制三極體的開關。
圖4.15 所示就是基於這種考慮的改進電路,它在基本H橋電路的基礎上增加了4個與門和2個非門。4個與門同一個"使能"導通信號相接,這樣,用這一個信號就能控制整個電路的開關。而2個非門通過提供一種方向輸入,可以保證任何時候在H橋的同側腿上都只有一個三極體能導通。(與本節前面的示意圖一樣,圖4.15所示也不是一個完整的電路圖,特別是圖中與門和三極體直接連線是不能正常工作的。)
原圖片的邏輯功能有問題圖4.15 具有使能控制和方向邏輯的H橋電路
採用以上方法,電機的運轉就只需要用三個信號控制:兩個方向信號和一個使能信號。如果DIR-L信號為0,DIR-R信號為1,並且使能信號是1,那么三極體Q1和Q4導通,電流從左至右流經電機(如圖4.16所示);如果DIR-L信號變為1,而DIR-R信號變為0,那么Q2和Q3將導通,電流則反向流過電機。
圖4.16 使能信號與方向信號的使用
實際使用的時候,用分立元件製作H橋是很麻煩的,市面上有很多封裝好的H橋積體電路,接上電源、電機和控制信號就可以使用了,在額定的電壓和電流內使用非常方便可靠。比如常用的L293D、L298N、TA7257P、SN754410等。
附兩張分立元件的H橋驅動電路:
適合大功率的全橋電路
4.18
