概述
BL0930積體電路是電子式電度表的核心計晶片,它在設計上採用了過採樣和數位訊號處理技術,從而大大地提高了晶片的測量準確度,同時,在A/D轉換後的數據均由數字電路進行運算和處理,保證了晶片的長期穩定性。基於此晶片設計的電子式電度表具有外圍電路簡單、精度高、穩定性好等特點,適用於單相兩線電力用戶的電能計量。
BL0930 對正、反向有功功率均可測量,且可將反向有功功率轉換成與正向有功功率方向一致的脈衝輸出,同時在晶片引腳(Pin12)上給出了反向用電指示。因此, 用BL0930 製成的電子式電度表具有很強的防竊電能力。
BL0930 具有兩種不同頻率的脈衝輸出。Pin14輸出以較高頻率的脈衝,用於校驗和計算機數據處理,而 Pin15和 Pin16輸出一組較低頻率的脈衝,用於直接驅動步進電機,以推動計度器進行電量累積。 在 BL0930 中充分考慮到兼顧電度表潛動和起動性能的不同要求,採用了合理的數位化的防潛動閥值設計,在保證可靠地防止潛動的前提下,使起動電流遠低於標準要求。
特點
高精度,在輸入動態工作範圍(500:1)內,非線性測量誤差小於 0.1%
校表過程中高穩定性,輸出頻率波動小於 0.1%精確測量正、負兩個方向的有功功率,且以同一方向計算電能慢速輸出脈衝能直接驅動電機工作,快速輸出脈衝可用於計算機數據處理防竊電功能,邏輯輸出腳 REVP 用於顯示反向用電或者錯誤用電狀況晶片上有電壓檢測電路,檢測掉電狀況具有防潛動功能
晶片上帶參考電壓源 2.5V±8%(溫度係數典型值 30ppm/℃),也可以使用外部電壓源晶片上帶晶振時鐘(晶片內置晶振)單工作電源 5V 低功耗 15mW(典型值)採用 0.35um CMOS 工藝,批量的一致性和產品可靠性得到進一步提高。
管腳與框圖
BL0930管腳與框圖極限範圍
| 項目 | 符號 | 極值 | 單位 |
|---|---|---|---|
| 模擬數字電源電壓 VDD | VDD | -0.3~+7(max) | V |
| VDD 變化 |  | -0.3~+0.3 | V |
| 輸入電壓(相對於 GND) | V v | VSS+0.5≤Vv≤VDD-0.5 | V |
| 工作溫度 | Topr | -40~+75 | ℃ |
| 貯藏溫度 | Tstr | -55~+150 | ℃ |
| 功耗(DIP16) |  | 350 | mW |
電參數
1) 常溫電特性
(T=25℃, VDD= 5V )
| 測量項目 | 符號 | 測量條件 | 測量點 | 最小 | 典型 | 最大 | 單位 |
|---|---|---|---|---|---|---|---|
| 1 電源電流 | IVDD |  | Pin1 | 0.5 | 4 | 5 | mA |
| 輸入高電平 | VIH | VDD=5V |  | 2 |  |  | V |
| 輸入低電平 | VIL |  |  |  | 1 | V |
標準說明
指標說明
1)非線性誤差%
BL0930 的電壓通道輸入固定 Pin3,PIN2 之間交流電壓 Vv 為 110mV,功率因數 cos?=1,Pin5 與Pin4 之間電壓Vi在對應與 5%Ib~800%Ib 範圍內,任何一點輸出頻率相對於 Ib 點的測量非線性誤差小於 0.1% eNL%=[(X 點誤差%-Ib 點誤差%)/(1+Ib 點誤差%)]*100%
2)防潛閾值
典型情況下,CF輸出所代表的最小功率為滿量程輸出的 0.0015%,對於低於該閾值的功率,不輸出計量脈衝。
3)正負輸入功率
指 Pin3-Pin2 間的電壓採樣信號 V(V)與 Pin5-Pin4 間的電流通道輸入信號 V(I)乘積V(V)*V(I)*cos?的符號, 大於零為正功,小於零為負功。
4)正、負向有功功率誤差%
在相等的有功功率條件下,在V(V)=±110mV、V(I)對應 Ib(5A)點,BL0930 測得的負向有功功率與正向有功功率之間的相對誤差:
eNP%=|[(eN%-eP%)/(1+eP%)]*100%|
eP%:正向有功功率誤差;eN%:負向有功功率誤差。
5)電源監控電路檢測電平(掉電檢測電平)
片內電源監測電路檢測電源變化情況,當電源電壓低於 4伏左右時,內部電路被復位。
當電源電壓超過該值時,電路恢復工作在正常狀態。
工作原理
電能計量原理
電能計量主要把輸入的電壓和電流信號按照時間相乘,得到功率隨著時間變化的信息,假設
電流電壓信號為餘弦函式,並存在相位差Ф,功率為:
p(t) =V cos(wt)×Icos(wt , Φ)
令Φ=0 時:
p(t) = VI/2( , cos(2wt)
令Φ ≠0 時:
p(t) =V cos(wt)×Icos(wt , Φ)
=V cos(wt)×[Icos(wt)cos(Φ), sin(wt)sin(Φ)]
= VI/2( 1, cos(2wt))cos(Φ), VIcos(wt)sin(wt)sin(Φ)
(t)稱為即時功率信號,理想的 p(t)只包括兩部分:直流部分和頻率為 2ω的交流部分。前者
又稱為即時實功率信號。即時實功率是電能表測量的首要對象。
電能計量信號流
電能計量信號流消耗的信息。
取直低通濾波器的輸出會被送到一個數字-頻率轉換的模組,在這裡即時實功率會根據要求作長時或短時的積分(即累加計數),轉換成與周期性的脈衝信號,這就是電子電能表的基本輸出信號。輸出的脈衝信號的頻率與能量消耗的大小成正比。輸出脈衝送到片外的計數馬達,並最終得到能量消耗的大小的計數值。
可以看出計算出的即時實功率與電壓和電流信號的相位差的餘弦值 cos(Ф)的有關,該餘弦值
被稱為這兩路信號的功率因子。
相位的對結果的影響假設電壓和電流輸入直流成分分別是 Vos和 Ios,且功率因子等於 1(Φ=0 度)
p(t)=(VCOS(wt)+Vos)*(Icos+Ios)
=V*I/2+Vos*Ios+Vos*Icos(wt)+Ios*Vcos(wt)+(V*I)/2*cos(2wt)
令 Ios=0
p(t)=(Vcos(wt)+Vos)*(Icos+0)
=V*I/2+Vos*0+Vos*Icos(wt)+0*Vcos(wt)+(V*I)/2*cos(2wt)
=V*I/2+Vos*Icos(wt)+(V*I)/2*cos(2wt)
從上面的計算看到:如果輸入的兩路信號同時具有直流成分,會給即時實功率,即乘積的直流部分帶來Vos*Ios的誤差,還有在ω頻率處出現Vos*I+Ios*V 的分量,前者必然引起測量誤差,而後者也會當取直低通濾波器的對ω抑制不夠時影響即時實功率的輸出,帶來大的波動。
而當電壓或電流中的一路經過數字高通濾波器後,如去掉電流採樣信號的直流偏移項。這時僅有一路輸入有直流成分時,乘法的結果有了很大的改善:沒有了直流誤差,w 頻率處的分量也減少了。
兩者通道都有直流偏移限的乘積頻普,電壓通道輸入
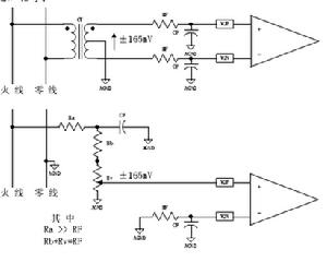
電壓通道允許最大輸入差分電壓為±165mV,共模電壓 100mV。然而,共模電壓為 0V 時效果最好。
最大輸入差分電壓
電阻分壓電流通道允許最大輸入差分電壓為±660mV,共模電壓 100mV。然而,共模電壓為 0V 時效
果最好。
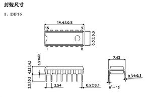
封裝尺寸
BL0930封裝尺寸