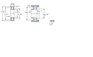
內徑:240mm 外徑:500mm 厚度:95mm
型號:6348M 品牌:SKF 系列:深溝球軸承, 單列, 無密封件 內徑:240mm 外徑:500mm 厚度:95mm
mm外徑:500 mm動載:465000 mm靜載:620000
SKF SKF