6210軸承尺寸參數
內徑:50mm
外徑:90mm
厚度:20mm
6210軸承
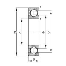
6210軸承是一款深溝球軸承。
6210軸承尺寸參數
內徑:50mm
外徑:90mm
厚度:20mm
6210軸承FAG 6210軸承是FAG品牌軸承,型號為6210。
型號 樣本圖片mm備註:GMB品牌下的6210軸承是在機械傳動過程中起固定和減小載荷摩擦係數的部件。 6210軸承是當代機械設備中一種舉足輕重的零部件。 6210軸承...
6210軸承參數 6210軸承的用途 6210軸承的樣本圖NSK 6210軸承可以用於:鑽采設備,真空乾燥機,高純水製取設備,行星減速機,配頁機,紡機與配件,水洗機,押出設備,鞋眼機,吸盤,調味品加工設備,換熱...
NSK 6210軸承規格尺寸 NSK 6210軸承尺寸參數= =
NACHI 6210軸承用途SKF 6210軸承尺寸參數 型號:6210軸承 品牌:SKF軸承...:90mm 厚度:20mm SKF 6210軸承用途 可以用於:圓鋸床...,三環式減速機,平版印刷機,等等用途。 SKF 6210軸承樣本圖片...
SKF的全稱是“Svenska Kullager-Fabriken”中文音譯名稱為“斯凱孚”;SKF集團總部設立於瑞典哥特堡,是軸承科技與製造的領導者。...
簡介 產品介紹 集團介紹 含義 檢查方法6210深溝球軸承是一種軸承。
FAG軸承是技術FAG主軸軸承:主軸軸承是由實心內圈、外圈、球、以及帶有實心視窗保持架的保持架組件構成的單列角接觸球軸承。它們不可拆除。這些軸承可以是開...
簡介 失效原因 主要類型 黑系列 後綴意思