2507用途
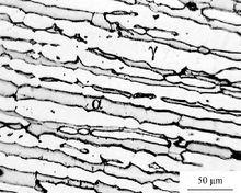
典型2507雙相不鏽鋼顯微組織2507是一種鐵素體—奧氏體(雙相)不鏽鋼,它綜合了許多鐵素體鋼和奧氏體鋼最有益的性能, 由於該鋼鉻和鉬的含量都很高,因此具有極好的抗點腐蝕,縫隙腐蝕和均勻腐蝕的能力.雙相顯微組織保證了該鋼具有很高的抗應力腐蝕破裂的能力,而且機械強度也很高.
2507不鏽鋼套用於石油和天然氣工業;海上石破天油平台(熱交換器管,水處理和供水系統,消防系統,噴水系統,穩水系統; 石油化工設備; 脫鹽(淡化)設備(和設備中的高壓管,海水管);既需要高強度同時又需要高耐腐蝕性的機械和結構部件;燃(廢)氣淨化設備. 主要成分:25Cr-7Ni-4Mo-0.27N
各國標準:
ASTM/ASME:A240 - UNS S32750
EURONORM:1.4410 - X2 Cr Ni MoN 25.7.4
AFNOR:Z3 CN 25.06 Az
DIN/EN 1.4410、ASME SA-240
抗腐蝕能力
1.般腐蝕
SAF 2507的較高的鉻及鉬含量使其對有機酸如甲酸、乙酸等具有較強的抗整體腐蝕的能力.SAF2507合合金對無機酸,尤其是那些包含氯化物的無機酸也具有較強的抗腐蝕能力.
和904L相比,SAF2507對稀釋的混有氯根離子的硫酸具有更強的抗腐蝕能力.904L是奧氏體狀態的合金,專用於抗純硫酸腐蝕.
316L等級不能用於鹽酸環境中,它可能會遭到局部腐蝕或整體腐蝕.SAF2507可以用於稀釋的鹽酸環境裡,具有較強的抗斑損及抗裂隙腐蝕的能力.
2.晶間腐蝕
nSAF 2507較低的碳含量大大地降低了在熱處理時晶間中的碳化物沉澱的風險,因此,這個合金具有很強的抵抗與碳化物相關的晶間腐蝕的能力.
3.應力腐蝕開裂
SAF 2507 的複式結構使其具有較強的抗應力腐蝕開裂的能力。由於其較高的合金含量,SAF 2507的抗腐蝕能力及強度均優於2205.
裂縫在建築等方面幾乎是不可避免的,這使得不鏽鋼在氯化物的環境裡更易受到腐蝕.SAF 2507 具有很強的抗裂縫腐蝕的能力.SAF 2507在含有2000ppm氯離子的硫酸中的等腐蝕曲線0.1 mm/year;在鹽酸中的等腐蝕曲線0.1 mm/year.
機械特性:SAF 2507具有很高的耐壓強度、衝擊強度及較低的熱膨脹係數和較高的導熱性.這些特性適用於很多結構零件及機械部件.SAF 2507衝擊強度很高,不宜長期置於高於570°F的溫度環境下,這樣可能會減弱其韌性.抗拉強度:σb≥730Mpa;延伸率:δ≥20%
配套焊材:ER2594焊絲,E2594焊條
套用領域:紙漿和造紙工業,海水淡化,煙氣淨化,熱交換器,化學品液貨船管道系統,海水系統等。
2507現貨規格
2507不鏽鋼板材現貨規格:0.3mm-350mm(厚度)
2507不鏽鋼棒材現貨規格:3.0mm-500mm(直徑)
2507不鏽鋼線材現貨規格:0.1mm-20mm(線徑)
2507不鏽鋼的化學成分:
C≤0.03 、Si≤0.80 、Mn≤1.2 、Cr:24-26 、Ni:6-8 、S≤0.02 、P≤0.035 、Mo:3-5 、N:0.24-0.32
2507不鏽鋼在適宜固溶處理後,此鋼的顯微組織有比較理想的α/γ之比約為50/50的雙相結構。當固溶溫度在1050℃以上時,隨溫度升高,鋼中鐵素體相數量會有所增加,但由於含氮量高,在1300℃以下鋼的相比例不會有顯著改變。此鋼若不經不同溫度時效(或受熱的影響),在α+γ基體上會有γ2形成和δ、χ、R、α`金屬間相和Cr2N等氧化物析出,由於鋼中的碳含量低(一般在0.01%-0.02%),因此鋼中一般沒有碳化物存在。
2507不鏽鋼產品的力學性能:
一、2507雙相不鏽鋼管的室溫力學性能:
鋼材品種:壁厚≤20mm ;δb/MPa:800-1000 、δ0.2/MPa:≥550 、δ5/%:≥25 、硬度(HV):290
二、2507雙相不鏽鋼板在室溫--200℃的力學性能:
鋼材品種 溫度/℃ δb/MPa
室溫 ≥530
板材 100 ≥450
200 ≥400
三、2507大口徑無縫管的力學性能
外徑×壁厚 δb/MPa δ0.2/MPa δ5/% 硬度(HV)
273.0mm×4.19mm 894 644 40 284
323.9mm×4.57mm 858 662 45 270
406.4mm×4.74mm 854 657 41 272

