簡介
音調定義
聲音的高低叫做音調,頻率決定音調。物體振動的快,發出聲音的音調就高。振動的慢,發出聲音的音調就低。
音調解析
音調的高低還與發聲體的結構有關,因為發聲體的結構影響了聲音的頻率。
大體上,2000 赫茲以下的低頻純音的音調隨響度的增加而下降,3000 赫茲以上高頻純音的音調隨響度的增加而上升。
對音調可以進行定量的判斷。音調的單位稱為美(mel):取頻率1000赫茲、聲壓級為40 分貝的純音的音調作標準,稱為1000 美,另一些純音,聽起來調子高一倍的稱為2000 美,調子低一倍的稱為500 美,依此類推,可建立起整個可聽頻率內的音調標度。這樣得到的聲壓級40 分貝的純音音調與頻率的關係見下表:
音調高:輕,短,細
音調低:重,長,粗
純音的音調錶:
| 頻率f/Hz | 音調/mel | 頻率/fHz | 音調/mel |
| 20 | 0 | 900 | 929 |
| 30 | 24 | 1000 | 1000 |
| 40 | 46 | 1250 | 1154 |
| 60 | 87 | 1500 | 1296 |
| 80 | 126 | 1750 | 1428 |
| 100 | 161 | 2000 | 1545 |
| 150 | 237 | 2500 | 1771 |
| 200 | 301 | 3000 | 1962 |
| 250 | 358 | 3500 | 2116 |
| 300 | 409 | 4000 | 2250 |
| 350 | 460 | 5000 | 2478 |
| 400 | 508 | 6000 | 2657 |
| 500 | 602 | 7000 | 2800 |
| 600 | 690 | 10000 | 3075 |
| 700 | 775 | ||
| 800 | 854 |
音調還與聲音持續的時間長短有關。非常短促(毫秒量級或更短)的純音,只能聽到像打擊或彈指那樣的“喀嚓”一響,感覺不出音調。持續時間從10 毫秒增加到50 毫秒,聽起來覺得音調是由低到高連續變化的。超過50 毫秒,音調就穩定不變了。
樂音(複音)的音調更複雜些,一般可認為主要由基音的頻率來決定。
音調控制
介紹
反饋式音頻控制電路所謂音調控制就是人為地改變信號里高、低頻成分的比重,以滿足聽者的愛好、渲染某種氣氛、達到某種效果、或補償揚聲器系統及放音場所的音響不足。這個控制過程其實並沒有改變節目裡各種聲音的音調(頻率),所謂“音調控制”只是個習慣叫法,實際上是“高、低音控制”或“音調調節”。高保真擴音機大都裝有音調控制器。然而,從保證信號傳送質量來考慮,音調控制倒不是必須的。
一個良好的音調控制電路,要有足夠的高、低音調節範圍,但又同時要求高、低音從最強到最弱的整個調節過程里,中音信號(通常指1000赫)不發生明顯的幅度變化,以保證音量大致不變。
所謂提升或衰減高、低音,都是相對於中音而言的。先把中音作一個固定衰減(或加深負反饋)然後讓高音或低音衰減小一些(或負反饋輕一些),就算是得到提升。因此,為了彌補音調控制電路的增益損失,常需增加一到兩級放大電路。
音調控制電路大致可分為兩大類:衰減式和負反饋式。衰減式音調控制電路的調節範圍可以做得較寬,但因中音電平要作很大衰減,並且在調節過程中整個電路的阻抗也在變。所以噪聲和失真大一些。負反饋式音調控制電路的噪聲和失真較小,但調節範圍受最大負反饋量的限制,所以實際的電路常和輸入衷減聯合使用,成為衰減負反饋混合式。
衰減式
高音、低音分開調節:CCW構成高音調節器,RRCCW構成低音調節器。W鏇到A點時高音提升,鏇到B點時高音衰減。W鏇到C點時低音提升,鏇到D點時低音衰減。組成音調電路的元件值必須滿足下列關係:
(1) R≥R;
(2) W和W的阻值遠大於RR;
(3) 與有關電阻相比,CC的容抗在高頻時足夠小,在中、低頻時足夠大;而C、C的容抗則在高、中頻時足夠小,在低頻時足夠大。C、C能讓高頻信號通過,但不讓中、低頻信號通過;而C、C則讓高、中頻信號都通過,但不讓低頻信號通過。
只有滿足上述條件,衰減式音調控制電路才有足夠的調節範圍,並且W、W分別只對高音、低音起調節作用,調節時中音的增益基本不變,其值約等於R/R。
R與R的比值越大,高、低音的調節範圍就越寬,但此時中音的衰減也越大。改變R或R後,如要保持原來的控制特性,有關電容器的容量也要作相應改變,為了避免高、低音調節時互相牽制,有的衰減式音調電路還加進了隔離電阻。作衰減式音調調節的電位器宜用指數型(Z型),此時,頻響平直的位置大致在電位器的機械中點。
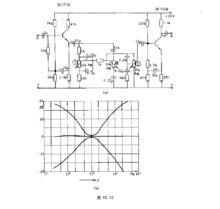
反饋式
W作高音控制,W作低音控制。W鏇到A點時高音提升,鏇到B點時高音衰減。W鏇到C點時低音提升,鏇到D點時低音衰減。為了使電路獲得滿意性能,下麵條件必須具備:
<1> 信號源的內阻(即前一級的輸出阻抗)不大。
<2> 用來實現音調控制的放大電路本身有足夠高的開環增益。
<3> C、C的容量要適當,其容抗跟有關電阻相比,在高頻時足夠大,在中、低頻時又足夠小; 而C的選擇卻要使它的容抗在低、中頻時足夠大,在高頻時足夠小。粗略地說,就是C、C能讓中、低頻信號順利通過而不讓高頻信號通過;C則讓高頻信號順利通過而不讓中、低頻信號通過。
<4> W、W的阻值均遠大於R、R、R、R。
當R=R時,該音調電路的中音頻電壓增益約等於1。
作衰減--負反饋式音調調節的電位器宜用阻值變化曲線為直線型(X型)的電位器。此時,頻響平直的位置大約在電位器的機械中點。

