背景
感測器在使用過程中所依據的轉換原理和轉換電路往往存在非線性,如進行線性化處理會帶來非線性誤差,因此需要進行必要的補償,使感測器工作在所要求的精度範圍內。感測器工作環境溫度的變化,也會給感測器帶來附加的熱效應,輸出量中會含有熱效應的信息,對這種附加信息應通過有效的途徑加以消除,才能使輸出量能真實地反映出被測量的變化。感測器工作環境存在的電磁場干擾,也會干擾輸出量甚至使感測器無法正常工作,必須採取有效的禁止措施和合理的接地措施消除干擾。感測器工作系統中,各機械結構間有機械耦合,模擬量電路和數字量電路間也會產生電耦合,對這些造成的干擾也應採取必要的隔離措施,使輸出量真實地反映被測量的變化。
在自動檢測系統中,利用多種感測器把各種被測量轉換成電信號時,大多數感測器的輸出信號和被測量之間的關係並非是線性關係。這是由於不少感測器的轉換原理並非線性,其次是由於採用的電路(如電橋電路)的非線性。要解決這個問題,在模擬量自動檢測系統中可採用三種方法:縮小測量範圍,取近似值;採用非均勻的指示刻度;增加非線性校正環節。顯然,前兩種方法的局限性和缺點比較明顯。下面著重介紹增加非線性校正環節的方法。
簡介
在工程套用和生產中,由微型計算機測試和控制的某些參數值與經A/D轉換結果的數據(採樣值)之間呈非線性關係,因而不能直接利用標度變換公式,從而引出了線性補償問題。最常遇到的是溫度測量時,大多數情況下熱電偶輸出值和採樣值呈線性關係,而測量溫度值和採樣值呈非線性關係,為了求得採樣值所代表的溫度值(℃),可分兩步處理。先用標度變換公式求出採樣值(數字量)所代表的熱電偶毫伏(mV)值,然後再由熱電偶毫伏值求出溫度值。但是,熱電偶的mV值和實際溫度值呈非線性關係,因而必須進行線性補償(或稱非線性校正)。通常採用分段線性法或稱折線法。
線性方程
將待測量溫度範圍分成若干段,根據熱電偶分度表中的溫度(℃)與毫伏(mv)值的對照表,計算機按最小二乘法經線性回歸計算求出每段線段的線性方程為:
T=aU+b
式中:
T——測量點實際溫度值(℃);
U——測量點熱電偶毫伏值(mV);
a,b——線性方程係數,由回歸計算求出。
將上式編成程式,把標度變換後得到的毫伏值代入,便可求出實際溫度值。
插補公式
同樣將待測溫度範圍分成若干段,求出每一直線段的插補公式(如圖3·3所示)為:
非線性補償控制 套用分段線性法進行mV--°C轉換時,首先要判斷測量點熱電偶毫伏值是在哪~個直線區間,然後用對應的線性方程或插補公式求出該點的實際溫度值(℃)。直線段數量的劃分應力求使上述方法(線性方程或插補公式)求出的溫度值與分度表查出的溫度值間誤差最小。
另一個方法是將熱電偶分度表值存入計算機記憶體中,用查表法程式進行mV--°C的轉換。此法使用方便,缺點是占用記憶體較多。
非線性控制理論
非線性控制理論作為很有前途的控制理論,將成為二十一世紀的控制理論的主旋律,將為我們人類社會提供更先進的控制系統,使自動化水平有更大的飛越。
控制系統有線性和非線性之分。嚴格地說,理想的線性系統在實際中並不存在。在分析非線性系統時,人們首先會想到使用在工作點附近小範圍內線性化的方法,當實際系統的非線性程度不嚴重時,採用線性方法去進行研究具有實際意義。但是,如果實際系統的非線性程度比較嚴重,則不能採用在工作點附近小範圍內線性化的方法去進行研究,否則會產生較大的誤差,甚至會導致錯誤的結論。這時應採用非線性系統的研究方法進行研究。
非線性系統的分析方法大致可分為兩類。運用相平面法或數字計算機仿真可以求得非線性系統的精確解,進而分析非線性系統的性能,但是相平面法只適用於一階、二階系統;建立在描述函式基礎上的諧波平衡法可以對非線性系統作出定性分析,是分析非線性系統的簡便而實用的方法,尤其在解決工程實際問題上,不須求得精確解時更為有效。
實際系統中的非線性因素
實際的物理系統,由於其組成元件總是或多或少地帶有非線性特性,可以說都是非線性系統。例如,在一些常見的測量裝置中,當輸入信號在零值附近的某一小範圍之內時,沒有輸出,只有當輸入信號大於此範圍時,才有輸出,即輸入輸出特性中總有一個不靈敏區(也稱死區),放大元件的輸入信號在一定範圍內時,輸入輸出呈線性關係,當輸入信號超過一定範圍時,放大元件就會出現飽和現象,各種傳動機構由於機械加工和裝配上的缺陷,在傳動過程中總存在著間隙,其輸入輸出特性為間隙特性,有時為了改善系統的性能或者簡化系統的結構,還常常在系統中引入非線性部件或者更複雜的非線性控制器。通常,在自動控制系統中,最簡單和最普遍的就是繼電特性。
常見非線性特性對系統運動的影響
從非線性環節的輸入與輸出之間存在的函式關係劃分,非線性特性可分為單值函式與多值函式兩類。例如死區特性、飽和特性及理想繼電特性屬於輸入與輸出間為單值函式關係的非線性特性。間隙特性和一般繼電特性則屬於輸入與輸出之間為多值函式關係的非線性特性。
在實際控制系統中,最常見的非線性特性有死區特性、飽和特性、間隙特性和繼電特性等。在多數情況下,這些非線性特性都會對系統正常工作帶來不利影響。下面從物理概念上對包含這些非線性特性的系統進行一些分析,有時為了說明問題,仍運用線性系統的某些概念和方法。雖然分析不夠嚴謹,但便於了解,而且所得出的一些概念和結論對於從事實際系統的調試工作是具有參考價值的。
死區特性。對於線性無靜差系統,系統進入穩態時,穩態誤差為零。若控制器中包含有死區特性,則系統進入穩態時,穩態誤差可能為死區範圍內的某一值,因此死區對系統最直接的影響是造成穩態誤差。當輸入信號是斜坡函式時,死區的存在會造成系統輸出量在時間上的滯後,從而降低了系統的跟蹤速度。摩擦死區特性可能造成運動系統的低速不均勻;另一方面,死區的存在會造成系統等效開環增益的下降,減弱過渡過程的振盪性,從而可提高系統的穩定性。死區也能濾除在輸入端作小幅度振盪的干擾信號,提高系統的抗干擾能力。
補償的目的
補償的目的是使輸出更加接近理論值。造成非線性關係輸出的原因很多,除了感測器自身的因素外,還有很多外界因素(例如漂移)。這些外界因素很複雜,不能直接計算得到。所以要進行非線性補償,排除其他影響,才能得到合理的輸出。
對象增益非線性補償方法
• 調節閥特性補償,以使廣義對象為近似線性;
• 串級控制方式,以克服副迴路的非線性;
• 引入比值等中間參數,以主迴路廣義對象的增益為近似線性;
• 變增益控制器:通過引入對象增益的反函式以使系統的迴路增益為線性;
• 自適應控制器:根據控制系統的性能自動調整控制器的增益,以使系統的迴路增益為近似線性。
非線性補償環節特性的獲取方法
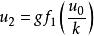
引入非線性補償環節的檢測系統,其結構原理可用圖所示的框圖表示。感測器將被測物理量x轉換成電量u1,這種轉換通常是非線性的。電量u1經放大器放大後成為電量u2,放大器一般是線性的,所以u2也是非線性的。引入線性化器的作用是利用它本身的非線性補償感測器的非線性,從而使整台儀表的輸出u0和輸入x之間具有線性關係。這裡要解決的關鍵問題顯然有兩個:一是在給定u0--x線性關係的前提下,根據已知的U1一x非線性關係和u2一u1線性關係求出線性化器應當具有的u0一u2非線性關係;二是設計適當電路實現線性化器的非線性特性。
非線性補償控制 設圖中所示的感測器特性解析式為
非線性補償控制 放大器特性的解析式為
非線性補償控制 要求測量儀表具有的刻度方程為
非線性補償控制 將以上三式聯立,消去中間變數u1和x,就可以得到線性化器非線性特l生的解析式
非線性補償控制 根據上式即可設計線性化器的具體電路。
對測量儀表中非線性環節的校正還可以採用非線性反饋補償法,在放大器上增加非線性反饋之後,使u0與u1之間出現非線性關係,用以補償感測器非線性,從而使整台儀表輸入輸出特性x一U0具有線性特性。
非線性補償環節的實現方法
硬體電路的實現方法
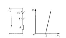
在這類電路中需要有非線性元件或者利用某種元件的非線性區域,例如將二極體或三極體置於運算放大器的反饋迴路中構成的對數運算放大器就能對輸入信號進行對數運算,構成非線性函式運算放大器,它可以用於射線測厚儀的非線性校正電路中。目前最常用的是利用二極體組成非線性電阻網路,配合運算放大器產生折線形式的輸入輸出特性曲線。由於折線可以分段逼近任意曲線,從而就可以得到非線性校正環節(線性化器)所需要的特性曲線。
折線逼近法如圖所示。將非線性校正環節所需要的特性曲線用若干有限的線段代替,然後根據各轉折點zi和各段折線的斜率ki設計電路。
非線性補償控制 可以看出,轉折點越多,折線越逼近曲線,精度也越高;但太多了則會因電路本身誤差而影響精度。在校正電路中通常採用運算放大器,當輸入電壓為不同範圍時,相應改變運算放大器的增益,從而獲得所需要的斜率。
微機軟體的實現方法
對測量系統非線性環節的線性化處理,除了採用前述的硬體電路實現之外,在有微機的智慧型化檢測系統中可利用軟體功能方便地實現非線性特性的線性化。這種方法精度高,成本低,套用靈活。線性化的軟體處理經常採用線性插值法、二次曲線插值法和查表法。
軟體線性插值法的線性化精度由折線的段數決定,段數越多,精度越高。具體分段數可視非線性特性曲線形狀而定,可以是等分的,也可以是不等分的。
二次曲線插值法是用拋物線代替原來的曲線,這種插值法比線性插值法更精確。
直接線性化方法
直接線性化方法是將輸入量與輸出量的確定函式關係鹽線用直線代替,在保證誤差不超過允許精度的範圍內,這種方法是簡單易行的。
所選的擬合直線有多種,如理論擬合、過零旋轉擬合、端點連線擬合、端點平移擬合和最小二乘擬合等。這些擬合的目的都是找到一條最接近的直線來代替實測特性曲線,不同在於最小二乘法是在有一組N個實測數據的條件下,按最小二乘法理論求解直線方程。而其他直線擬合,是已知真實輸入/輸出曲線,找到一條與之誤差較小的直線方程,是誤差較小,而不是最小,但它們的求解過程相對簡化。
非線性電路法補償
直接線性化方法實質是設法選取一擬合後有較小誤差的直線來替代實際曲線。如果進一步把實際曲線分成若干段,每段都用一直線代替,則可形成一組折線來代替實際曲線,這顯然會更加逼近感測器的特性曲線。但用一組折線對應一組直線方程的方法相對較為麻煩,如果能從電路上找到一種模擬方法,可以實現電路(硬體)法擬合,將更為直接有效。
非線性補償控制 如圖所示,任何非線性函式都可以用折線去近似逼近(替代)。根據特性曲線的不同範圍,分段地用直線擬合非線性特性曲線,再用相應的電路加以實現。
非線性補償控制 採用折線逼近法,各折線間將產生折線轉折點。轉折點前後分屬不同直線段,在轉折點處,會m現非線性。對此在電路中要採用相應的非線性元件,如利用二極體的導通和截止特性可實現兩種狀態的轉變,也就是在對應的轉折點出現轉折。圖為最簡單的折點電路。除二極體外,還可用其他非線性元件,由非線性元件(產生轉折點)與運算放大器一起組成實現非線性補償的模擬電路。
數位化非線性補償
不論是用直接線性化方法還是採用電路法非線性補償,都是用一條或多段折線逼近特性曲線,目的是在滿足精確度要求前提下進行線性化處理。也完全可以利用計算機處理數據的能力,用軟體技術實現特性曲線的非線性化補償。這種補償處理稱作數位化非線性補償,它可以省去複雜的硬體補償電路,發揮計算機的數據處理能力,提高檢測精度。對輸出量不是數字量的感測器來說,要進行數位化非線性補償,需要先對輸出的模擬量經A/D轉換數位化,從線性化角度選擇A/D轉換器要注意轉換器的轉換精度(與A/D轉換器位數有關)。
①當輸入量與輸出量之間有確定的函式關係時,採用編寫數學表達式的計算程式,對輸出量經採樣,濾波和變換後,直接進入計算程式計算,由計算結果得到經過線性化處理後對應的輸入量。計算公式的非線性誤差應滿足精度要求,這種方法通常稱為計算法。
②如果表達輸入量與輸出量的函式關係式很複雜,不適合進行實時動態監測時,或當被測量與輸出量沒有確定函式關係,不能用某種公式表達時,可採用表格法。即把測量範圍分成若干等分點,對應的輸入/輸出數據編製成一張表格。介於兩個分點中間的數據可用插值法計算出。等分點數目越多,查得的數據越接近真實值,精度越好,但分點數目多會使存儲空間過多。往往表格法與插值法配合使用,插值法是使用較多的一種方法,其實質是計算法和查表法的結合。
