產品名稱、型號、規格
1.1產品名稱:雙目間接檢眼鏡
1.2型號:IO-αLED
註冊、產品代理及售後服務信息
2.1註冊人名稱:株式會社NEITZ
註冊人地址:東京都千代田區一番町15番地21一番町Court4F
株式會社 NEITZ
售後服務單位名稱
納宜慈醫療科技(上海)有限公司
售後服務單位地址: 上海市長寧區仙霞路318-322號
鑫達大廈8層807B室
中國代理人名稱
納宜慈醫療科技(上海)有限公司
中國代理人地址: 上海市長寧區仙霞路318-322號
鑫達大廈8層807B室
生產企業信息
3.1生產企業名稱:株式會社西澤電機計器製作所
生產企業地址:長野縣埴科郡坂城町坂城6249
醫療器械註冊證編號
4.1醫療器械註冊證編號:國械注進20152220621
產品標準編號
5.1產品標準編號:YZB/JAP0415-2015
產品性能及參數
6.1產品性能及參數
(1)光源:3W型白色LED
(2)電源條件電源適配器額定:AC100-240V、50/60Hz、15VA輸出:DC5V,2A電池組輸出電壓:DC3.2V,0.7W
(3)切換濾光鏡:UV、無紅、鈷藍色3種
(4)照射野:φ19、φ50、φ80mm3級切換
(500mm前方位置)
(5)光度:最大光度約600Lx、中間位置約300Lx(500mm前方位置、UV濾光鏡時)
(6)動作模式:連續動作
(7)連續亮燈時間:最大光度時約5小時,中間位置時約10小時
(8)使用充電池:鎳氫電池
(9)充電時間:約2個半小時
(10)充電池壽命:約1500個周期
(11)頭圍安裝範圍:約520mm-640mm
(12)主體尺寸、質量:約164×111.5×58mm(不含帶部),約480g
(13)電池組(IO-BPⅡ)尺寸、質量:約72.5×65×20mm(不含突起部),約140g
(14)手提箱尺寸:470×330×200mm
(15)安全性、規格主體、電池組(IO-BPⅡ):適應JIS T0601-1:1999對水、粒子的進入的保護程度:IPX0AC適配器:通過PSE、UL、CUL、FCC、CE認證電擊的保護形式:內部電源ME設備電擊的程度分類:B形設備EMC:符合IEC60601-1-2:2007
(16)產品原產地:日本
(17)生產日期,使用期限或者失效日期:請參照標籤。
6.2主要結構組成或成分
產品組成:由檢眼鏡主體(頭罩、光路系統和控制器)、電源(IO-BPⅡ型電池組、AC適配器)、20D非球面鏡(選配)組成。
(1)關於組件的構成部件
雙目間接檢眼鏡IO-αLED(後面稱為IO-αLED)由於組件種類的不同,每1組的構成部件都不同。
使用前,請確認是否所有部件齊全。
| 構成部件名 | 組件4 | 外觀 |
| 主體部 | 1 | 參照6.2(2)項 |
| 電池組部 (IO-BPⅡ) | 1 | 參照6.2(2)項 |
| AC適配器 | 1 | ![]() |
| 連線線(1m) | 1 | ![]() |
| 皮帶扣 | 1 | ![]() |
| 配線環 | 1 | ![]() |
| 前墊(備品) | 2 | ![]() |
| 示教鏡 | 1 | ![]() |
| 手提箱 | 1 | ![]() |
| 20D非球面鏡 | 選配件 | ![]() |
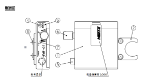
(2)各部位的名稱和主要功能

①前墊………………鉤式可拆卸前墊。附帶2個備件。
②布套………………覆蓋機構部。為了安全,請勿取掉。
③固定鏇鈕………………順時鐘轉動,帶子收縮,反向轉動,帶子伸長。
設定在頭頂部和頭後部2個位置。
④頭後部帶子…………上下動作可改變角度。
⑤主體盒
⑥覆帶
⑦主體固定鏇鈕位於右手側。
⑧覆帶固定鏇鈕位於左右2個位置,通常為擰緊狀態。
如果鬆動,將覆帶向上掀,翹起來後擰緊,可以在該位置固定覆帶。
⑨燈箱安裝了LED燈泡。
⑩連線線
⑪燈插頭
⑫玻璃蓋片
⑬接眼部加入+2D(屈光度)。
⑭眼寬調節桿接眼部側有刻度顯示(54mm~74mm)。
⑮光圈切換桿從大、中、小中選擇照明的照射直徑。有對應光圈大小的圖示(從上往下大、中、小)。
⑯濾光鏡切換桿從UV、無紅、鈷藍色中選擇。有對應效果的圖示
(從上到下為UV、無紅、鈷藍色)。
⑰照明角度調節鏇鈕……左右2個位置設有,連動運作。
⑱觀察角度調節鏇鈕……左右2個位置設有,連動運作。
⑲示教鏡插入口

①電池盒
②頭帶鉤
③燈插孔
④CHARGE插孔
⑤CHARGE燈
⑥電源開關
⑦餘量燈
⑧鉤固定螺絲
6.3適用範圍
適用於醫療單位對患者做眼底視網膜疾症診斷和放大成像用。
禁忌症、注意事項、警示以及提示的內容
7.1禁忌症:無
7.2注意事項、警示:
警告 | 該標示表示使用方法錯誤時,「估計可能會導致死亡或負重傷」的內容。 |
注意 | 該標示表示使用方法錯誤時,「估計可能會帶來損傷及帶來物質損害」的內容。 |
下面的圖示分別說明敬請遵守的內容。
禁止 | 表示禁止(不可)。 |
指示 | 表示強制遵照指示行動(務必遵守)。 |
禁止拆解 | 表示不可進行拆解的符號。 |
禁止濕手 | 表示不可用濕手操作的符號。 |
警告 | |
禁止 | 請將向眼照射的時間設定為最小時間,單眼不超過1分鐘。有損害視力的危險。 |
禁止 | 請不要照射超過需要的光量。 有損害視力的危險。 |
禁止 | 請勿在液化石油氣或汽油等可燃性氣體或粉塵附近使用。有起火、爆炸的危險。 |
禁止 | 請勿放置在小孩可接觸到的場所。會導致受傷或誤飲。 |
禁止 | 請勿用布或被子覆蓋或包裹。會導致火災、故障。 |
禁止 | 請使用者在使用本產品時嚴格按照醫院的規定佩戴醫用帽子。 |
注意 | |
禁止 | 請勿使用本組件標準品以外的AC適配器和電池組。會導致觸電、故障。 |
禁止 | 請勿讓電池組在搖搖晃晃或不穩定的狀態下使用。會導致故障、受傷。 |
禁止 | 請勿在濕度高或濺水的場所使用。會導致觸電或故障。 |
禁止 | 請勿讓端子間短路或用手指等觸摸。會導致觸電或故障。 |
禁止 | 請勿滅菌。會導致故障、受傷。 |
禁止 | 請勿給予強烈的衝擊或投擲。會導致受傷、故障或火災。 |
禁止濕手 | 請勿用濕手接觸機器。會導致觸電。 |
禁止拆解 | 請勿拆解和改造。會導致燙傷、火災、故障。 |
指示 | 請預先進行充電,確保富餘的剩餘電量。會導致不能使用、中斷。 |
指示 | 調節或固定螺絲鬆動時,請務必重新擰緊。會導致故障、受傷。 |
指示 | 維修或長時間不使用時,請拆開各配線。會導致觸電、火災、故障。 |
指示 | 發出異味或冒煙等異常發生時,請馬上停止使用,拆開各配線。會導致受傷或火災。 |
指示 | 本產品在使用過程中可能會對其他醫療電氣設備產生電磁干擾。 |
安裝和使用說明
8.1安裝和使用說明
8.1.1使用的方法
IO-αLED的光源採用LED,電源的電池組採用可反覆使用的充電池,具有充電時間短,可長時間穩定亮燈等特點。
請在正確理解產品的功能和特點的基礎上正確使用。
(1)安裝電池組
電池組的安裝(預先放置的位置)有以下方法。請對應使用方法從中選擇。
①安裝在主體的固定鏇鈕上。
沒有連線線的繁瑣,可以簡單達到一體化,但主體的重量會稍微變重。因頭頂部、頭後部的兩側都可以安裝,請實際帶上嘗試,選擇平衡好的一方。
此外,出廠時的電池組上,裝有主體安裝用頭帶鉤。
插入到停住為止②安裝在衣服的皮帶上
將頭帶鉤換成附屬的皮帶扣,可以掛在皮帶等上使用。
用十字螺絲刀將固定住頭帶鉤的2個螺絲鬆開,用拆下的螺絲固定皮帶扣。

皮帶扣用外側的螺絲孔固定。
③放在衣服的口袋內或桌上使用
鉤類礙事時,也可以在分開的狀態下使用,但要注意不要讓其不穩定或掛住。
(2)連線電池組和主體的連線線

連線燈插頭與燈插孔(有OUTPUT=輸出的標示)。
用指尖拿住燈插頭的黑色橡膠部位,
插入燈插孔內。
插入位置只有1處,將橡膠部位稍微轉動,
可以順利插入。
確實已連線好時,在發出「咔嚓」的聲音
的同時,金屬環鎖住。
拆下連線線時,請抓住金屬環朝向胸前拔出。
即使鏇轉金屬環,也不能拆下連線線。
將電池組裝在皮帶上或口袋中,或設定在桌子上使用時,請在燈插頭與燈插孔之間連線中間連線線,以增長全長。
此時,如果將配線環插入頭後部側的固定鏇鈕,然後將連線線從中通過,這樣,因為從背部垂下來,會降低連線線的干擾。
(參照連線外觀圖)

(3)電池組充電
DC插頭使用前請預先進行充電。
將AC適配器插入插座,DC插頭插入
CHARGE插孔(有CHARGE=充電的標示),直到停住為止。
CHARGE燈在充電中亮橙色燈,充電
完畢後為綠色。
充滿電的時間因充電池的種類而異,但一般
從空的狀態開始充電大約需要2個半小時。
充電完畢後,從插座上拔出AC適配器,從電池組上拔出DC插頭。
DC插頭的插拔,請如圖所示,用手指筆直小心地拔出。
在連線了燈插頭的狀態下可以充電,但不能同時亮燈。
即使已經充滿電的充電池,如果長時間放置,有時也會因為自然放電而導致亮燈時間變短。
(4)安裝在頭部

①醫生戴好醫用帽子,旋鬆頭頂部和頭後部的固定鏇鈕,套在頭部上,讓前墊靠住額頭。
②在相對頭部最穩定的位置,轉動頭後部側的固定鏇鈕擰緊。此時,如圖所示,如果將頭後部帶設定在較深的位置,會增加穩定感。
③轉動頭頂部側的固定鏇鈕,將深度調節到最佳位置。
(5)接眼部位置的調節

①用手撐住主體,鬆開主體固定鏇鈕。
②將主體前後或上下轉動以改變角度,調節到最佳探視位置。
③擰緊主體固定鏇鈕並固定。
(6)眼寬調節
①將觀察角度調節鏇鈕完全鏇轉到上側。
②將拇指等視標放置在主體前方400mm位置,滑動眼寬調節桿進行調節,直到分別用單眼觀察視標時,視標都處於視野的中央。
(7)照明的亮燈
①將電源開關從「切斷」的位置鏇轉到「打開」。轉動的幅度越大燈越亮,因此,要調節到需要的亮度。此外,在電源開關的中間位置有喀噠感。
關於餘量燈
亮燈中,對應充電池的餘量,餘量燈的顏色發生變化。請對應使用時間,在有充分富餘的餘量下使用。使用前請預先充滿電。
亮綠色燈還有餘量。
亮橙色燈餘量很少,請馬上充電。
亮紅色燈幾乎沒有餘量,處於不能穩定運作的(變暗、閃爍等)區域,請停止使用進行充電。
②照射野直徑的切換
轉動光圈切換桿,選擇需要的照射野直徑。
③濾光鏡的切換
轉動濾光鏡切換桿,設定為需要的濾光鏡。
UV濾光鏡處於通常時的使用位置。觀察時沒有色調的變化。
無紅色濾光鏡血管看起來呈黑色,對比度好。
鈷藍色濾光鏡在觀察時使用螢光色素。
(8)觀察
①單手拿住非球面鏡(選配件),將照明光照射到被檢眼的瞳孔區域內。
此時,如果讓拿著非球面鏡的手其空餘的指頭按在被檢人的臉上,可保持位置穩定。
②將非球面鏡放置在靠近被檢眼的位置,然後慢慢遠離,有一個位置可以清晰地觀察眼底。
倒像檢眼法,因為是角膜或非球面鏡的前後面作為鏡面工作,容易產生反射光,可能會干擾檢查。此時,如果將非球面鏡稍微傾斜,由於鏡頭的前面與後面的反射會去向周邊,眼底的像變得容易觀察。
被檢眼與非球面鏡的距離,因非球面鏡的度數(屈光度)的不同而不同。
非球面鏡的度數和特徵
+14~16屈光度 明亮,擴大率高,但視野狹窄
+20屈光度 多使用於通常狀態
+28~30屈光度 暗,擴大率低,但觀察範圍廣
③根據瞳孔直徑靈活使用
請根據瞳孔直徑的狀態靈活使用觀察方法。
大瞳孔觀察
大瞳孔觀察一般情況下,大瞳孔觀察時,將照明
角度調節鏇鈕與觀察角度調節鏇鈕轉到上側。
照明光遠離觀察光,觀察角度變大。
觀察簡單,立體視也良好的狀態。
小瞳孔觀察
小瞳孔觀察一般情況下,小瞳孔觀察時,將照明
角度調節鏇鈕與觀察角度調節鏇鈕轉到下側。
照明光接近觀察光,觀察角度變小。
橫向扁平瞳孔觀察
橫向扁平瞳孔觀察一般情況下,橫向扁平瞳孔觀察時,
將照明角度調節鏇鈕轉到下側,觀察角度調節鏇鈕轉到上側。
照明光接近觀察光,觀察角度變大。
縱向扁平瞳孔觀察
縱向扁平瞳孔觀察一般情況下,縱向扁平瞳孔觀察時,
將照明角度調節鏇鈕轉到上側,觀察角度調節鏇鈕轉到下側。
照明光離開觀察光,觀察角度變小。

④觀察眼底的側面部
當強膜壓迫時,邊壓迫想要看的一側的強膜邊觀察。
⑤陳示眼底像
將示教鏡安裝在示教鏡插入口上,可以從側面
看到與檢查人所看到的像相同的眼底像。
左右兩個方向都可以安裝。
拆除時,請邊上下同時按圖中的●部位,
邊拔出。
(9)照明的熄燈
檢查結束後,將電源開關鏇轉到「切斷」的位置,確認熄燈。
(10)光譜圖
下圖是間接檢眼鏡處於最大光強和最大孔欄狀態時,介於光譜波長305nm~1100nm間輸出的相對光譜圖。該輸出光譜圖表征儀器出射的照明光束。

8.2特殊說明:
不正常運作時,請確認下述內容。
即便這樣還是不能解決問題時,請停止使用,按照卷末的聯絡地址進行聯絡。
| 症狀 | 確認事項 | 關於對應 |
照明不亮燈 | 連線線等的連線正確嗎? DC插頭是否已經插入? 電池組是否處於充電狀態? | →正確連線。 →拔出。 →充電。 |
照明暗,閃爍 | 沒有選擇減光鏡嗎? 餘量燈沒有變為亮紅色燈嗎? | →嘗試改變濾光鏡。 →充電。 |
即使充滿電,也不能長時間使用 | 電池組已到壽命嗎? 充電池是消耗品。充電時間變長,或使用時間縮短可考慮已到使用壽命。 | →委託購買店進行更換。 |
照明有斑點或缺口 | 玻璃蓋片是否有污漬或異物? 濾光鏡或光圈是否處於中間某位置? | →進行清掃。 →轉換到咔擦一聲停止的位置。 |
觀察時圖像模糊 | 接眼部與觀察口是否有污漬或異物? 非球面鏡是否髒污? | →進行清掃。 →進行清掃。 |
(九)產品維護和保養方法,特殊儲存、運輸條件、方法
9.1產品維護和保養方法:
玻璃蓋片與接眼部的玻璃部
請用送風機等清除灰塵和異物。
請用柔軟的布,浸少量稀釋的中性洗滌劑或市售的玻璃清潔劑進行擦拭。
請注意無論是使用時還是保養時,都不可用手指直接接觸。
端子部
請用棉棒或送風機等清除灰塵和異物。
前墊
拆下後,請用洗滌劑等揉洗後使之乾燥。
其他外側部位
請乾擦,或用柔軟的布浸少量稀釋的中性洗滌劑擦拭。
然後,乾擦後使之乾燥。
9.2特殊儲存條件、方法:
(1)保管、保存
公稱使用溫度10℃~40℃
公稱保管溫度-20℃~60℃
請避免保管在直射陽光下或濕度大的場所。
(2)搬運
請放入專用的容器內進行搬運,避免被施加大的負載或受到衝擊。
生產日期,使用期限或者失效日期
10.1生產日期:請參照標籤。
10.2使用期限:請參照標籤。
更換方法的說明
11.1配件清單:
11.2配件更換周期及更換方法:

LED燈泡的更換
光源的LED壽命很長,幾乎不需要更換。如果需要更換,
請按照下列步驟進行。
①確認電源開關是否處於「切斷」位置。
②邊用棒狀物壓住燈箱上的凹陷部位(左右都有),
邊朝上拔出。

③拔出舊的LED燈泡,對準插口的槽插入
新的LED燈泡。
槽有2處,但插入哪一側都沒有關係。
LED燈泡
④壓入燈箱到原來的狀態,直到發出「咔擦」
的聲音。
⑤將電源開關調至「打開」,確認是否亮燈。
醫療器械標籤所用的圖形、符號、縮寫解釋
12.1本產品標籤所用圖形(符號、縮寫)的解釋說明:

說明書的編制或者修訂日期
說明書編制日期:2017年2月1日
其他應當標註的內容
14.1廢棄
請按照各地區的分類進行廢棄,或退回到銷售店。
14.2關於電池組的處理
充電池是可回收的貴重的資源。
不要時,請使用回收公司的回收箱,或委託購買
的代理店或製造商給予回收。
14.3產品的諮詢
有關產品的諮詢,請與您所購買的代理店或下述聯絡地址聯絡。
製造銷售商:株式會社 NEITZ 營業部
日本東京都千代田區一番町15番地21一番町Court4F









警告
禁止
指示
禁止拆解
禁止濕手