模式種
甜菜黃化病毒(Beet yellow virus)病毒特性
形態學
![]() | ![]() | ![]() |
提純的甜菜黃化病毒。 | 醋酸鈾負染色的甜菜黃化病毒粒子。 | 左:提純的柑橘速衰病毒,甲酸鈾負染色。右:提純的麝香石竹壞死斑點病毒,甲酸鈾負染色。 |
理化特性
病毒在蔗糖或硫酸銫梯度中通常為一條帶,標準沉降常數S(20W)=96~140S,在氯化銫中的浮力密度為1.30~1.34g/cm^3,在硫酸銫中的浮力密度為1.24~1.27g/cm^3。多數病毒會被氯化銫降解,在高鹽溶液中不穩定,有中等抗高溫和有機溶劑的能力,熱鈍化點為45~55℃,對RNA酶和螯合劑敏感。核酸
為單分子線形正義ssRNA,長15.5~19.3kb,其長度與病毒粒子長度有關,甜菜黃化病毒的核酸長15480nt,最長的柑橘速衰病毒基因組為19296nt。柑橘速衰病毒還具有包裹亞基因組RNA和多種缺損型RNA的較短粒子。核酸約占病毒粒子重量的5%~6%。蛋白質
一種主要外殼蛋白的分子質量為22~28kDa,甜菜黃化病毒和柑橘速衰病毒有一個外殼蛋白類似物(CPd),分子質量為24~26kDa,一些由粉蚧傳播和少數由未知介體傳播的病毒主要外殼蛋白分子質量為35~46kDa。有些病毒的結構蛋白缺少色氨酸。基因組
單分體基因組,RNA的5’端可能有一個甲基化帽子結構,3’端既無Poly(

抗原特性
免疫原性中等,屬內多數病毒與其他病毒之間無血清學關係。細胞病理
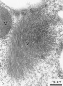
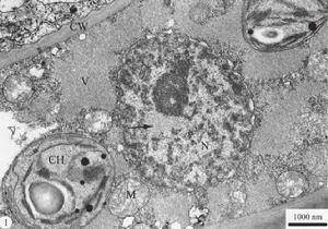
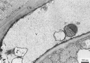
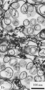
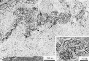
病毒粒子存在於感病植物韌皮部的篩管和薄壁細胞,成束或者聚集成纖維狀團塊,一些韌皮部細胞幾乎被病毒聚集體充滿,在光鏡下呈無定形的細胞質內含體或帶狀內含體。電鏡下內含體主要由病毒聚集體混合著單個或成群的小囊泡以及正常細胞組分組成,這些小囊泡內含網狀纖維物質,可能來源於內質網或囊泡化的線粒體周邊小泡,稱為BYV型囊泡,這是該屬的細胞學特徵。病毒粒子有時也在細胞核中及葉綠體中看到,韌皮部細胞常產生不同程度的壞死。生物學
寄主範圍
對單個病毒來說,自然寄主和實驗寄主均有限,甜菜黃化病毒的寄主範圍較寬,可接種藜科等10個科的雙子葉植物。病害症狀主要是黃化型或木質莖桿上的凹點,侵染是系統性的,但通常局限於韌皮部,引起韌皮部不同程度的壞死。傳播
一般不能機械接種傳播,即使有也較困難。一些病毒由蚜蟲、粉蚧或粉虱以半持久方式傳播。地理分布
屬內不同病毒有的分布範圍有局限性,有的分布較廣,大多發生於溫帶地區,甜菜黃化病毒分布於世界主要甜菜種植區。分類
該屬有11個種和16個暫定種,代表種是甜菜黃化病毒。中國已報導甜菜黃化病毒、麝香石竹壞死斑點病毒、柑橘速衰病毒、小麥黃葉病毒等。確定種
共11個種。蚜蟲傳播
共7個種。
編號 | 中文名 | 學名 | 國際基因庫登錄號碼 |
1 | 甜菜黃矮病毒 | Beet yellows stunt virus(BYSV) | [U51931] |
2 | 甜菜黃化病毒 | Beet yellow virus (BYV) | [X73476] |
3 | 牛蒡黃化病毒 | Burdock yellows virus(BuYV) | - |
4 | 麝香石竹壞死斑點病毒 | Carnation necrotic fleck virus(CNFV) | - |
5 | 胡蘿蔔黃葉病毒 | Carrot yellow leaf virus(CYLV) | - |
6 | 柑橘速衰病毒 | Citrus tristeza virus(CTV) | [U56902,U16304] |
7 | 小麥黃葉病毒 | Wheat yellow leaf virus(WYLV) | - |
粉虱傳播
共1個種。
編號 | 中文名 | 學名 |
8 | 甜菜偽黃化病毒 | Beet pseudoyellows virus(BPYV) |
粉蚧傳播
共2個種。
編號 | 中文名 | 學名 | 國際基因庫登錄號碼 |
9 | 葡萄卷葉伴隨病毒3號 | Grapevine leafroll-associated virus 3 (GLRaV3) | [U82937] |
10 | 小櫻桃病毒 | Little cherry virus(LChV) | [Y10237] |
介體未明
共1個種。
編號 | 中文名 | 學名 | 國際基因庫登錄號碼 |
11 | 葡萄卷葉伴隨病毒2號 | Grapevine leafroll-associated virus 2 (GLRaV2) | [Y14131] |
暫定種
共16個種。蚜蟲傳播
共3個種。
編號 | 中文名 | 學名 |
1 | 三葉草黃化病毒 | Clover yellows virus(CYV) |
2 | 石斛脈壞死病毒 | Dendrobium vein necrosis virus(DVNV) |
3 | 獨活病毒6號 | Heracleum virus 6(HV-6) |
粉蚧傳播
共3個種。
編號 | 中文名 | 學名 |
4 | 鳳梨萎凋伴隨病毒1號 | Pineapple mealybug wilt-associated virus 1(PMWaV-1) |
5 | 鳳梨萎凋伴隨病毒2號 | Pineapple mealybug wilt-associated virus 2(PMWaV-2) |
6 | 甘蔗輕型花葉病毒 | Sugarcane mild mosaic virus(SMMV) |
粉虱傳播
共2個種。
編號 | 中文名 | 學名 |
7 | 黃瓜褪綠斑點病毒 | Cucumber chlorotic spot virus(CCSV) |
8 | 鈕扣草脈褪綠病毒 | Diodea vein chlorosis virus(DVCV) |
介體未明
共8個種。
編號 | 中文名 | 學名 |
9 | 空心莧矮化病毒 | Alligatorweed stunting virus(AWSV) |
10 | 羊茅壞死病毒 | Festuca necrosis virus(FNV) |
11 | 葡萄卷葉伴隨病毒1號 | Grapevine leafroll-associated virus 1(GLRaV-1) |
12 | 葡萄卷葉伴隨病毒4號 | Grapevine leafroll-associated virus 4(GLRaV-4) |
13 | 葡萄卷葉伴隨病毒5號 | Grapevine leafroll-associated virus 5(GLRaV-5) |
14 | 葡萄卷葉伴隨病毒6號 | Grapevine leafroll-associated virus 6(GLRaV-6) |
15 | 葡萄卷葉伴隨病毒7號 | Grapevine leafroll-associated virus 7(GLRaV-7) |
16 | 巨托雨樹花葉病毒 | Megakepasma mosaic virus(MegMV) |











