案例
灰鑄鐵的石墨類型和大小取決於共晶團中石墨分枝和成長速度.當共晶團停止生長,石墨的長大也就停止.金相觀察時,石墨以單獨的片狀散布在基體上,它們是分隔的,互不聯繫的.採用掃描電子顯微鏡觀察到共晶團內完整石墨的立體形態,說明它們是互相連線的.只是在金相磨麵上才呈孤立片狀.
分類
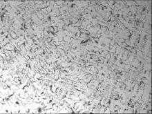
鑄鐵石墨國標對鑄鐵石墨等級有以下之分:A型細片狀,B型花狀,C型粗大片狀,D型點狀,E有方向性點狀,F蜘蛛狀或星球狀.標準中,石墨最長(100倍下,大於等於100mm稱石長100).石墨最短的(100倍下,小於1.5mm,稱石長1.5)為8級.
石墨長度的評級對於鑄件具有重要的實際意義.因為石墨在鑄件中相當於裂紋缺陷.裂紋越長,破斷應力就越小.說明鑄件的性能越差.
球墨鑄鐵,石墨是經過孕育球化處理,石墨成球狀或蠕蟲狀.
圖片為100倍光學顯微鏡下石墨形態,主要為B型石墨,少量A型石墨.
