過燒
如果由於加熱溫度過高,時間又長,鋼的奧氏體晶粒不僅已經長大,而且在奧氏體晶界上發生了某些使晶界弱化的變化,例如晶粒之間的邊界上出現熔化、有氧滲入,並在晶粒間氧化,這樣就失去了晶粒間的結合力,失去其本身的強度和可塑性。在熱處理後會在表面形成粗大的裂紋,這種現象稱為鋼的過燒。
過燒危害
過燒可以導致斷口遺傳,即在過燒的情況下,雖經再次適當加熱淬火消除了粗大的晶粒而得到了細晶粒的奧氏體組織,但在沖斷時仍得到了與原粗大奧氏體晶粒相對應的粗晶斷口。在奧氏體晶粒已經細化的條件下,斷裂仍沿原奧氏體晶界發生,這表明第一次過熱時在原奧氏體晶界發生了某些使晶界弱化的變化,且這種弱化在再次加熱時不能得到消除。在晶界上可能發生的變化不外乎是沿晶界析出了某種相或是形成了某些夾雜元素的偏聚。目前已經得到公認的原因是,沿原奧氏體晶界析出了MnS等第二相使晶界弱化,即在第一次過熱時由於溫度足夠高,鋼中的MnS等夾雜物已經熔入奧氏體中,並由於內吸附而偏聚在原奧氏體晶界。在加熱後如以不太快的速度冷卻,則隨溫度的下降,MnS在原奧氏體中的熔解度下降,沿原奧氏體晶界析出,使晶界弱化,形成萘狀斷口。已經析出的MnS等夾雜物再次加熱到正常溫度淬火以及回火時均不能重新熔解,所以斷裂仍沿原奧氏體晶界發生,出現斷口遺傳。
由於過燒導致晶粒問彼此的結合力大為降低,塑性變壞,使得鋼在進行壓力加工過程中就會開裂。過燒一般發生在鋼的軋、鍛等熱加工過程中,但在某些萊氏體高合金鋼的淬火熱處理中也常有發生,因為它們的淬火加熱溫度接近其萊氏體共晶點。
原因及消除
當鋼加熱到比過熱更高的溫度時,不僅鋼的晶粒長大,晶粒周圍的薄膜也開始熔化,氧進入了晶粒之間的空隙,使金屬氧化,甚至熔化。過燒不僅取決於加熱溫度,也和爐內氣氛有關。爐氣的氧化能力越強,越容易發生過燒現象,因為氧化性氣體擴散到金屬中去,更易使晶粒間晶界氧化或局部熔化。在還原性氣氛中,也可能發生過燒,但開始過燒的溫度比氧化性氣氛時要高60~70C。鋼中碳含量越高,產生過燒危害的溫度越低。
過燒不僅使奧氏體晶粒劇烈粗化,而且使晶界也被嚴重氧化甚至局部熔化,此時,不能用熱處理的辦法消除,只好報廢、回爐重煉。生產中有局部過燒,這時可切掉過燒部分,其餘部分可重新加熱軋制、鍛造。如果過燒僅僅是引起晶界弱化,消除的辦法有:
1、重新加熱到引起過燒的溫度,以極慢的速度(3℃/min)冷卻;
2、重新加熱到引起過燒的溫度,冷到室溫,再加熱到較前一次低100~150℃的溫度,再冷至室溫。如此重複加熱、冷卻直到在正常加熱溫度以下為止;
3、重新鍛造;
4、進行多次正火。
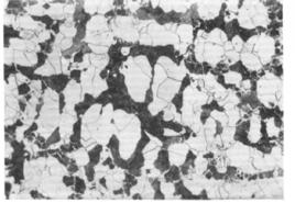
過燒鑑定
鑑定鋁、鎂合金的過燒,是顯微檢驗中的主要任務之一。過燒組織是合金的加熱溫度超過合金中低熔點共晶的熔化溫度時,存在於晶內及晶界處的低熔點共晶物發生局部熔化和氧化的一種組織。過燒組織的特徵是分布乾晶粒內部的低熔點共晶物形成液相球,在晶界上的使晶界局部加寬,而在晶界交叉處的則呈三角形等。在發生過燒時,隨著溫度的提高,晶界的脆化和氧化程度也加重。因而使合金的各種性能受到較嚴重的影響,是一種不允許產生的顯微組織缺陷。
試樣要切取自最易發生過燒的部位,即加熱時的高溫區。鑑定時,應沿試樣的邊緣逐漸向里觀察,仔細的觀察各部位組織變化,找出可疑特徵作進一步判斷。板材過燒組織試樣的拋光面應為縱截面,型材、棒材、模鍛件試樣的拋光面應為橫截面。試樣的侵蝕一般使用混合酸溶液,需作進一步鑑定或觀察某些相時,可選用一些其它的侵蝕劑。
過燒組織特徵中的低熔點共晶體可分別選用如下侵蝕劑來顯示:
1、用0.5%氫氟酸溶液侵蝕1分或用5%鹽酸溶液侵蝕20~25秒。
2、用10%磷酸溶液侵蝕3~4分或用5~10%的硝酸溶液侵蝕20~25秒。此侵蝕劑僅顯示復熔共晶球體、晶界和晶界交叉處過燒組織中的相,而不侵蝕正常的晶界。試樣通常放大200倍進行觀察,如需詳細識別時,可放大500倍。
鑑定過燒組織時應當注意:
1、有些合金在鑑定過燒組織時,經常發現試樣的顯微組織中有很多小黑洞,此黑洞生成的原因較多,如在磨製試樣時用力較大,拋制試樣的時間過長,以及試樣在侵蝕時,合金中的部分相發生溶解脫落,另外還可能由於熱處理加熱氣氛以及合金本身含有氣體的作用等。因此合金的過燒組織特徵應和試樣中的小黑洞加以區別。
2、應把鑄錠均勻化退火時的過燒組織中的復熔共晶球與鑄錠原有的鑄造共晶球加以區別。前者復熔球體的外圈明顯,而後者共晶球體的外圈不明顯。同時應藉助於鑄造組織和均勻化組織之差異來幫助鑑別。

