定義
其元件符號如圖所示。
迴轉器(理想)迴轉器的電壓電流關係如下式所示,式中的參數G稱為迴轉電導。
迴轉器或寫成
迴轉器式中:常數r和G分別為迴轉電阻(單位:Ω)和迴轉電導(單位:S),統稱為迴轉常數,並且r=1/G。
以上兩式寫成矩陣形式為
迴轉器
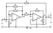
迴轉器迴轉器可以用含運算放大器的電路實現。
迴轉器實現性質
迴轉器是不耗能的,而且也是不儲能的。迴轉器是非互易元件。
由迴轉器電壓與電流關係式可知,輸出電壓與輸入電壓分別是輸入電流和輸出電流的線性函式,這裡r和G是與時間無關的常數。因此迴轉器是一種線性時不變電阻原件。
在迴轉器的次級端接一個電阻時(如圖所示),其初級的等效電阻為一個電導。
迴轉器次極端接電阻在迴轉器的次級端接一個電容時(如圖所示),其初級的等效阻抗為一個電感。
迴轉器次極端接電容常見用途
在微電子電路中,由於製造一個電感器要有鐵芯和線圈,所占體積較大,製造電容器比製造電感器容易得多。而迴轉器有容感倒逆的特性,因此常用迴轉器與電容作為等效電感使用。

