簡介
載重線標尺載重線標尺指勘繪於船中兩舷船殼外板,用以限制船舯最大吃水,確保船舶最小乾舷的標誌。
《法定規則》規定,勘劃載重線確定相應的乾舷高度時除必須滿足對儲備浮力的要求外,還必須根據船舶用途、航區和船舶結構,全面滿足對船舶強度、完整穩性、破艙穩性等各方面的綜合要求。當按上述要求所核定的乾舷值不一致時,應取其中的最大值作為最小乾舷,以最大限度地確保船舶的安全航行。
《法定規則》規定,我國註冊的船舶的載重線標誌由中國船級社或由其委託指定機構負責勘劃。
國際航行船舶的載重線標尺
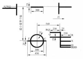
由甲板線、載重線圈及水平橫線、各載重線和冰級吃水標誌組成所示。
甲板線
指勘劃於船中左右兩舷,其上邊緣與乾舷甲板上表面處於同一水平位置,長300 mm,寬25 mm的一條水平直線。對於舷緣為圓弧形的船舶,其甲板線可勘劃在船中每側某一適當位置。
載重線圈及水平橫線
國際航行船舶的載重線標誌由包括一外徑為300 mm、線寬為25 mm的圓環和與圓環相交的一條水平橫線組成。水平橫線長450 mm,寬為25 mm,水平橫線的上邊緣通過圓環中心,圓環中心位於船中。從圓環中心至甲板線上邊緣的垂直距離即為按《法定規則》所核定的夏季乾舷。圓環兩側的字母“C”和“S”表示勘劃載重線標誌的主管機關為中國船級社(China Classification Society)。
各載重線
按船舶航行海區和季節期而定的各載重線,分別以長為230 mm、寬為25 mm的水平線段表示。各載重線與一根位於圓環中心前方(船艏方向)540 mm、寬為25 mm的垂直線相垂直。各載重線的上緣就是船舶在不同區帶和季節區域中所允許的最大裝載吃水的限定線,也是相應情況下船舶所允許最小乾舷的限定線。各載重線包括:
①夏季載重線。
以標有字母“S”(Summer)的水平線段表示。該水平線段與水平橫線相平。夏季乾舷等於夏季載重線上邊緣至甲板線上邊緣的垂直距離。
②熱帶載重線。
以標有字母“T”(Tropical)的水平線段表示。熱帶乾舷等於夏季乾舷減去夏季吃水的1/48。
③冬季載重線。
以標有字母“W”(Winter)的水平線段表示。冬季乾舷等於夏季乾舷加上夏季吃水的1/48。
④北大西洋冬季載重線。
以標有字母“WNA”(Winter North Atlantic)的水平線段表示。北大西洋冬季乾舷等於冬季乾舷加上50 mm。船長超過100 m的船舶,不勘劃此載重線,其處在北大西洋冬季季節期海區時仍使用冬季載重線。
⑤夏季淡水載重線。
載重線標尺以標有字母“F”(Fresh)的水平線段表示。夏季淡水乾舷等於夏季(海水)乾舷減去(cm)或1/48的夏季吃水,此處的△s與TPC分別為夏季滿載吃水時在標準海水中的排水量和每厘米吃水噸數。
⑥熱帶淡水載重線。
載重線標尺以標有字母“TF”(Tropical Fresh)的水平線段表示。熱帶淡水乾舷等於熱帶(海水)乾舷減去(cm)或夏季吃水的1/48。
冰級吃水標誌
凡船舶設計與建造符合船級社人級規範中有關冰區航行船體結構特別加強要求,並在船舶入級符號中被授予其對應的冰級附加標誌的船舶,在其載重線標誌中包括三角形警戒標誌及其下方的最大許可冰級吃水標誌。即冰級吃水標誌線的上邊緣是用於限制船舶在冰區航行時的船舯的最高允許吃水。
國際航行的木材甲板貨船的載重線標尺
木材甲板貨船的載重線標誌我國《法定規則》規定,對於在乾舷甲板或上層建築甲板的露天部分裝載木材貨物,且船舶的結構、設備、裝載滿足《法定規則》要求的裝載木材的船舶,可以勘劃和使用木材載重線標誌。木材載重線加繪在載重線圈及橫線的船艉一側,在各載重線的原字母前加標字母“L”(Lumber)。
其具體規定如下:熱帶木材幹舷等於夏季木材幹舷減去夏季木材吃水的1/48;冬季木材幹舷等於夏季木材幹舷加上夏季木材吃水的1/36;冬季北大西洋木材幹舷與其他貨船的冬季北大西洋乾舷相同;其他木材幹舷和上述貨船的有關規定基本相同。這類船舶因裝載的專用系固設備固定下的木材甲板貨可以被認為是給船舶以一定的附加浮力從而增加船舶抗禦海浪能力,所以除木材冬季北大西洋載重線外的其餘載重線均高於一般貨船相對應的載重線。
國際航行船舶的全季節載重線標尺
國際航行船舶的全季節載重線標誌對於所有貨船,如按《法定規則》的全面要求所核定的乾舷大於《國際載重線公約》所要求的最小乾舷,因而其載重線勘劃於相當或低於該公約所核定的最小乾舷的最低季節性載重線位置時,則僅需勘劃淡水載重線。
國內航行船舶的載重線標尺
國內航行船舶的載重線標誌僅在國內沿海航行的我國船舶,由於沿岸海域的風浪較小,對穩性、強度、抗沉性等的要求可低於國際航行船舶。因此,《法定規則》規定,國內航行船舶的最小於舷比國際航行船舶的最小乾舷要小。
載重線及載重線圈的下半部與標誌同色。國內航行船舶載重線有熱帶載重線(標以字母“R”)、夏季載重線(標以字母“X”)以及熱帶淡水載重線(標以字母“RQ”)和夏季淡水載重線(標以字母“Q”)。因我國沿海海區定為季節熱帶區域,所以,在載重線標誌中無冬季載重線。
船舶載重線證書
船舶載重線標誌由船級禮或其委託指定機構負責勘繪,並發給“船舶載重線證書”。船舶載重線證書有效期5年,在證書籤發每周年前後3個月內船舶需接受船級社的年度檢驗。其主要檢驗項目包括確認船舶是否保持載重線標誌清晰、船體和上層建築是否有實質性改變。以及船舶水密裝置和設備是否處於有效狀態。船舶通過載重線年度檢驗後,檢驗機構將在船舶載重線證書上籤章,以使該證書再有效一年。

