概述
變壓器空載損耗別稱
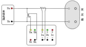
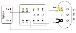
變壓器空載及負載特性測試儀、變壓器空負載測試儀、變壓器損耗測試儀、變壓器空載負載測試儀。
試驗與測量
變壓器空載損耗由於鐵芯非線性及磁滯效應等,勵磁電流不是正弦波,勵磁電流與它所產生的主磁通呈非線性關係。勵磁電流呈尖頂波。除基波分量以外,三次諧波分量為最大。變壓器空載時,勵磁電流占了空載電流的主要成分,因此,勵磁電流亦為尖頂波。
因此,對變壓器原邊電流及功率測量時,應採用具有真有效值測量模式的測量儀器。由於高次諧波的存在,需要考慮感測器應具有合理的頻寬。
變壓器帶載後,一次電流的增大,而勵磁電流不變,諧波的比例減小,波形逐漸接近正弦波。
由於變壓器的空載電流主要用於勵磁,而勵磁電流屬於無功電流,因此,變壓器空載時的功率因數較低,準確測量空載功率,應採用低功率因數表或角差較小的高精度功率分析儀及角差較小的電壓、電流感測器。

